电脑桌面
添加小米粒文库到电脑桌面
安装后可以在桌面快捷访问

合肥168中学2010年5月1日自主招生考试物理试题[1]VIP免费

合肥168中学2010年5月1日自主招生考试物理试题[1]_第1页
1/5
合肥168中学2010年5月1日自主招生考试物理试题[1]_第2页
2/5
合肥168中学2010年5月1日自主招生考试物理试题[1]_第3页
3/5
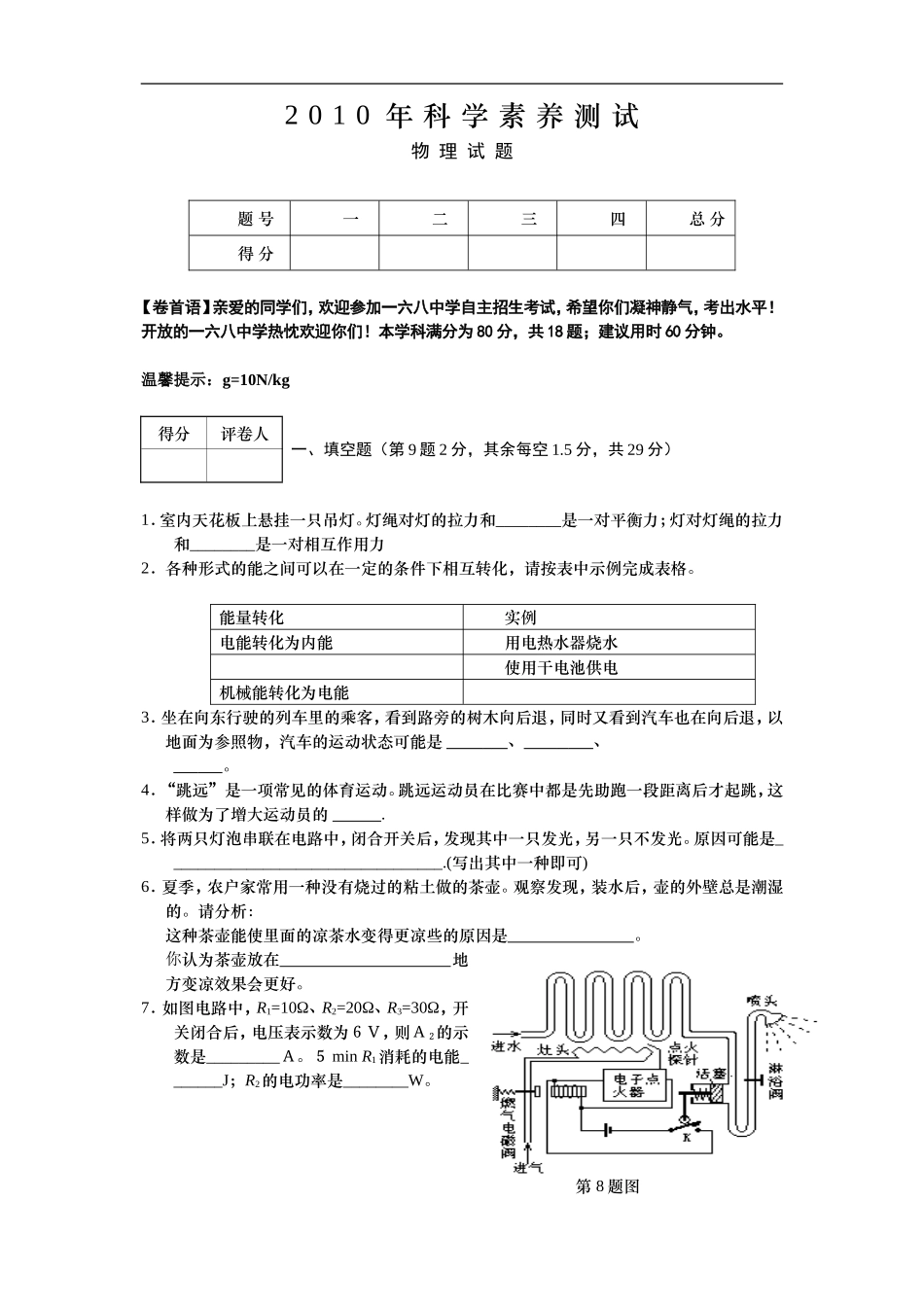
2010年科学素养测试物理试题题号一二三四总分得分【卷首语】亲爱的同学们,欢迎参加一六八中学自主招生考试,希望你们凝神静气,考出水平!开放的一六八中学热忱欢迎你们!本学科满分为80分,共18题;建议用时60分钟。温馨提示:g=10N/kg得分评卷人一、填空题(第9题2分,其余每空1.5分,共29分)1.室内天花板上悬挂一只吊灯。灯绳对灯的拉力和________是一对平衡力;灯对灯绳的拉力和________是一对相互作用力2.各种形式的能之间可以在一定的条件下相互转化,请按表中示例完成表格。能量转化实例电能转化为内能用电热水器烧水使用干电池供电机械能转化为电能3.坐在向东行驶的列车里的乘客,看到路旁的树木向后退,同时又看到汽车也在向后退,以地面为参照物,汽车的运动状态可能是、、。4.“跳远”是一项常见的体育运动。跳远运动员在比赛中都是先助跑一段距离后才起跳,这样做为了增大运动员的.5.将两只灯泡串联在电路中,闭合开关后,发现其中一只发光,另一只不发光。原因可能是__________________________________.(写出其中一种即可)6.夏季,农户家常用一种没有烧过的粘土做的茶壶。观察发现,装水后,壶的外壁总是潮湿的。请分析:这种茶壶能使里面的凉茶水变得更凉些的原因是。你认为茶壶放在地方变凉效果会更好。7.如图电路中,R1=10Ω、R2=20Ω、R3=30Ω,开关闭合后,电压表示数为6V,则A2的示数是_________A。5minR1消耗的电能_______J;R2的电功率是________W。第8题图第7题图8.如图是某家用燃气热水器结构原理图,微动开关K与活塞相连,活塞与水管相通。淋浴时,打开淋浴阀,根据的原理,喷头有水喷出;再根据的规律,活塞应向(左、右)移动,由把燃气阀打开,同时电子点火,燃气进入灶头燃烧,有热水流出;洗完后,关闭淋浴阀,热水器熄火。9.一根绳子系着一个铁球,悬挂在一个通电螺线管右边,小球静止时与通电螺线管等高且不接触。请画出小球受力示意图。得分评卷人二、选择题(每题3分,共12分)10.下面的光路图中正确的是()11.利用如下图所示装置将重为100N的物体匀速从斜面的底端拉到顶端.已知斜面的长是4m,高是2m,拉力为F=50N,则该装置的机械效率为()A.40%B.50%C.80%D.100%12.如图是使用汽车打捞水下重物示意图,在重物从水底拉到井口的过程中,汽车以恒定速度如图甲向右运动,忽略水的阻力和滑轮的摩擦,四位同学画出了汽车功率(P)随时间(t)变化的图象如图乙所示,其中正确的是()空气AC水BD第9题图13.在如图所示的电路中,电源电压和灯泡电阻都保持不变,当滑动变阻器R的滑片P由右向左移动到如图所示位置时,下列判断中正确的是()A.电流表示数增大,电压表的示数减小B.电流表和电压表的示数都减小C.电流表的示数增大,电压表的示数不变D.电流表的示数减小,电压表的示数不变得分评卷人三、实验题(第14题5分,第15题10分,第16题8分,共23分)14.如图所示,是研究“物体动能的大小与哪些因素有关”的实验装置,实验中让大小不同的钢球从斜面上同一高度由静止滚下,碰到同一木块上。请回答以下问题:(1)设计实验的目的是研究钢球动能的大小与的关系。(2)实验是通过观察,说明钢球对木块做功的多少,从而得出结论的。(3)若水平面为光滑的,该实验还能得出结论吗?,理由是:.15.在探究“滑动摩擦力的大小与什么因素有关”时,小华同学根据自己推箱子时,箱子越重,推起来越费力,提出了“影响滑动摩擦力大小的因素可能与接触面受到的压力大小有关”的猜想;小辉同学根据自己推箱子时,地面越粗糙,推起来越费力,提出了“影响滑动摩擦力大小的因素可能与接触面的粗糙程度有关”的猜想。下图是验证他们猜想的实验装置图。(1)小辉同学为了完成他自己的探究应按两图进行。(2)若小华选用正确的实验装置进行实验得到下表所记录的实验数据,请根据数据在所给坐标中作出滑动摩擦力的大小f与接触面受到的压力大小N之间的关系图象。(3)根据图像可以得出f与N的关系是。(4)小华同学在实验中应使小车做,这样做的目的是.16.在测小灯泡的额定功率实验中,其中被测灯泡的额定电压为3.6V,估计它的额定功率为0.8W,为准确测出它的额定功率,...

1、当您付费下载文档后,您只拥有了使用权限,并不意味着购买了版权,文档只能用于自身使用,不得用于其他商业用途(如 [转卖]进行直接盈利或[编辑后售卖]进行间接盈利)。
2、本站所有内容均由合作方或网友上传,本站不对文档的完整性、权威性及其观点立场正确性做任何保证或承诺!文档内容仅供研究参考,付费前请自行鉴别。
3、如文档内容存在违规,或者侵犯商业秘密、侵犯著作权等,请点击“违规举报”。

碎片内容

合肥168中学2010年5月1日自主招生考试物理试题[1]

精品文库+ 关注
实名认证
内容提供者

小学学习各类资料大全

确认删除?
VIP
微信客服
  • 扫码咨询
会员Q群
  • 会员专属群点击这里加入QQ群
客服邮箱
回到顶部