电脑桌面
添加小米粒文库到电脑桌面
安装后可以在桌面快捷访问

频数分布表和频数分布图VIP免费

频数分布表和频数分布图_第1页
1/4
频数分布表和频数分布图_第2页
2/4
频数分布表和频数分布图_第3页
3/4
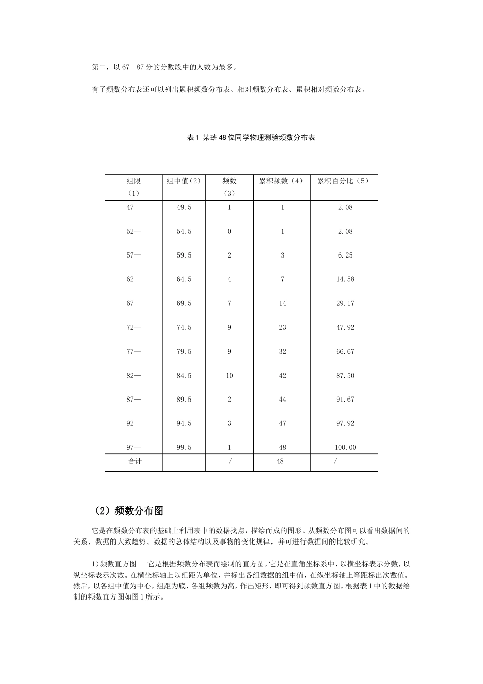
频数分布表与频数分布图频数是指某一随机事件在n次试验中出现的次数。各种随机事件在n次试验中出现的次数分布就称为频数分布。对一批数据,将其频数分布用表格的形式表示出来就构成了频数分布表。(1)编制频数分布表的步骤编制频数分布表是数据整理的基本方法,下面我们结合一个实例来说明频数分布表的编制步骤。例1.一次物理测验之后,某班48位同学的成绩如下。867763789272668775837447838176829769828871676575708277866093718076785795786479826874738476798668;根据这一成绩编制频数分布表,其具体步骤是:①求全距(用R表示)。全距是原始数据中的最大值与最小值之差,即R=max{xi}-min{xi}。式中R是全距,max{xi}为这批数据中的最大数,min{xi}为这批数据中的最小数。在本例中,max{xi}=97,min{xi}=47,因此R=97-47=50。②定组数(用K表示)。根据全距决定组数(K)。组数就是对这批数据分组的个数。一般而言,组数以10组为宜,多至20组,少至5组。若组数太多,便会失去实行分组化繁为简的作用;若组数太少,又会引起计算结果的失真。组数与数据的个数有关,若数据多时,要分10组以上;数据少时,可分5—10组。③定组距(用i表示)。组距就是每一个组内包含的间距,即组距(i)是指每个小组的组上限(即组的终点值)与组下限(即组的起点值)之间的距离。显然,在一批数据中,组距一般是相同的。组数与组距有关,组距越小,则组数越多;组距越大,则组数越少。根据上面的讨论,我们得到全距R、组距i、组数K三者之间的关系即i=或K=根据上式,由全距R、组距i决定组数时,将全距R除以组距后取整数即得组数i。在本例中,全距R=50,若取组距i=5,则组数K=10.④列组限。组限是每一组在数尺上的起始点和终止点,即上下限。从最高分或最低分所在的区间上限或下限开始,以组距为单位依次分组。列组限时,相邻两组的起点和终点,即要连接又不要重叠。在本例中,各组限可写成100-96,95-91,90-86,……;或者99-95,94-90,89-85,……;也可以将组限写成100-,95-,……等。⑤求出组中值(用m0表示)。组中值是各组的中点值。组中值等于该组的组限右端点与左端点的值的平均数。在本例中,若取47-,52-,57-……为组限,则各组的组中值为49.5,54.5,59.5……⑥归组登记频数(用f表示)。根据上述所列的一种组限,把所有数据逐一归入相应的组内,再统计归入各组数据的个数(称次数或频数),每组的频数用f表示,总频数用N表示。根据上述数据和步骤,编制成频数分布表如表1所示。从频数分布表可明显地看出下列信息:第一,大多数学生的成绩在67—87分之间,绝大多数学生的成绩在62—92分之间。第二,以67—87分的分数段中的人数为最多。有了频数分布表还可以列出累积频数分布表、相对频数分布表、累积相对频数分布表。表1某班48位同学物理测验频数分布表组限(1)组中值(2)频数(3)累积频数(4)累积百分比(5)47—52—57—62—67—72—77—82—87—92—97—49.554.559.564.569.574.579.584.589.594.599.51024799102311137142332424447482.082.086.2514.5829.1747.9266.6787.5091.6797.92100.00合计/48/(2)频数分布图它是在频数分布表的基础上利用表中的数据找点,描绘而成的图形。从频数分布图可以看出数据间的关系、数据的大致趋势、数据的总体结构以及事物的变化规律,并可进行数据间的比较研究。1)频数直方图它是根据频数分布表而绘制的直方图。它是在直角坐标系中,以横坐标表示分数,以纵坐标表示次数。在横坐标轴上以组距为单位,并标出各组数据的组中值,在纵坐标轴上等距标出次数值。然后,以各组中值为中心,组距为底,各组频数为高,作出矩形,即可得到频数直方图。根据表1中的数据绘制的频数直方图如图1所示。2)频数多边图凡是可以用直方图表示的数据都可以用频数多边图来表示。同样,横轴表示分数,纵轴表示频数,以每组数据的组中值为横坐标,以各组的频数为纵坐标,描出各点,连接各点成一个折线,就可得频数多边图(在全距以外的频数取作零)。根据表1中的数据绘制的频数多边图如图2所示。

1、当您付费下载文档后,您只拥有了使用权限,并不意味着购买了版权,文档只能用于自身使用,不得用于其他商业用途(如 [转卖]进行直接盈利或[编辑后售卖]进行间接盈利)。
2、本站所有内容均由合作方或网友上传,本站不对文档的完整性、权威性及其观点立场正确性做任何保证或承诺!文档内容仅供研究参考,付费前请自行鉴别。
3、如文档内容存在违规,或者侵犯商业秘密、侵犯著作权等,请点击“违规举报”。

碎片内容

频数分布表和频数分布图

星河书苑+ 关注
实名认证
内容提供者

从事历史教学,热爱教育,高度负责。

确认删除?
VIP
微信客服
  • 扫码咨询
会员Q群
  • 会员专属群点击这里加入QQ群
客服邮箱
回到顶部