电脑桌面
添加小米粒文库到电脑桌面
安装后可以在桌面快捷访问

方型水箱规格选用表VIP免费

方型水箱规格选用表_第1页
1/5
方型水箱规格选用表_第2页
2/5
方型水箱规格选用表_第3页
3/5
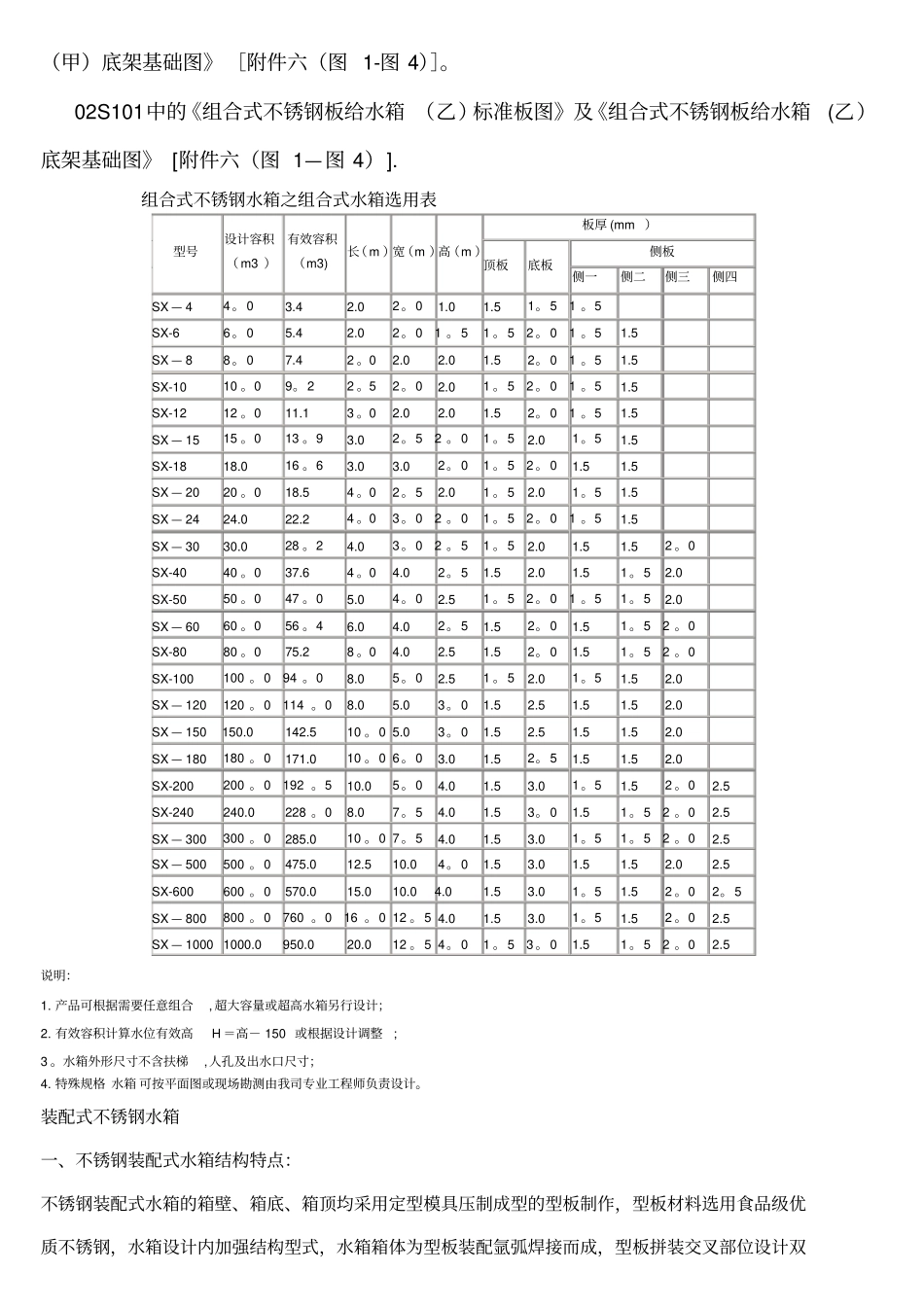
组合式不锈钢水箱(甲)选用表序号容积主尺寸MM板材厚度MM底部支座LBH顶板底板侧板边距C间距CI数量N侧一侧二侧三侧四111000100010001。51。51.52006002252000250010001。521。520060043102000250020001.521。51。530064054153000250020001。521.51。530065055204500300020001。521.5215060086244000300020001。521。5226058077305000300020001.521。5226064088405000400020001。531.5226064089505000500020001。531。5220064081010010000500020001.531.522.52。520064016115002500500040001.531。522.52.52006154112100025001000040001。531。522.52.520061541组合式不锈钢水箱(乙)选用表序号设计容积有效容积主尺寸MM板材厚度MM底部支座LBH顶板底板侧板边距C间距CI数量N侧一侧二侧三侧四143。42000200010001.21.51。52006002265.42000200015001.22.01。51.52006004387.42000200020001.22.01.51.530064054109。22500200020001.22.01.51。5300650551211。13000200020001.22.01.51。521150600861513。93000250020001.22。01。51。5368260580771816.63000300020001。22.01.51.5260640882018。54000250020001。22。01.51.521260640892422。24000300020001。22。01。51.53672006408103028。24000300025001.22.01.51。52.02120064016114037。64000400025001.22。01.51。52。038920061541125047.05000400025001。22。01。51.52。020061541136056.46000400025001.22。01。51。52.0148075。28000400025001.22.01.51。52。0211510094.08000500025001。52.01.51。52。036916120114。08000500030001。52。51。51.52。040717150142.510000500030001。52.51.51.52.018180171.010000600030001。52。51。51。52。019200192.510000500040001.53。01.51.52.02.520240228.08000750040001.53。01。51。52.02。521300285.010000750040001。53.01.51.52.02.522500475.0125001000040001。53。01.51。52.02。523600570。0150001000040001。53.01。51。52.02。524800760。0160001250040001.53。01。51.52.02.5251000950。0200001250040001.53。01.51.52.02.502S101中的《组合式不锈钢板给水箱(甲)标准板图》及《组合式不锈钢板给水箱(甲)底架基础图》[附件六(图1-图4)]。02S101中的《组合式不锈钢板给水箱(乙)标准板图》及《组合式不锈钢板给水箱(乙)底架基础图》[附件六(图1—图4)].组合式不锈钢水箱之组合式水箱选用表型号设计容积(m3)有效容积(m3)长(m)宽(m)高(m)板厚(mm)顶板底板侧板侧一侧二侧三侧四SX—44。03.42.02。01.01.51。51。5SX-66。05.42.02。01。51。52。01。51.5SX—88。07.42。02.02.01.52。01。51.5SX-1010。09。22。52。02.01。52。01。51.5SX-1212。011.13。02.02.01.52。01。51.5SX—1515。013。93.02。52。01。52.01。51.5SX-1818.016。63.03.02。01。52。01.51.5SX—2020。018.54。02。52.01。52.01。51.5SX—2424.022.24。03。02。01。52。01。51.5SX—3030.028。24.03。02。51。52.01.51.52。0SX-4040。037.64。04.02。51.52.01.51。52.0SX-5050。047。05.04。02.51。52。01。51。52.0SX—6060。056。46.04.02。51.52。01.51。52。0SX-8080。075.28。04.02.51.52。01.51。52。0SX-100100。094。08.05。02.51。52.01。51.52.0SX—120120。0114。08.05.03。01.52.51.51.52.0SX—150150.0142.510。05.03。01.52.51.51.52.0SX—180180。0171.010。06。03.01.52。51.51.52.0SX-200200。0192。510.05。04.01.53.01。51.52。02.5SX-240240.0228。08.07。54.01.53。01.51。52。02.5SX—300300。0285.010。07。54.01.53.01。51。52。02.5SX—500500。0475.012.510.04。01.53.01.51.52.02.5SX-600600。0570.015.010.04.01.53.01。51.52。02。5SX—800800。0760。016。012。54.01.53.01。51.52。02.5SX—10001000.0950.020.012。54。01。53。01.51。52。02.5说明:1.产品可根据需要任意组合,超大容量或超高水箱另行设计;2.有效容积计算水位有效高H=高-150或根据设计调整;3。水箱外形尺寸不含扶梯,人孔及出水口尺寸;4.特殊规格水箱可按平面图或现场勘测由我司专业...

1、当您付费下载文档后,您只拥有了使用权限,并不意味着购买了版权,文档只能用于自身使用,不得用于其他商业用途(如 [转卖]进行直接盈利或[编辑后售卖]进行间接盈利)。
2、本站所有内容均由合作方或网友上传,本站不对文档的完整性、权威性及其观点立场正确性做任何保证或承诺!文档内容仅供研究参考,付费前请自行鉴别。
3、如文档内容存在违规,或者侵犯商业秘密、侵犯著作权等,请点击“违规举报”。

碎片内容

方型水箱规格选用表

您可能关注的文档

确认删除?
VIP
微信客服
  • 扫码咨询
会员Q群
  • 会员专属群点击这里加入QQ群
客服邮箱
回到顶部