电脑桌面
添加小米粒文库到电脑桌面
安装后可以在桌面快捷访问

施工准备与资源配置计划VIP免费

施工准备与资源配置计划_第1页
1/15
施工准备与资源配置计划_第2页
2/15
施工准备与资源配置计划_第3页
3/15
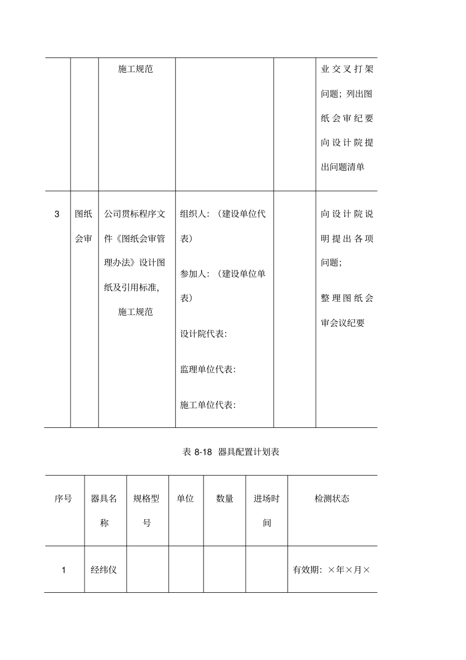
第四章施工准备与资源配置计划1技术准备(1)一般准备工作A熟悉施工图纸,组织图纸会审,准备好本工程所需要规范、标准、图集等图纸表8-17图纸会审计划安排表序号内容依据参加人员日期安排目标1图纸初审公司贯标程序文件《图纸会审管理办法设计图纸及引用标准,施工规范组织人:土建:电气:给水、排水、通风:熟悉施工图纸,分专业列出图纸中不明确部位、问题部位及问题项2内容会审公司贯标程序文件《图纸会审管理办法》设计图纸及引用标准,组织人:电气:给水、排水、通风:熟悉施工图纸、设计图、各专业问题汇总,找出专施工规范业交叉打架问题;列出图纸会审纪要向设计院提出问题清单3图纸会审公司贯标程序文件《图纸会审管理办法》设计图纸及引用标准,施工规范组织人:(建设单位代表)参加人:(建设单位单表)设计院代表:监理单位代表:施工单位代表:向设计院说明提出各项问题;整理图纸会审会议纪要表8-18器具配置计划表序号器具名称规格型号单位数量进场时间检测状态1经纬仪有效期:×年×月×日—×年×月×日2水准仪3米尺⋯⋯⋯B技术培训a:管理人员培训上岗培训,组织参加和技术交流:由专家进行专业培训:推广新技术、新材料、新工艺、新设备应用培训和学习规范、规程、标准、法规的重要条文等。b:对劳务人员的进场教育,上岗培训:对专业人员的培训,如新技术、新工艺、新材料和新设备的操作培训等,提高使用操作的适应能力(2)器具配置表8-18器具配置计划表序号器具名称规格型号单位数量进场时间检测状态1经纬仪有效期:×年×月×日—×年×月×日2水准仪3米尺⋯⋯⋯(3)技术工作计划A施工方案编制计划a:分项工程施工方案编制计划。序号方案名称编制人编制完成时间审批人(部门)1混凝土施工方案2室内装修方案⋯电气施工方案b专项工程施工方案编制计划序号方案名称编制人编制完成时间审批人(部门)1施工测量方案2大体积混凝土施工方案⋯安全防护方案文明施工方案季节性施工方案临电施工方案节能施工方案B实验、检测工作计划。表8-20原材料及施工过程试验取样原则及规定序号实验内容取样批量取样数量取样部位及见证率12⋯表8-21实验工作计划表序号试验内容取样批量试验数量备注1钢筋原材≤60t1组统一刚号的混合批,每批不超过6个炉号,各炉罐号含碳量之差不大于0.02%,含锰量之差不大于0.15%>60t2组2钢筋机械连接(焊接)接头500个接头3根拉件同施工条件,同一批材料的同等级、同规格接头500个以下为一验收批,不足500个也为一验收批3水泥(袋装)≤200t1组每一组取样至少12kg4混凝土试块一次浇筑量≤1000m3,每100m3为一个取样单位(3块)一次浇筑量≥1000m3,每200m3为一个取样单位(3块)同一配合比5混凝土抗渗试块500㎡1组同一配合比,每组六个试件6砌筑砂浆250㎡6块同一配合比一个楼层7高聚物改性沥青防水卷材100卷以内2组尺寸和外观≤1000卷物理性能检验100~4993组尺寸和外卷观1000卷以内4组尺寸和外观8土方回填基槽回填土每层取样6块每层按≤50m取一点9⋯⋯⋯⋯⋯⋯C样板项表8-22样板项、样板间计划一览表序号项目名称部位(层、段)施工时间备注12⋯D新技术、新工艺、新材料和新设备推广应用计划表8-23新技术推广应用计划序号新技术名称应用部位应用数量负责人总结完成时间12⋯E质量管理活动计划表8-24QC活动计划表序号QC小组课题参加部门时间安排12⋯F高程引测与建筑物定位G实验室、预拌混凝土供应H施工图翻样设计工作2、施工现场准备:障碍物的清除,“四通一平”、现场临水临电、生产生活设施、围墙及道路等施工平面图中所有内容,并按施工平面土所规定的位置和要求布置。3资金准备4各项资源需要量计划(1)劳动力需要量计划表8-25劳动力需要量计划序号专业工种名额劳动量/工日需要人数及时间备注年月月年上旬中旬下旬上旬中旬下旬工种1月2月3月4月5月6月7月⋯月钢筋工木工混凝土工瓦工抹灰工水暖工电工通风工力工⋯⋯月汇总(2)主要材料需要量计划表8-27主要材料需要量计划序号材料名称规格需要量需要时间备注单位数量12⋯(3)预制加工品需要量计划表8-28与之加工品需要量计划序号预制加图号规格需要量使用加工要求备工品名称型号尺寸单位数量...

1、当您付费下载文档后,您只拥有了使用权限,并不意味着购买了版权,文档只能用于自身使用,不得用于其他商业用途(如 [转卖]进行直接盈利或[编辑后售卖]进行间接盈利)。
2、本站所有内容均由合作方或网友上传,本站不对文档的完整性、权威性及其观点立场正确性做任何保证或承诺!文档内容仅供研究参考,付费前请自行鉴别。
3、如文档内容存在违规,或者侵犯商业秘密、侵犯著作权等,请点击“违规举报”。

碎片内容

施工准备与资源配置计划

您可能关注的文档

确认删除?
VIP
微信客服
  • 扫码咨询
会员Q群
  • 会员专属群点击这里加入QQ群
客服邮箱
回到顶部