电脑桌面
添加小米粒文库到电脑桌面
安装后可以在桌面快捷访问

施工现场临时用电安全检查VIP免费

施工现场临时用电安全检查_第1页
1/23
施工现场临时用电安全检查_第2页
2/23
施工现场临时用电安全检查_第3页
3/23
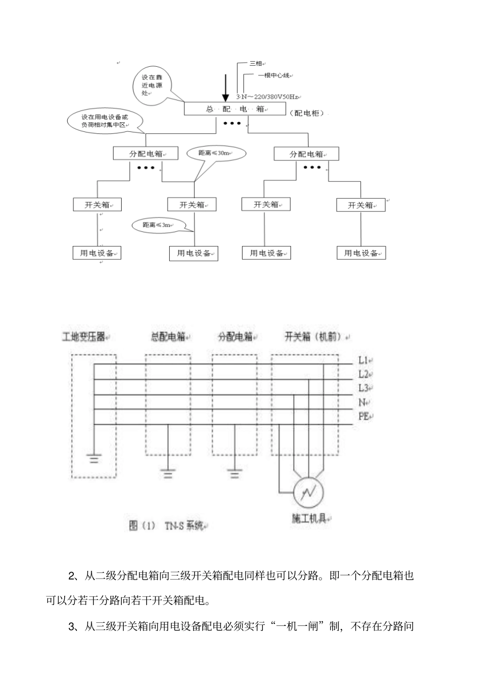
施工现场临时用电安全检查一、安全检查要点1、施工临时用电三项原则2、临时用电管理3、外电线路及电气设备防护4、接地与防雷5、配电线路6、配电箱及开关箱7、电动建筑机械和手持式电动工具8、照明(一)、施工临时用电三项原则:建筑施工现场临时用电工程采用的电源中性点直接接地的220/380V三相四线制低压电力系统,必须符合下列规定:1、采用三级配电系统2、采用TN-S接零保护系统3、采用二级漏电保护系统。原则一:采用三级配电系统三级配电系统指施工现场从电源进线开始至用电设备之间,经过三级配电装置配送电力,即由总配电箱(一级箱)或配电室的配电柜开始,依次经由分配电箱(二级箱)、开关箱(三级箱)到用电设备。这种分三个层次逐级配送电力的系统就称为三级配电系统。为保证三级配电系统能够安全、可靠、有效地运行,在实际设置系统时尚应遵守四项规则:1、分级分路规则2、动、照分设规则3、压缩配电间距规则4、环境安全规则1、分级分路规则:从一级总配电箱(配电柜)向二级分配电箱配电可以分路。即一个总配电箱(配电柜)可以分若干分路向若干分配电箱配电。2、从二级分配电箱向三级开关箱配电同样也可以分路。即一个分配电箱也可以分若干分路向若干开关箱配电。3、从三级开关箱向用电设备配电必须实行“一机一闸”制,不存在分路问题。即每一个开关箱只能联接控制一台与其相关的用电设备(含插座),包括一组不超过30A负荷的照明器,或每一台用电设备必须有其独立专用的开关箱。2、动力与照明分路设置规则动力配电箱与照明配电箱宜分别设置:若动力与照明合置于同一配电箱内共箱配电,则动力与照明应分路配电。动力开关箱与照明开关箱必须分箱设置,不存在共箱分路设置问题。3、压缩配电间距规则压缩配电间距规则是指除总配电箱、配电室(配电柜)外,分配电箱与开关箱之间,开关箱与用电设备之间的空间间距应尽量缩短。按照《规范》的规定,压缩配电间距规则可用以下三个要点说明。1、分配电箱应设在用电设备或负荷相对集中的场所。2、分配电箱与开关箱的距离不得超过30m。3、开关箱与其供电的固定式用电设备的水平距离不宜超过3m。4、环境安全规则环境安全规则是指配电系统对其设置和运行环境安全因素的要求。按照《规范》的规定,配电系统对其设置和运行环境安全因素的要求可用以下五个要点说明。1、环境保持干燥、通风、常温。2、周围无易燃易爆物及腐蚀介质。3、能避开外物撞击、强烈振动、液体浸溅和热源烘烤。4、周围无灌木、杂草丛生。5、周围不堆放器材、杂物。原则二:采用TN-S接零保护系统TN-S系统:就是工作零线与保护零线分开设置的接零保护系统。T—电源中性点直接接地。N—电气设备外露可导电部份通过零线接地。S—工作零线(N线)与保护零线(PE线)分开的系统。TN-S—工作接地;2—PE线重复接地;3—电气设备金属外壳(正常不带电的外露可导电部分);L1、L2、L3—相线;N—工作零线;PE—保护零线;DK—总电源隔离开关;RCD—总漏电保护器(兼有短路、过载、漏电保护功能的漏电断路器);T—变压器原则三:采用二级漏电保护系统采用二级漏电保护系统是指在施工现场供配电系统的总配电箱(配电柜)和开关箱首、末二级配电装置中(注意),设置漏电保护器。其中,总配电箱(配电柜)中的漏电保护器可以设置于总路,也可以设置于各分路,但不必重叠设置。实行分级、分段漏电保护的具体体现是合理选择总配电箱(配电柜)、开关箱中漏电保护器的额定漏电动作参数。《规范》从确保防止人体间接接触触电危害角度出发,对设置于开关箱和总配电箱(配电柜)的漏电保护器的漏电动作参数作出了如下规定:1.开关箱一般场所漏电动作电流不大于≯30mA漏电动作时间不大于≯0.1s潮湿与腐蚀介质场所漏电动作电流不大于≯15mA如:潜水泵、夯土机械、Ⅰ类或Ⅱ类(塑料外壳除外)手持式电动工具、地下室等所用开关箱中漏2.总配电箱漏电动作电流应大于30mA,漏电动作时间应大于0.1s但漏电动作电流与漏电动作时间的乘积不应大于30mA·3.漏电保护器极数和线数必须与负荷的相数和线数保持一致。4.漏电保护器的电源进线类别(相线或零线)必须与其进线端标记一一对应,不允许交叉混...

1、当您付费下载文档后,您只拥有了使用权限,并不意味着购买了版权,文档只能用于自身使用,不得用于其他商业用途(如 [转卖]进行直接盈利或[编辑后售卖]进行间接盈利)。
2、本站所有内容均由合作方或网友上传,本站不对文档的完整性、权威性及其观点立场正确性做任何保证或承诺!文档内容仅供研究参考,付费前请自行鉴别。
3、如文档内容存在违规,或者侵犯商业秘密、侵犯著作权等,请点击“违规举报”。

碎片内容

施工现场临时用电安全检查

您可能关注的文档

确认删除?
VIP
微信客服
  • 扫码咨询
会员Q群
  • 会员专属群点击这里加入QQ群
客服邮箱
回到顶部