电脑桌面
添加小米粒文库到电脑桌面
安装后可以在桌面快捷访问

施工现场临时用电方案设计VIP免费

施工现场临时用电方案设计_第1页
1/9
施工现场临时用电方案设计_第2页
2/9
施工现场临时用电方案设计_第3页
3/9
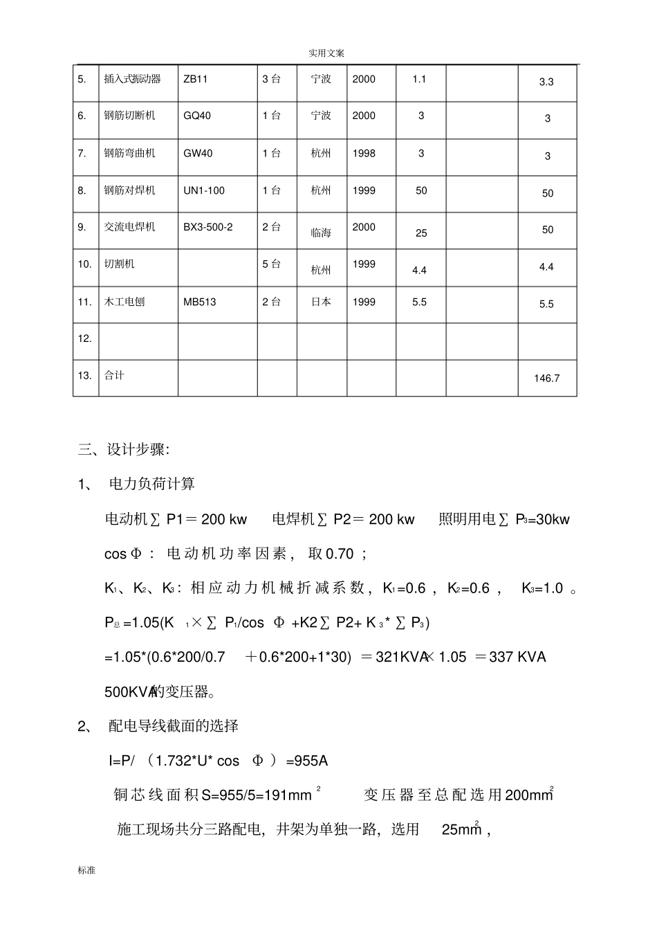
实用文案标准临时用电专项方案一、工程概况本工程是1建安工程。建设单位为有限公司,监理单位为有限公司,设计单位为研究院,勘察单位为研究院,建设地点为杭州。本工程包括,总建筑面积123429㎡。结构形式:厂房为钢结构,辅房为现浇钢筋混凝土框架结构,抗震设防烈度:七度,抗震设防类别:丙类;建筑耐火等级:二级;设计正常合理使用年限:主体结构≥50年,轻钢围护部分≥20年;屋面防水等级:厂房为Ⅲ级,辅房为II级;基础为预应力混凝土管桩基础;±0.000相当于绝对标高淡化车间4.5m,原料及成品仓库4.4m。其中车间占地面积:113615㎡,建筑面积116828㎡;建筑层数及高度:厂房为地上3层,建筑高度为22.25m、26.85m;西端车间辅助用房为地上4层,建筑高度为21.55m;原料及成品仓库占地面积:16413㎡,建筑面积16601㎡;建筑层数及高度:仓库为地上3层,建筑高度为21.75m;西端辅助用房为地上3层,建筑高度为6.9m。二、施工用电设备:序号机械或设备名称型号规格数量国别产地制造年份额定功率(KW)生产能力合计(KW)1.井架SSE100A4台杭州19997.530米142.水泵2台杭州20011.533.混凝土搅拌机JZC3501台杭州19987.57.54.砂浆搅拌机UJ3251台杭州199833实用文案标准5.插入式振动器ZB113台宁波20001.13.36.钢筋切断机GQ401台宁波2000337.钢筋弯曲机GW401台杭州1998338.钢筋对焊机UN1-1001台杭州199950509.交流电焊机BX3-500-22台临海2000255010.切割机5台杭州19994.44.411.木工电刨MB5132台日本19995.55.512.13.合计146.7三、设计步骤:1、电力负荷计算电动机∑P1=200kw电焊机∑P2=200kw照明用电∑P3=30kwcosΦ:电动机功率因素,取0.70;K1、K2、K3:相应动力机械折减系数,K1=0.6,K2=0.6,K3=1.0。P总=1.05(K1×∑P1/cosΦ+K2∑P2+K3*∑P3)=1.05*(0.6*200/0.7+0.6*200+1*30)=321KVA×1.05=337KVA500KVA的变压器。2、配电导线截面的选择I=P/(1.732*U*cosΦ)=955A铜芯线面积S=955/5=191mm2变压器至总配选用200mm2施工现场共分三路配电,井架为单独一路,选用25mm2,实用文案标准北面一路选用120mm2,南面一路选用120mm2。四、临时用电布置施工现场采用TN-S供电系统。它是把工作零线N和专用保护接地PE线在供电电源处严格分开的供电系统,也称三相五线制。它的优点是专用保护线无电流,此线专门承接故障电流,确保其保护装置动作。应该特别指出,PE线不许断线。在供电末端应将PE线做重复接地。1、总、分配电箱布置2、总配电箱设置于施工现场的东面,总配电箱落地安装槽钢底座,固定牢固,配电房内设有防火、防小动物进入等措施,出线走电缆沟,配电箱有重复接地。总配电箱中的分配电路分动力、施工照明、生活照明三大系统。动力系统分搅拌机及钢筋加工机械等。总配电箱中设有总隔离开关、漏电保护器、空开、电压表、互感器、电流表、指示灯等。3、总配电箱中的分支线到达固定的分配电箱中,由各分配电箱到各单机开关箱的距离不得大于30米,开关箱与其控制的固定式用电设备的水平距离不得超过3米。4、各线配电箱中的闸刀、漏电保护开关必须标明送电目标或所控制的范围,并画上电器接线图。各线配电箱必须设置漏电保护开关,单机所使用的漏电保护开关的动作电流控制30mA。振动器和各种手持电动工具选用30mA,各配电箱必须定期检查,并将检查结果附在配电箱上。5、所有配电箱在使用过程中必须按照下述操作顺序:送电操作:总配电箱——分配电箱——开关箱。实用文案标准停电操作:开关箱——分配电箱——总配电箱(出现电器故障的紧急情况除外)。6、各配电箱必须固定位置,箱底距地面不小于1.3米,不大于1.5米,各配电箱必须防雨、防尘,并设门备锁。严格执行三级配电三级保护措施,开关箱开关电器实行“一机一闸”,绝不控制二台以上用电设备。7、配电箱、开关箱应装设在干燥、通风及常温场所。不得装设在有严重损伤作用的瓦斯、烟气、蒸汽、液体及其它有害介质中。也不得装设在易受外来固体物撞击、强烈振动、液体侵溅及热源烘烤的场所。配电箱、开关箱周围应有足够两人同时工作的空间,其周围不得堆放任何有碍操作、维修的物品。各配电箱必须向外开启,在总配电箱附近必须配...

1、当您付费下载文档后,您只拥有了使用权限,并不意味着购买了版权,文档只能用于自身使用,不得用于其他商业用途(如 [转卖]进行直接盈利或[编辑后售卖]进行间接盈利)。
2、本站所有内容均由合作方或网友上传,本站不对文档的完整性、权威性及其观点立场正确性做任何保证或承诺!文档内容仅供研究参考,付费前请自行鉴别。
3、如文档内容存在违规,或者侵犯商业秘密、侵犯著作权等,请点击“违规举报”。

碎片内容

施工现场临时用电方案设计

您可能关注的文档

确认删除?
VIP
微信客服
  • 扫码咨询
会员Q群
  • 会员专属群点击这里加入QQ群
客服邮箱
回到顶部