电脑桌面
添加小米粒文库到电脑桌面
安装后可以在桌面快捷访问

有限空间作业许可证最新VIP免费

有限空间作业许可证最新_第1页
1/3
有限空间作业许可证最新_第2页
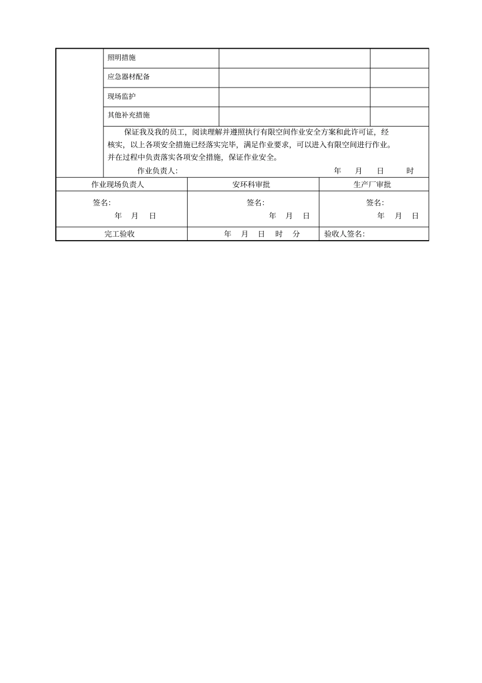
2/3
有限空间作业许可证最新_第3页
3/3
有限空间作业许可证编号作业单位所在单位有限空间名称主要介质填表人作业内容作业人监护人采样分析数据分析项目氧含量一氧化碳硫化氢取样时间取样点取样人分析标准19.5-23.55ppm分析结果作业时间年月日时分--月日时分有效期危害识别主要安全措施有效隔绝措施(所在单位填制)确认人:作业安全措施(作业单位填制)确认人:抢救后备措施作业条件确认安全措施主要内容确认人签字作业人员安全交底氧气浓度、有害气体检测通风措施个人防护用品使用照明措施应急器材配备现场监护其他补充措施保证我及我的员工,阅读理解并遵照执行有限空间作业安全方案和此许可证,经核实,以上各项安全措施已经落实完毕,满足作业要求,可以进入有限空间进行作业。并在过程中负责落实各项安全措施,保证作业安全。作业负责人:年月日时作业现场负责人安环科审批生产厂审批签名:年月日签名:年月日签名:年月日完工验收年月日时分验收人签名:有限空间作业安全要求1、有限空间作业实施作业证管理,作业前应办理《有限空间安全作业证》。2、安全隔绝:有限空间与其他系统连通的可能危及安全作业的管道应采取有效隔离措施;可采用插入盲板或拆除一段管道进行隔绝,不能用水封或关闭阀门等代替盲板或拆除管道;有限空间带有搅拌器等用电设备时,应在停机后切断电源,上锁并加挂警示牌。3、清洗或置换:有限空间作业前,应根据有限空间盛装(过)的物料的特性,对有限空间进行清洗或置换,并达到下列要求:氧含量一般为19.5-23.5%;有毒气体(物质)浓度应符合GBZ2的规定;可燃气体浓度:当被测气体或蒸气的爆炸下限大于等于4%时,其被测浓度不大于0.5%(体积百分数);当被测气体或蒸气的爆炸下限小于4%时,其被测浓度不大于0.2%(体积百分数)。4、通风:应采取措施,保持有限空间空气良好流通。打开与大气相通的设施进行自然通风;必要时,可采取强制通风;采用管道送风时,送风前应对管道内介质和风源进行分析确认;禁止向有限空间充氧气或富氧空气。5、检测:作业前30min内,应对有限空间进行气体采样分析,分析合格后方可进入;采样点应有代表性,容积较大的有限空间,应采取上、中、下各部位取样;作业中应至少每2h监测一次,如监测分析结果有明显变化,则应加大监测频率;作业中断超过30min应重新进行监测分析,情况异常时应立即停止作业。6、个体防护措施:在缺氧或有毒的有限空间作业时,应佩戴隔离式防护面具;在易燃易爆的有限空间作业时,应穿防静电工作服、工作鞋,使用防爆型低压灯具及不发生火花的工具;在产生噪声的有限空间作业时,应配戴耳塞或耳罩等防噪声护具。7、照明及用电安全:有限空间照明电压应小于等于36V,在潮湿容器、狭小容器内作业电压应小于等于12V,作业人员应站在绝缘板上,同时保证金属容器接地可靠;使用超过安全电压的手持电动工具作业或进行电焊作业时,应配备漏电保护器;临时用电应办理用电手续。8、监护:有限空间作业,在有限空间外应设有专人监护;进入有限空间前,监护人应会同作业人员检查安全措施,检查通讯工具,统一联系信号;监护人员不得脱离岗位,并应掌握有限空间作业人员的人数和身份,对人员和工器具进行清点。

1、当您付费下载文档后,您只拥有了使用权限,并不意味着购买了版权,文档只能用于自身使用,不得用于其他商业用途(如 [转卖]进行直接盈利或[编辑后售卖]进行间接盈利)。
2、本站所有内容均由合作方或网友上传,本站不对文档的完整性、权威性及其观点立场正确性做任何保证或承诺!文档内容仅供研究参考,付费前请自行鉴别。
3、如文档内容存在违规,或者侵犯商业秘密、侵犯著作权等,请点击“违规举报”。

碎片内容

有限空间作业许可证最新

确认删除?
VIP
微信客服
  • 扫码咨询
会员Q群
  • 会员专属群点击这里加入QQ群
客服邮箱
回到顶部