电脑桌面
添加小米粒文库到电脑桌面
安装后可以在桌面快捷访问

桥梁维护方案及报价教材VIP免费

桥梁维护方案及报价教材_第1页
1/25
桥梁维护方案及报价教材_第2页
2/25
桥梁维护方案及报价教材_第3页
3/25
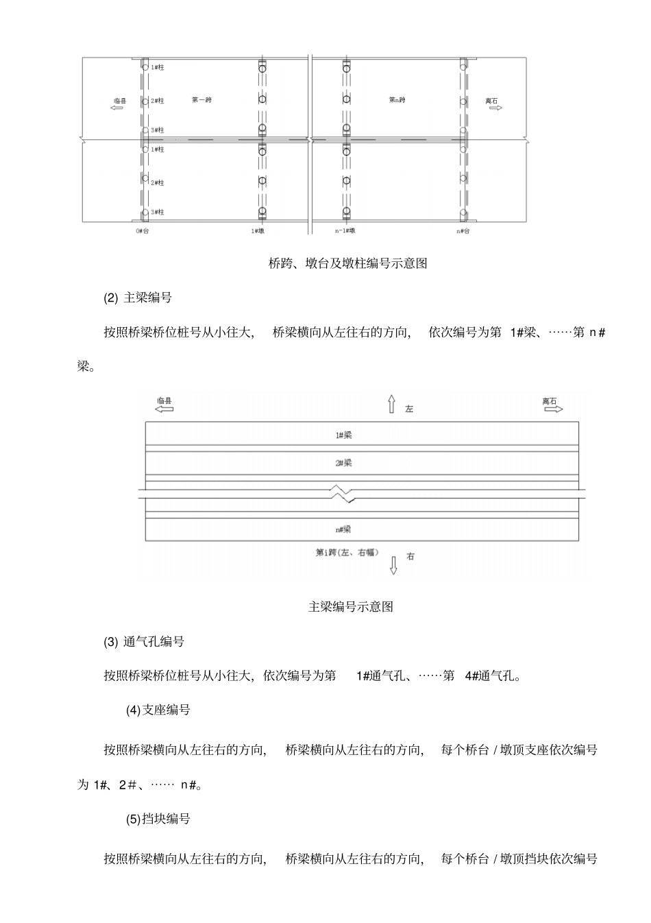
桥梁病害维护方案一.工程概述二.方案设计依据及技术指标1.设计依据(1)《公路工程技术标准》(JTGB01-2003)(2)《公路桥涵设计通用规范》(JTGD60-2004)(3)《公路钢筋混凝土及预应力混凝土桥设计规范》(JTGD62-2004)(4)《公路桥梁技术状况评定标准》(JTG/TH21-2011)(5)《公路桥梁加固设计规范》(JTG/TJ22-2008)(6)《公路桥梁加固施工技术规范》(JTG/TJ23-2008)(7)《公路桥涵施工技术规范》(JTG/TF50-2011)(8)《公路桥梁板式橡胶支座》(JT/T4-2004)(9)《公路工程质量检验评定标准(土建部分)》(JTGF80/1-2004)(10)2.技术指标此次涉及维护的桥梁维护后不改变原技术指标。三.编号说明为便于管理、校核和监测,本方案编码原则同桥检报告。(1)桥跨编号按照桥梁桥位桩号从小往大,依次编号为第1跨、⋯⋯第n跨。桥跨、墩台及墩柱编号示意图(2)主梁编号按照桥梁桥位桩号从小往大,桥梁横向从左往右的方向,依次编号为第1#梁、⋯⋯第n#梁。主梁编号示意图(3)通气孔编号按照桥梁桥位桩号从小往大,依次编号为第1#通气孔、⋯⋯第4#通气孔。(4)支座编号按照桥梁横向从左往右的方向,桥梁横向从左往右的方向,每个桥台/墩顶支座依次编号为1#、2#、⋯⋯n#。(5)挡块编号按照桥梁横向从左往右的方向,桥梁横向从左往右的方向,每个桥台/墩顶挡块依次编号为1#、2#、⋯⋯n#。(6)垫石编号按照桥梁横向从左往右的方向,桥梁横向从左往右的方向,每个桥台/墩顶垫石依次编号为1#、2#、⋯⋯n#。(7)桥墩/台编号按照桥梁桥位桩号从小往大,依次编号为0#台、1#墩、⋯⋯n#台。(8)墩柱编号按照桥梁桥位桩号从小往大,每个墩柱横向从左往右的方向,依次编号为1#柱、⋯⋯n#柱。支座、挡块编号图四.桥梁病害情况及其成因分析1.桥梁病害状况(1)上部结构病害桥梁上部结构普遍存在的主要问题为:部分桥梁存在纵向裂缝,少数伴有渗水泛白;个别主梁局部区段在马蹄两侧面及底面存在较为密集的竖向、横向和纵向裂缝,少数部分马蹄侧面的竖向裂缝与底面的横向裂缝连通;主梁、横隔板及湿接缝有少量的混凝土浇筑不密实、剥落及露筋现象。(2)下部结构病害各标段下部结构普遍存在的主要病害是个别桥台护坡局部开裂及塌陷、少数桥墩出现竖向裂缝、局部蜂窝麻面;个别桥墩墩身顶部存在修补或盖梁存在少量竖向短裂缝部分墩台盖梁上有建筑垃圾。(3)支座系统病害沿线已桥检标段支座系统普遍存在的主要病害为脱空、剪切鼓凸变形、偏位偏压、开裂、周侧包裹垃圾等。(4)其他有待解决的问题个别桥梁锥护坡坡内土体塌陷,造成圬工砌缝脱落,局部护面石沉陷、坍塌。个别标段部分桥梁箱梁底板气孔堵塞,少数标段临时支座未拆、支座垫块浇筑模板及墩顶湿接头模板未拆,个别标段桥梁湿接缝现浇段底模未拆、桥面泄水管管口高出混凝土铺装层等问题。桥梁检查报告显示,以上主要病害可归纳为:梁体(腹板为甚)纵向裂缝及横隔板斜向、竖向裂缝在各标段均较常见;矩形墩墩身-盖梁、轻型桥台台身-台帽竖向裂缝及无盖梁柱式墩横向裂缝在个别标段偶尔出现。蜂窝麻面、空洞露筋多出现在预制梁梁底及现浇混凝土位置,尤其以墩顶现浇段及梁间湿接缝为甚。砼破损多出现于桥跨结构翼缘板、腹-底板棱角及预制梁横隔板端侧底部;下部结构挡块-盖梁位置亦较为常见。支座病害如脱空、偏位、变形鼓凸在各类桥型中均较为常见。2.桥梁病害成因分析(1)混凝土结构病害成因分析梁体腹板底板纵向裂缝和钢筋配置间距疏密、保护层厚度控制不当及预应力管道偏位及压浆质量不好有关,也有部分是由于混凝土干缩引起的短裂缝。横隔板竖向、斜向裂缝多为支座虚支或脱空导致梁体横向应力重分布形成的受力裂缝。桥梁墩台盖梁砼裂缝产生的原因可能是混凝土干缩引起的。结构构件砼剥落掉角多为外力破坏造成的;砼蜂窝麻面、空洞露筋等多为配筋密集、混凝土本身浇筑质量不好、钢筋保护层太薄、漏浆或过早拆模造成的。梁体渗水泛碱是桥面排水不畅、防水层局部失效及梁体底板气孔堵塞等原因造成的。(2)支座系统病害成因分析支座剪切变形的主要原因有:①桥梁纵坡或横坡超高较大;②施工时支座调平钢板加工、安装、定位不当;③架梁前约束了支座底面,可能在架梁过程中形成搓剪...

1、当您付费下载文档后,您只拥有了使用权限,并不意味着购买了版权,文档只能用于自身使用,不得用于其他商业用途(如 [转卖]进行直接盈利或[编辑后售卖]进行间接盈利)。
2、本站所有内容均由合作方或网友上传,本站不对文档的完整性、权威性及其观点立场正确性做任何保证或承诺!文档内容仅供研究参考,付费前请自行鉴别。
3、如文档内容存在违规,或者侵犯商业秘密、侵犯著作权等,请点击“违规举报”。

碎片内容

桥梁维护方案及报价教材

确认删除?
VIP
微信客服
  • 扫码咨询
会员Q群
  • 会员专属群点击这里加入QQ群
客服邮箱
回到顶部