电脑桌面
添加小米粒文库到电脑桌面
安装后可以在桌面快捷访问

模型试验方案VIP免费

模型试验方案_第1页
1/3
模型试验方案_第2页
2/3
模型试验方案_第3页
3/3
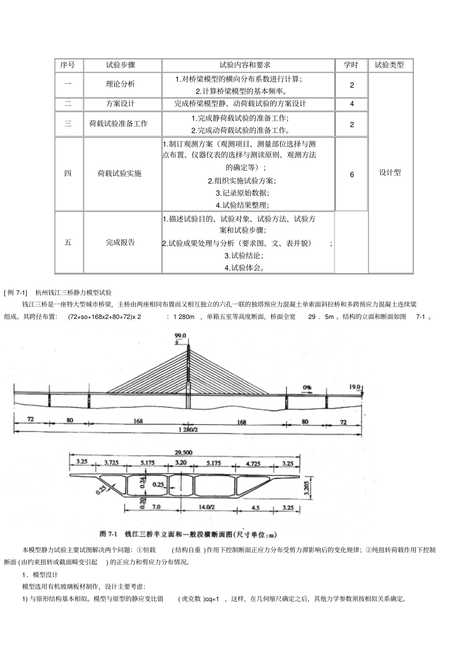
序号试验步骤试验内容和要求学时试验类型一理论分析1.对桥梁模型的横向分布系数进行计算;2.计算桥梁模型的基本频率。2设计型二方案设计完成桥梁模型静、动荷载试验的方案设计4三荷载试验准备工作1.完成静荷载试验的准备工作;2.完成动荷载试验的准备工作。2四荷载试验实施1.制订观测方案(观测项目、测量部位选择与测点布置、仪器仪表的选择与测读原则、观测方法的确定等);2.组织实施试验方案;3.记录原始数据;4.试验结果整理;6五完成报告1.描述试验目的、试验对象、试验方法、试验方案和试验步骤;2.试验成果处理与分析(要求图、文、表并貌);3.试验结论;4.试验体会。[例7-1]杭州钱江三桥静力模型试验钱江三桥是一座特大型城市桥梁,主桥由两座相同布置而又相互独立的六孔一联的独塔预应力混凝土单索面斜拉桥和多跨预应力混凝土连续粱组成。其跨径布置:(72+so+168x2+80+72)x2:1280m,单箱五室等高度断面,桥面全宽29.5m。结构的立面和断面如图7-1。本模型静力试验主要试图解决两个问题:①恒载(结构自重)作用下控制断面正应力分布受剪力滞影响后的变化规律;②纯扭转荷载作用下控制断面(由约束扭转或截面畸变引起)的正应力和剪应力分布情况。1.模型没计模型选用有机玻璃板材制作,设计主要考虑:1)与原形结构基本相似。模型与原型的静应变比值(虎克数)cq=1,这样,在几何缩尺确定之后,其他力学参数须按相似关系确定。2)几何缩尺的确定原则。①为尽可能缩小模型的制作误差和测量误差,应把模型做得大些;②因有机玻璃模型将放在恒温室内进行测试,故它的尺寸上限受恒温室大小的制约。3)控制断面问题。斜拉桥塔根附近断面是计算剪力滞变化最大的,其他如斜拉桥跨中、协作跨支座附近等断面的受力特点也需要搞清楚。最后确定取斜拉桥的半联和连续梁的一跨为原型,几何缩尺定为1/70。设计模型的基本参数如表7—1所列(表中括弧内为原型值)。第133页按上述原则和比例常数等设计的有机玻璃模型全长362cm,宽42.1cm。具体尺寸如图7-2。2.加载试验1)测点布置和测试方式选斜拉桥塔根附近、跨中和连续梁内支座附近、跨中等4个断面为应力测试断面;还选上述两个跨中断面为位移测试断面。按剪力滞测试要求,在4个测试断面上各布置18个单向(正应力方向)应变测点;按截面扭转应力测试要求,在(除斜拉桥跨中以外)3个断面上各布置10组(应变花)平面应变测点。最后综合考虑断面相同、测点位置重复等因素,实际共布置了60组平面应变测点和32个单向应变测点。在斜拉桥和连续梁两个跨中断面上各布置两个竖向位移测点,以测定模型的竖向变位。在连续梁内、外两个支座上各布置两个力传感器,以测定模型支座的反力。顺便指出,布置位移和支座测点的目的,只是为了控制模型试验的加载、变位等整体状态,与本模型的主要测试项目投有直接关系。2)荷载及其施加方式①恒载有机玻璃模型本身的自重略去不计(测量前可利用仪器凋零方法去除),只考虑原型按缩比算得的那部分自重荷载。按表列值算得模型的线均布荷载集度Qm=5.1N/cm,全部模拟恒载为模型全长乘qm,约为1830N。实际施加模拟自重荷载时,把印刷厂废铅字装入40emxlOcm的布袋,沿模型长度方向布满整个桥面。②扭矩因集中力偶的比例尺很大,不能再由原型荷载直接缩到模型上。故实际施加的力偶矩是以满足测量应变的相对精度和方便分级加载条件而设计的。具体在斜拉桥跨内距塔根L/8、L14和连续梁跨内距内支座L/4等三个断面加载时,都采取了不同的荷载分级。

1、当您付费下载文档后,您只拥有了使用权限,并不意味着购买了版权,文档只能用于自身使用,不得用于其他商业用途(如 [转卖]进行直接盈利或[编辑后售卖]进行间接盈利)。
2、本站所有内容均由合作方或网友上传,本站不对文档的完整性、权威性及其观点立场正确性做任何保证或承诺!文档内容仅供研究参考,付费前请自行鉴别。
3、如文档内容存在违规,或者侵犯商业秘密、侵犯著作权等,请点击“违规举报”。

碎片内容

模型试验方案

文库当当响+ 关注
实名认证
内容提供者

该用户很懒,什么也没介绍

确认删除?
VIP
微信客服
  • 扫码咨询
会员Q群
  • 会员专属群点击这里加入QQ群
客服邮箱
回到顶部