电脑桌面
添加小米粒文库到电脑桌面
安装后可以在桌面快捷访问

步进电机试验微机原理VIP免费

步进电机试验微机原理_第1页
1/13
步进电机试验微机原理_第2页
2/13
步进电机试验微机原理_第3页
3/13
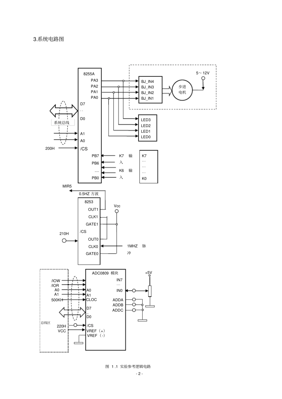
大连理工大学本科设计报告(计算机原理接口实验综合设计)题目:步进电机控制系统设计课程名称:计算机原理实验学院(系):电信专业:自动化班级:电自1301学号:201382062学生姓名:宁博成绩:2015年12月26日-1-题目:步进电机1.设计要求利用实验台上的开关K7控制步进电机的转向,利用电位器控制步进电机的转速。具体要求如下:1.利用D8255A的PA0-PA3做输出,输出步进电机的相序、驱动步进电机工作,相序之间的时间决定着步进电机的转速,而间隔时间由延时程序中的CX寄存器的初值决定。2.利用D8255A的PB7做输入控制转向,与K7连接。其中K7做步进电机的转向控制,用ADC0809实现AD转换,利用电位器控制转速,程序运行时通过K7和电位器对步进电机实施动态控制;3.利用8253做秒脉冲发生器,产生约2秒的周期性方波信号。其中CNT0做分频器:将1MHZ信号分频为100HZ;CNT1做秒脉冲输出(0.5HZ);4.利用386模块的主8259的MIR5做中断请求输入,将CNT1的OUT1秒信号方波作为中断请求信号,引发中断服务ISR;5.在中断服务程序中实现对步进电机的转速、转向实时控制。方法如下:在ISR中,对D8255A的PB口进行一次输入操作,并根据输入的数据:1)对D7(与K7对应)位的数据为步进电机的转向控制;2)ADC0809读入的数据为步进电机的转速控制。2.设计分析及系统方案设计1.使用“寄存器间接寻址”的方式输出相序信号:将步进电机的相序数据定义在数据段当中,使用SI查表(间接寻址)获取相序数据。其中查表顺序决定着电机转动方向;2.对8253进行编程,使OUT1输出2秒周期的脉冲方波信号。为了便于调试,建议使用逻辑笔监测OUT1的输出;3.编制与中断相关的程序。包括中断屏蔽字的设定、中断向量表的创建以及开中断的操作。上述这些操作都应当加到程序的初始化中;4.编写中断服务程序ISR。在ISR中读取D8255A的PB口数据和AD转换的数据,然后进行数据分析、根据数据来调整CX寄存器中的数据,因而改变步进电机的转速和转向。-2-3.系统电路图8253OUT1CLK1GATE1/CSOUT0CLK0GATE01MHZ脉冲K7输入K6输入Vcc210HMIR58255APA3PA2PA1PA0D7··D0A1A0/CSPB7PB6....PB0LED3LED2LED1LED0200H步进电机5~12VBJ_IN4BJ_IN3BJ_IN2BJ_IN1系统总线K7⋯⋯⋯K00.5HZ方波ADC0809模块IN7⋯IN0VREF(-)/CSD7..D0总线区220H/IOW/IORA0A1A1A0500KHCLOCVCCVREF(+)ADDAADDBADDC图1.1实验参考逻辑电路+5V-3-4.外围接口模块硬件电路功能描述8253具有三个独立的16位减法计数器,每个计数器可按照二进制或十进制计数,每个通道都有六种不同的工作方式。8255有3个8位并行I/O口。具有3个通道3种工作方式的可编程并行接口芯片(40引脚)。其各口功能可由软件选择,使用灵活,通用性强。8255可作为主机与多种外设连接时的中间接口电路。ADC0809是8位逐次逼近式A/D模数转换器。其内部有一个8通道多路开关,它可以根据地址码锁存译码后的信号,只选通8路模拟输入信号中的一个进行A/D转换,具有转换起停控制端。模拟输入电压范围0~+5V,不需零点和满刻度校准。-4-5主程序中主要变量说明变量名称内存单元功能FLAGAX转向标志SPEEDSI可调转速SDAL默认转速6.系统软件中各个子程序的功能描述子程序名称入口参数出口参数功能描述serviceio8255_BADC0809SD中断服务DELAY无无延时speedin无无电机按照一定参数转起来-5-7.主程序程序流程图从8255的B口输入数据中断结束命令PB7=1?N修改方向标志Flag=1Y从0809读数据设定CX值ISRD8255A的初始化PA、PB输出8253初始化CNT0方式3、初值CNT1方式2、初值主片8259初始化设置屏蔽字创建35H的中断向量表开中断开始(a)主程序流程图IRET修改方向标志Flag=0Flag=1?顺时驱动(等待中断)逆时驱动(等待中断)(b)中断服务程序流程图图1.2程序流程图建立方向标志Flag=1YN-6-8.程序清单IO_ADDRESSequ200htimeequ210had_ioequ220hdatasegmentorder1db01h,03h,02h,06h,04h,0ch,08h,09horder2db09h,08h.0ch,04h,06h,02h,03h,01hFLAGdb?speeddw0300h,0380h,0480h,0580h,0680h,0780h,0880hSDdw0280h;默认转速dataendscodesegmentassumecs:code,ds:datastart:movax,datamovds,axmovdx,IO_ADDRESSadddx,03moval,82h;B端口输入...

1、当您付费下载文档后,您只拥有了使用权限,并不意味着购买了版权,文档只能用于自身使用,不得用于其他商业用途(如 [转卖]进行直接盈利或[编辑后售卖]进行间接盈利)。
2、本站所有内容均由合作方或网友上传,本站不对文档的完整性、权威性及其观点立场正确性做任何保证或承诺!文档内容仅供研究参考,付费前请自行鉴别。
3、如文档内容存在违规,或者侵犯商业秘密、侵犯著作权等,请点击“违规举报”。

碎片内容

步进电机试验微机原理

爱的疯狂+ 关注
实名认证
内容提供者

该用户很懒,什么也没介绍

确认删除?
VIP
微信客服
  • 扫码咨询
会员Q群
  • 会员专属群点击这里加入QQ群
客服邮箱
回到顶部