电脑桌面
添加小米粒文库到电脑桌面
安装后可以在桌面快捷访问

水利工程常用施工评定资料54VIP免费

水利工程常用施工评定资料54_第1页
1/50
水利工程常用施工评定资料54_第2页
2/50
水利工程常用施工评定资料54_第3页
3/50
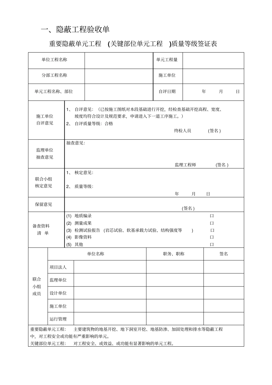
水利工程施工质量评定常用资料表格富阳永安工程监理有限公司二零一六年五月目录一、隐蔽工程验收单...........................................................................-0-二、单元工程质量评定表...................................................................-2-1、土方开挖单元质量评定表.......................................................-3-2、砂砾料填筑单元质量评定表...................................................-6-4、垫层工程单元质量评定表.....................................................-18-5、砂浆砌石体单元质量评定表.................................................-20-6、钻孔灌注桩单元质量评定表.................................................-26-7、堤基清理单元质量评定表.....................................................-30-8、粘土填筑单元质量评定表.....................................................-33-9、砂石垫层单元质量评定表.....................................................-36-10、预制块护坡单元质量评定表...............................................-37-11、帷幕灌浆单元质量评定表....................................................-38-12、套井回填单元质量评定表....................................................-38-三、分部工程质量评定.....................................................................-45-四、单位工程质量评定表.................................................................-46-1、外观质量评定.........................................................................-46-2、单位工程施工质量检验与评定资料核查表.........................-49-3、单位工程质量评定.................................................................-51-一、隐蔽工程验收单重要隐蔽单元工程(关键部位单元工程)质量等级签证表单位工程名称单元工程量分部工程名称施工单位单元工程名称、部位自评日期年月日施工单位自评意见1、自评意见:(已按施工图纸对本段基础进行开挖,经检查基础开挖高程、宽度、坡度均符合设计及规范要求,申请进入下一道工序施工。)2、自评质量等级:合格终检人员(签名)监理单位抽查意见抽查意见:监理工程师(签名)联合小组核定意见1、核定意见:2、质量等级:年月日保留意见(签名)备查资料清单(1)地质编录口(2)测量成果口(3)检测试验报告(岩芯试验、软基承载力试验、结构强度等)口(4)影像资料口(5)其他口联合小组成员单位名称职务、职称签名项目法人监理单位设计单位施工单位运行管理重要隐蔽单元工程:主要建筑物的地基开挖、地下洞室开挖、地基防渗、加固处理和排水等隐蔽工程中,对工程安全或功能有严重影响的单元。关键部位单元工程:对工程安全、或效益、或功能有显著影响的单元工程。隐蔽工程验收单单位工程名称××××××工程分部工程名称堤脚防护工程单元工程名称基础开挖验收部位YD0+315.94~YD0+335.94验收桩号YD0+315.94验收时间20××年×月××日验收内容及简图:开挖底高程(设计值64.94m):实测值64.95m开挖宽度(设计值1600mm):实测值1730mm开挖坡度(设计值1:0.5、1:0.5):实测值1:0.6、1:0.6简图:自检情况和意见:(已按施工图纸对本段基础进行开挖,经检查基础开挖高程、宽度、坡度均符合设计及规范要求,申请进入下一道工序施工。)监理单位验收意见:施工单位初检监理单位复检终检隐蔽资料:每道工序完成,即将被隐蔽的都要进行隐蔽工程验收。验收必须实测数据。如基础开挖、钢筋、截渗墙等。隐蔽验收单的实测数据即为单元评定所填数据的来源。监理必须复测,尤其是高程。二、单元工程质量评定表CB18×××工序/单元工程施工质量报验单(承包[]质报号)合同名称:×××合同编号:致富阳永安工程监理有限公司:×××□工序/□单元工程已按合同要求完成施工,经自检合格,报请贵方复核。附:□工序施工质量评定表□工序施工质量检查、检测记录□单元工程施工质量评定表□...

1、当您付费下载文档后,您只拥有了使用权限,并不意味着购买了版权,文档只能用于自身使用,不得用于其他商业用途(如 [转卖]进行直接盈利或[编辑后售卖]进行间接盈利)。
2、本站所有内容均由合作方或网友上传,本站不对文档的完整性、权威性及其观点立场正确性做任何保证或承诺!文档内容仅供研究参考,付费前请自行鉴别。
3、如文档内容存在违规,或者侵犯商业秘密、侵犯著作权等,请点击“违规举报”。

碎片内容

水利工程常用施工评定资料54

您可能关注的文档

确认删除?
VIP
微信客服
  • 扫码咨询
会员Q群
  • 会员专属群点击这里加入QQ群
客服邮箱
回到顶部