电脑桌面
添加小米粒文库到电脑桌面
安装后可以在桌面快捷访问

污水排放检查记录表VIP免费

污水排放检查记录表_第1页
1/2
污水排放检查记录表_第2页
2/2
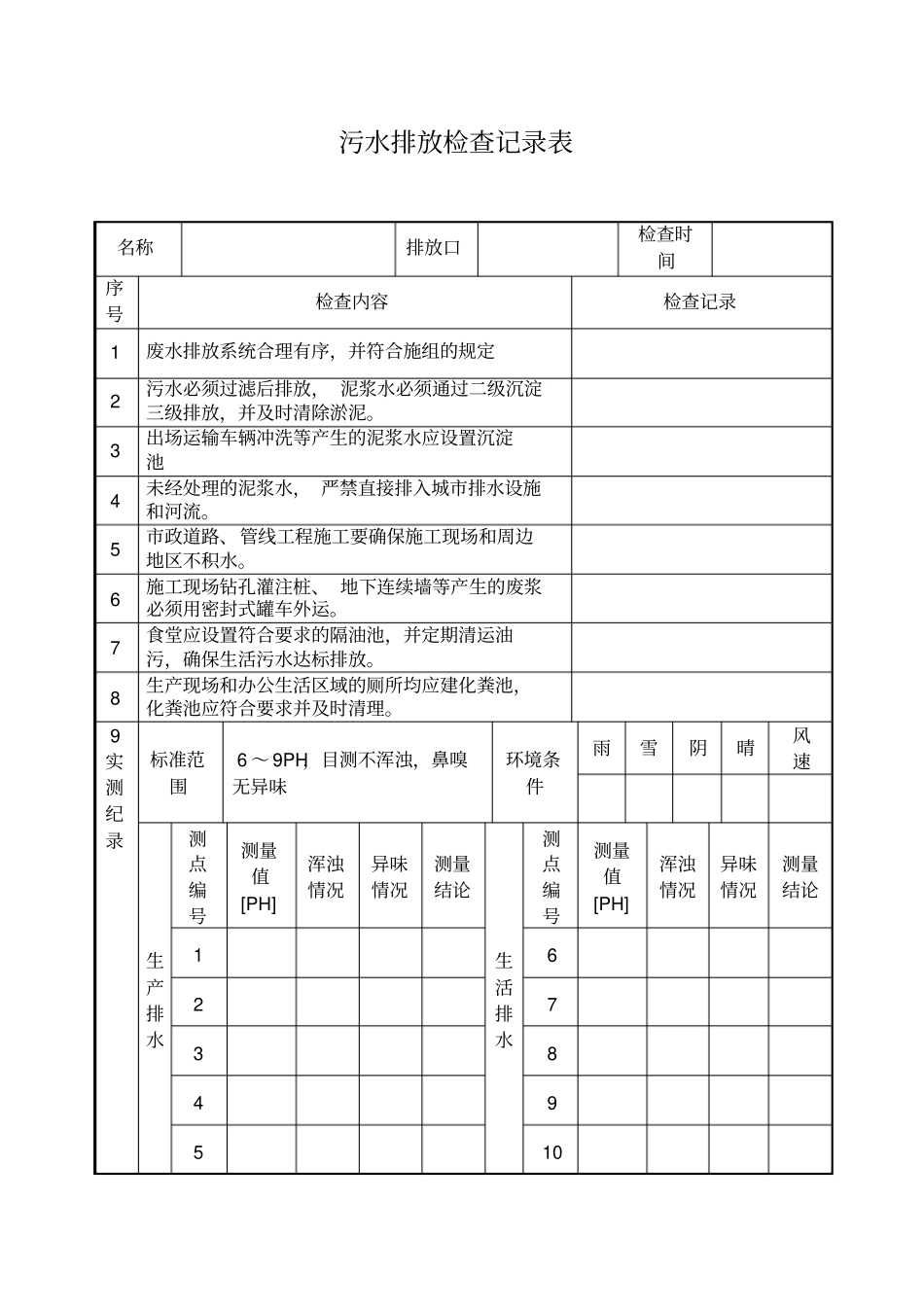
污水排放检查记录表名称排放口检查时间序号检查内容检查记录1废水排放系统合理有序,并符合施组的规定2污水必须过滤后排放,泥浆水必须通过二级沉淀三级排放,并及时清除淤泥。3出场运输车辆冲洗等产生的泥浆水应设置沉淀池4未经处理的泥浆水,严禁直接排入城市排水设施和河流。5市政道路、管线工程施工要确保施工现场和周边地区不积水。6施工现场钻孔灌注桩、地下连续墙等产生的废浆必须用密封式罐车外运。7食堂应设置符合要求的隔油池,并定期清运油污,确保生活污水达标排放。8生产现场和办公生活区域的厕所均应建化粪池,化粪池应符合要求并及时清理。9实测纪录标准范围6~9PH,目测不浑浊,鼻嗅无异味环境条件雨雪阴晴风速生产排水测点编号测量值[PH]浑浊情况异味情况测量结论生活排水测点编号测量值[PH]浑浊情况异味情况测量结论16273849510场界、污水排放管道及测点示意图生活区、食堂污水排放管道及测点示意图测量结论:处理意见:复查意见:检查人员:年月日

1、当您付费下载文档后,您只拥有了使用权限,并不意味着购买了版权,文档只能用于自身使用,不得用于其他商业用途(如 [转卖]进行直接盈利或[编辑后售卖]进行间接盈利)。
2、本站所有内容均由合作方或网友上传,本站不对文档的完整性、权威性及其观点立场正确性做任何保证或承诺!文档内容仅供研究参考,付费前请自行鉴别。
3、如文档内容存在违规,或者侵犯商业秘密、侵犯著作权等,请点击“违规举报”。

碎片内容

污水排放检查记录表

确认删除?
VIP
微信客服
  • 扫码咨询
会员Q群
  • 会员专属群点击这里加入QQ群
客服邮箱
回到顶部