电脑桌面
添加小米粒文库到电脑桌面
安装后可以在桌面快捷访问

汽车的二级维护项目评分实用标准VIP免费

汽车的二级维护项目评分实用标准_第1页
1/8
汽车的二级维护项目评分实用标准_第2页
2/8
汽车的二级维护项目评分实用标准_第3页
3/8
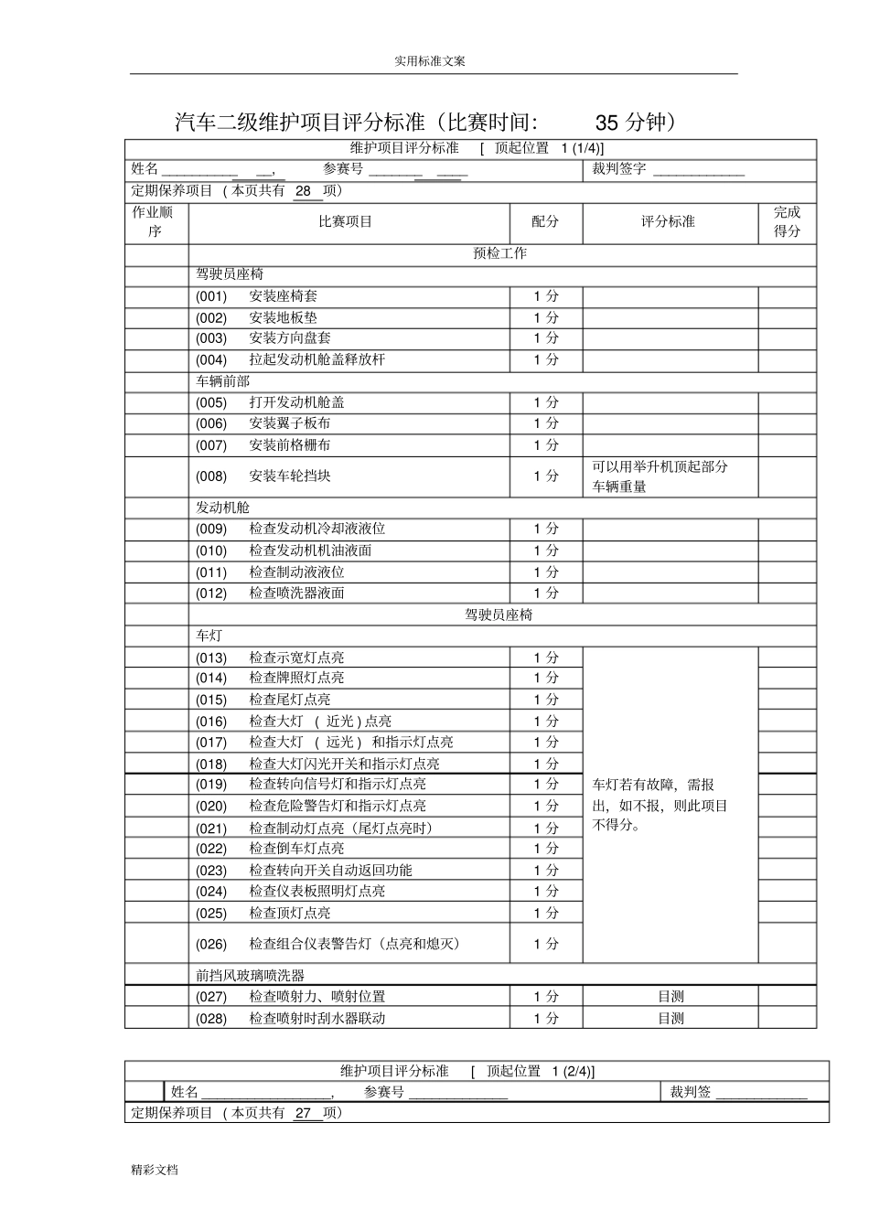
实用标准文案精彩文档汽车二级维护项目评分标准(比赛时间:35分钟)维护项目评分标准[顶起位置1(1/4)]姓名____________,参赛号___________裁判签字____________定期保养项目(本页共有28项)作业顺序比赛项目配分评分标准完成得分预检工作驾驶员座椅(001)安装座椅套1分(002)安装地板垫1分(003)安装方向盘套1分(004)拉起发动机舱盖释放杆1分车辆前部(005)打开发动机舱盖1分(006)安装翼子板布1分(007)安装前格栅布1分(008)安装车轮挡块1分可以用举升机顶起部分车辆重量发动机舱(009)检查发动机冷却液液位1分(010)检查发动机机油液面1分(011)检查制动液液位1分(012)检查喷洗器液面1分驾驶员座椅车灯(013)检查示宽灯点亮1分车灯若有故障,需报出,如不报,则此项目不得分。(014)检查牌照灯点亮1分(015)检查尾灯点亮1分(016)检查大灯(近光)点亮1分(017)检查大灯(远光)和指示灯点亮1分(018)检查大灯闪光开关和指示灯点亮1分(019)检查转向信号灯和指示灯点亮1分(020)检查危险警告灯和指示灯点亮1分(021)检查制动灯点亮(尾灯点亮时)1分(022)检查倒车灯点亮1分(023)检查转向开关自动返回功能1分(024)检查仪表板照明灯点亮1分(025)检查顶灯点亮1分(026)检查组合仪表警告灯(点亮和熄灭)1分前挡风玻璃喷洗器(027)检查喷射力、喷射位置1分目测(028)检查喷射时刮水器联动1分目测维护项目评分标准[顶起位置1(2/4)]姓名_________________,参赛号_____________裁判签____________定期保养项目(本页共有27项)实用标准文案精彩文档作业顺序比赛项目配分评分标准完成得分前挡风玻璃刮水器(029)检查工作情况(低速)1分(030)检查工作情况(高速)1分(031)检查自动回位位置1分(032)检查刮拭状况1分目测喇叭(033)检查工作情况1分需转动方向盘配合检查驻车制动器(034)检查驻车制动杆行程1分(035)检查驻车制动器指示灯点亮1分制动器(036)检查制动器踏板应用状况(响应性)1分(037)检查制动器踏板应用状况(完全踩下)1分(038)检查制动器踏板应用状况(异常噪声)1分(039)检查制动器踏板应用状况(过度松动)1分(040)测量制动踏板高度1分应掀开地板垫测量(041)测量制动踏板自由行程1分(042)测量制动踏板行程余量1分(043)检查制动助力器工作情况1分(044)检查制动助力器真空功能1分方向盘(045)测量自由行程1分(046)检查松驰和摆动1分(047)检查点火开关在ACC位置时,方向盘可否自由转动1分外部检查准备(048)打开行李厢门1分(049)打开燃油盖1分(050)将顶灯开关旋至“DOOR”1分(051)将换挡杆置于空挡1分(052)释放驻车制动杆1分左前车门门控灯开关(053)检查工作情况(顶灯和指示器灯工作情况)1分车身螺母和螺栓实用标准文案精彩文档(054)检查座椅安全带的螺栓和螺母是否松动1分(055)检查座椅的螺栓和螺母是否松动1分(056)检查车门的螺栓和螺母是否松动1分维护项目评分标准[顶起位置1(3/4)]姓名____________,参赛号___________裁判签字____________定期保养项目(本页共有14项)作业顺序比赛项目配分评分标准完成得分左后车门门控灯开关(057)检查工作情况(顶灯和指示灯工作情况)1分油箱盖(058)检查是否变形和损坏1分需报出扭矩限制器是否良好(059)检查连接状况1分后部车灯(060)检查安装状况1分(061)检查是否损坏和有污垢1分备用轮胎(062)检查是否有裂纹和损坏1分(063)检查是否嵌入金属颗粒或其他异物1分(064)测量胎面沟槽深度1分(065)检查是否有异常磨损1分(066)检查气压1分(067)检查是否漏气1分(068)检查钢圈是否损坏或腐蚀1分螺母和螺栓(069)检查行李厢门的螺栓和螺母是否松动1分实用标准文案精彩文档后悬架(070)检查减振器的阻尼状态1分(071)检查车辆倾斜度1分维护项目评分标准[顶起位置1(4/4)]姓名__________参赛号_______裁判签字____________定期保养项目(本页共有7项)作业顺序比赛项目配分评分标准完成得分右后车门门控灯开关(072)检查工作情况(顶灯和指示灯工作情况)1分右前车门门控灯开关(073)检查工作情况(顶灯和指示灯工作情况)1分前部前悬架(074检查减振器的阻尼状态1分(075)检查车辆倾斜度1分灯(076)检查安装状况1分(077)检查是否损坏和有污垢1分发动机舱(078)检查发动机舱盖的螺栓和螺母是否松动1分(...

1、当您付费下载文档后,您只拥有了使用权限,并不意味着购买了版权,文档只能用于自身使用,不得用于其他商业用途(如 [转卖]进行直接盈利或[编辑后售卖]进行间接盈利)。
2、本站所有内容均由合作方或网友上传,本站不对文档的完整性、权威性及其观点立场正确性做任何保证或承诺!文档内容仅供研究参考,付费前请自行鉴别。
3、如文档内容存在违规,或者侵犯商业秘密、侵犯著作权等,请点击“违规举报”。

碎片内容

汽车的二级维护项目评分实用标准

您可能关注的文档

确认删除?
VIP
微信客服
  • 扫码咨询
会员Q群
  • 会员专属群点击这里加入QQ群
客服邮箱
回到顶部