电脑桌面
添加小米粒文库到电脑桌面
安装后可以在桌面快捷访问

沥青混凝土面层报验申请表VIP免费

沥青混凝土面层报验申请表_第1页
1/4
沥青混凝土面层报验申请表_第2页
2/4
沥青混凝土面层报验申请表_第3页
3/4
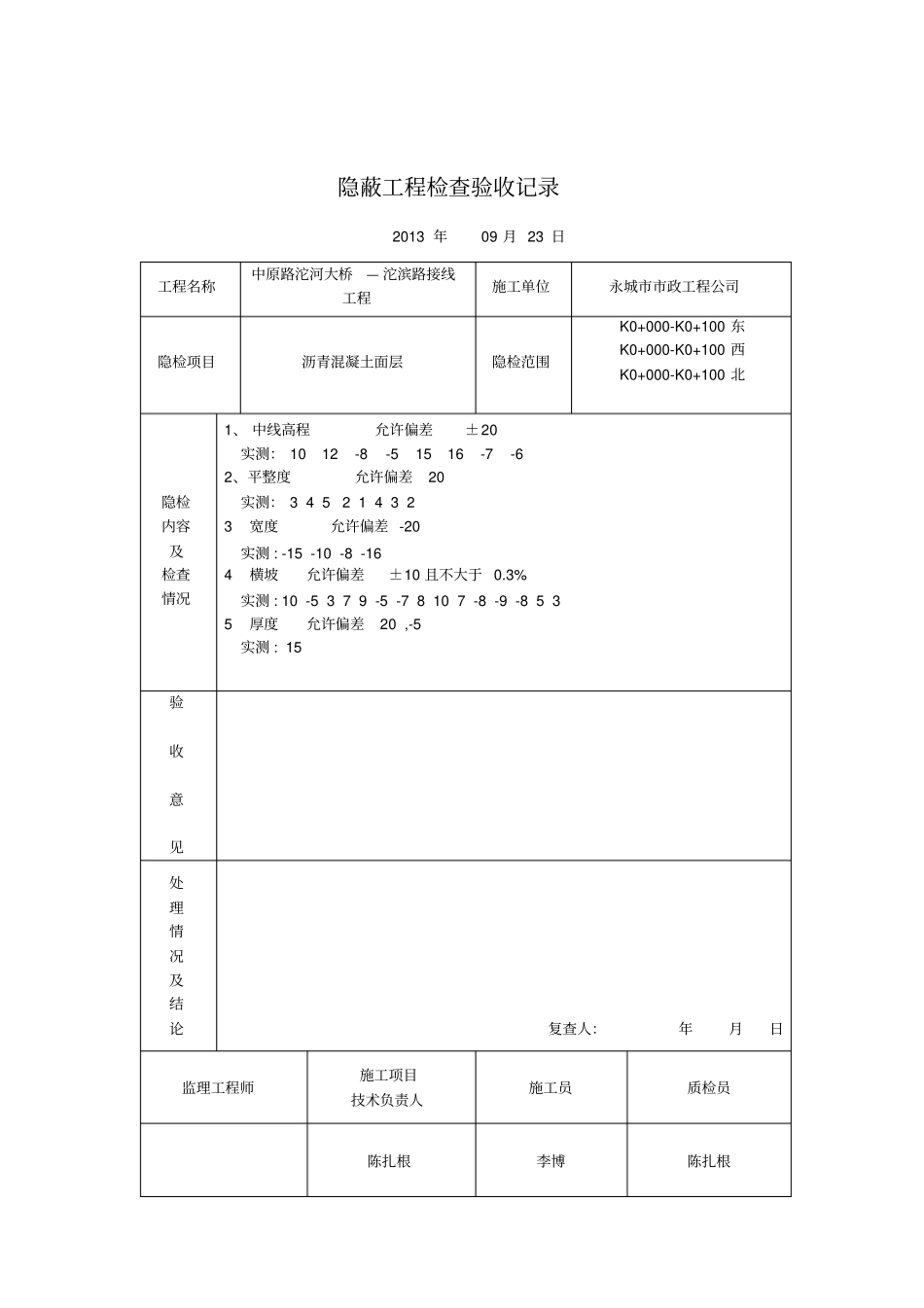
沥青混凝土面层报验申请表工程名称:中原路沱河大桥—沱滨路接线工程编号:致:河南建达工程建设监理公司(监理单位)我单位已完成了中原路沱河大桥—沱滨路接线工程K0+000-K0+100东K0+000-K0+100西K0+000-K0+100北段沥青混凝土面层工程,经我方检验符合设计、规范要求,现报上该工程报验申请表,请予以审查和验收。附件:1、分项/分部工程工序质量评定表。2、沥青混凝土面层现场施工验收记录。3、隐蔽工程验收记录。承包单位(章)项目经理曹明日期2013.09.23审查意见:项目监理机构总/专业监理工程师日期注:本表由承包单位填报,建设单位,监理单位、承包单位各存一份。沥青混凝土面层现场质量检验报告单施工单位:永城市市政工程公司监理单位:河南建达工程建设监理公司编号:工程名称中原路沱河大桥—沱滨路接线工程施工时间2013年09月23日桩号及部位K0+000-K0+100东K0+000-K0+100西K0+000-K0+100北检验时间2013年09月23日项次检验检验规定或允许偏差检验结果检验方法和频率1厚度20,-5合格用尺量以20米为一个检测点2平整度5合格用3米直尺20米为一个检测点3宽度-20合格用钢尺量以40米为一个检测点4中线高程±20合格用钢尺量以20米为一个检测点5横坡±10且不大于0.3%合格用水准仪10米为一个检测点结论:监理工程师:日期:质检员:陈扎根日期:2013.09.23隐蔽工程检查验收记录2013年09月23日工程名称中原路沱河大桥—沱滨路接线工程施工单位永城市市政工程公司隐检项目沥青混凝土面层隐检范围K0+000-K0+100东K0+000-K0+100西K0+000-K0+100北隐检内容及检查情况1、中线高程允许偏差±20实测:1012-8-51516-7-62、平整度允许偏差20实测:345214323宽度允许偏差-20实测:-15-10-8-164横坡允许偏差±10且不大于0.3%实测:10-5379-5-78107-8-9-8535厚度允许偏差20,-5实测:15验收意见处理情况及结论复查人:年月日监理工程师施工项目技术负责人施工员质检员陈扎根李博陈扎根

1、当您付费下载文档后,您只拥有了使用权限,并不意味着购买了版权,文档只能用于自身使用,不得用于其他商业用途(如 [转卖]进行直接盈利或[编辑后售卖]进行间接盈利)。
2、本站所有内容均由合作方或网友上传,本站不对文档的完整性、权威性及其观点立场正确性做任何保证或承诺!文档内容仅供研究参考,付费前请自行鉴别。
3、如文档内容存在违规,或者侵犯商业秘密、侵犯著作权等,请点击“违规举报”。

碎片内容

沥青混凝土面层报验申请表

确认删除?
VIP
微信客服
  • 扫码咨询
会员Q群
  • 会员专属群点击这里加入QQ群
客服邮箱
回到顶部