电脑桌面
添加小米粒文库到电脑桌面
安装后可以在桌面快捷访问

沥青沥青混合料技术全参数VIP免费

沥青沥青混合料技术全参数_第1页
1/8
沥青沥青混合料技术全参数_第2页
2/8
沥青沥青混合料技术全参数_第3页
3/8
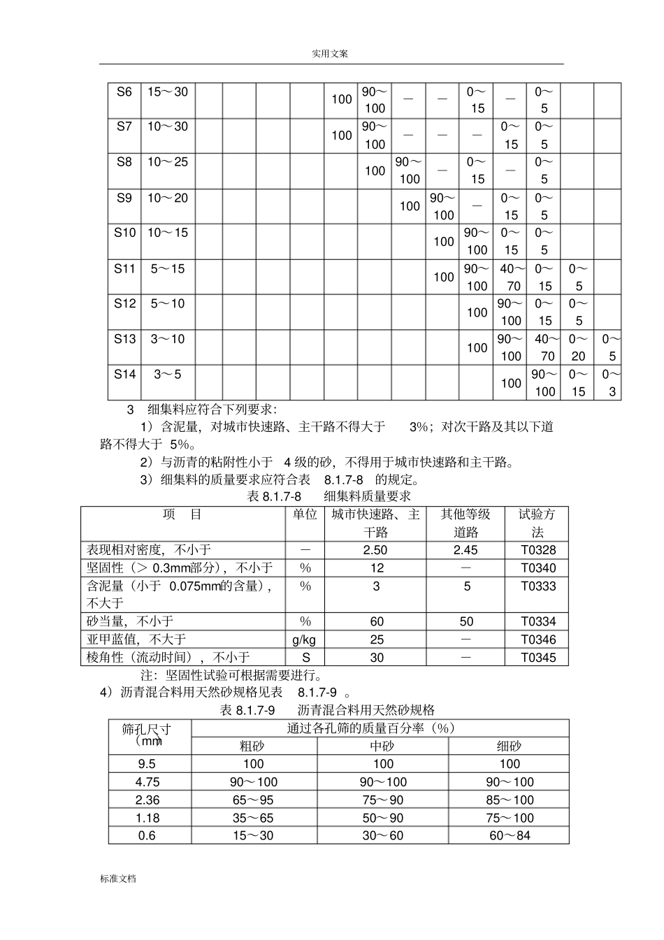
实用文案标准文档表8.1.7-6沥青混合料用粗集料质量技术要求指标单位城市快速路、主干路其他等级道路试验方法表面层其他层次石料压碎值,不大于%262830T0316洛杉矶磨耗损失,不大于%283035T0317表观相对密度,不小于-2.602.52.45T0304吸水率,不大于%2.03.03.0T0304坚固性,不大于%1212-T0314针片状颗粒含量(混合料),不大于其中粒径大于9.5mm,不大于其中粒径小于9.5mm,不大于%%%15121818152020--T0312水洗法<0.075mm颗粒含量,不大于%111T0310软石含量,不大于%355T0320注:1坚固性试验可根据需要进行。2用于城市快速路、主干路时,多孔玄武岩的视密度可放宽至2.45t/m3,吸水率可放宽至3%,但必须得到建设单位的批准,且不得用于SMA路面。3对S14即3~5规格的粗集料,针片状颗粒含量可不予要求,小于0.075mm含量可放宽到3%。4)粗集料的粒径规格应按表8.1.7-7的规定生产和使用。表8.1.7-7沥青混合料用粗集料规格规格名称公称粒径(mm)通过下列筛孔(mm)的质量百分率(%)10675635337.531.526.519.013.29.54.752.360.6S140~7510090~100--0~15-0~5S240~6010090~100-0~15-0~5S330~6010090~100--0~15-0~5S425~5010090~100--0~15-0~5S520~4010090~100--0~15-0~5实用文案标准文档S615~3010090~100--0~15-0~5S710~3010090~100---0~150~5S810~2510090~100-0~15-0~5S910~2010090~100-0~150~5S1010~1510090~1000~150~5S115~1510090~10040~700~150~5S125~1010090~1000~150~5S133~1010090~10040~700~200~5S143~510090~1000~150~33细集料应符合下列要求:1)含泥量,对城市快速路、主干路不得大于3%;对次干路及其以下道路不得大于5%。2)与沥青的粘附性小于4级的砂,不得用于城市快速路和主干路。3)细集料的质量要求应符合表8.1.7-8的规定。表8.1.7-8细集料质量要求项目单位城市快速路、主干路其他等级道路试验方法表现相对密度,不小于-2.502.45T0328坚固性(>0.3mm部分),不小于%12-T0340含泥量(小于0.075mm的含量),不大于%35T0333砂当量,不小于%6050T0334亚甲蓝值,不大于g/kg25-T0346棱角性(流动时间),不小于S30-T0345注:坚固性试验可根据需要进行。4)沥青混合料用天然砂规格见表8.1.7-9。表8.1.7-9沥青混合料用天然砂规格筛孔尺寸(mm)通过各孔筛的质量百分率(%)粗砂中砂细砂9.51001001004.7590~10090~10090~1002.3665~9575~9085~1001.1835~6550~9075~1000.615~3030~6060~84实用文案标准文档0.35~208~3015~450.150~100~100~100.0750~50~50~55)沥青混合料用机制砂或石屑规格见表8.1.7-10。表8.1.7-10沥青混合料用机制砂或石屑规格规格公称粒径(mm)水洗法通过各筛孔的质量百分数(%)9.54.752.361.180.60.30.150.075S150~510090~10060~9040~7520~557~402~200~10S160~3-10080~10050~8025~608~450~250~15注:当生产石屑采用喷水抑制扬尘工艺时,应特别注意含粉量不得超过表中要求。4矿粉应用石灰岩等憎水性石料磨制。当用粉煤灰作填料时,其用量不得超过填料总量50%。沥青混合料用矿粉质量要求应符合表8.1.7-11的规定。表8.1.7-11沥青混合料用矿粉质量要求项目单位城市快速路、主干路其他等级道路试验方法表观密度,不小于t/m32.502.45T0352含水量,不小于%11T0103烘干法粒度范围<0.6mm<0.15mm<0.075mm%%%10090~10075~10010090~10070~100T0351外观-无团粒结块—亲水系数-<1T0353塑性指数%<4T0354加热安定性-实测记录T03555纤维稳定剂应在250°C条件下不变质。不宜使用石棉纤维。木质纤维素技术要求应符合表8.1.7-12的规定。表8.1.7-12木质素纤维技术要求项目单位指标试验方法纤维长度,不大于mm6水溶液用显微镜观测灰分含量%18±5高温590℃~600℃燃烧后测定残留物PH值-7.5±1.0水溶液用PH试纸或PH计测定吸油率,不小于-纤维质量的5倍用煤油浸泡后放在筛上经振敲后称量实用文案标准文档含水率(以质量计),不大于%5105℃烘箱烘2h后的冷却称量8.1.8不同料源、品种、规格的原材料应分别存放,不得混存。8...

1、当您付费下载文档后,您只拥有了使用权限,并不意味着购买了版权,文档只能用于自身使用,不得用于其他商业用途(如 [转卖]进行直接盈利或[编辑后售卖]进行间接盈利)。
2、本站所有内容均由合作方或网友上传,本站不对文档的完整性、权威性及其观点立场正确性做任何保证或承诺!文档内容仅供研究参考,付费前请自行鉴别。
3、如文档内容存在违规,或者侵犯商业秘密、侵犯著作权等,请点击“违规举报”。

碎片内容

沥青沥青混合料技术全参数

您可能关注的文档

爱的疯狂+ 关注
实名认证
内容提供者

该用户很懒,什么也没介绍

确认删除?
VIP
微信客服
  • 扫码咨询
会员Q群
  • 会员专属群点击这里加入QQ群
客服邮箱
回到顶部