电脑桌面
添加小米粒文库到电脑桌面
安装后可以在桌面快捷访问

泡沫混凝土板屋面保温施工方案VIP免费

泡沫混凝土板屋面保温施工方案_第1页
1/15
泡沫混凝土板屋面保温施工方案_第2页
2/15
泡沫混凝土板屋面保温施工方案_第3页
3/15
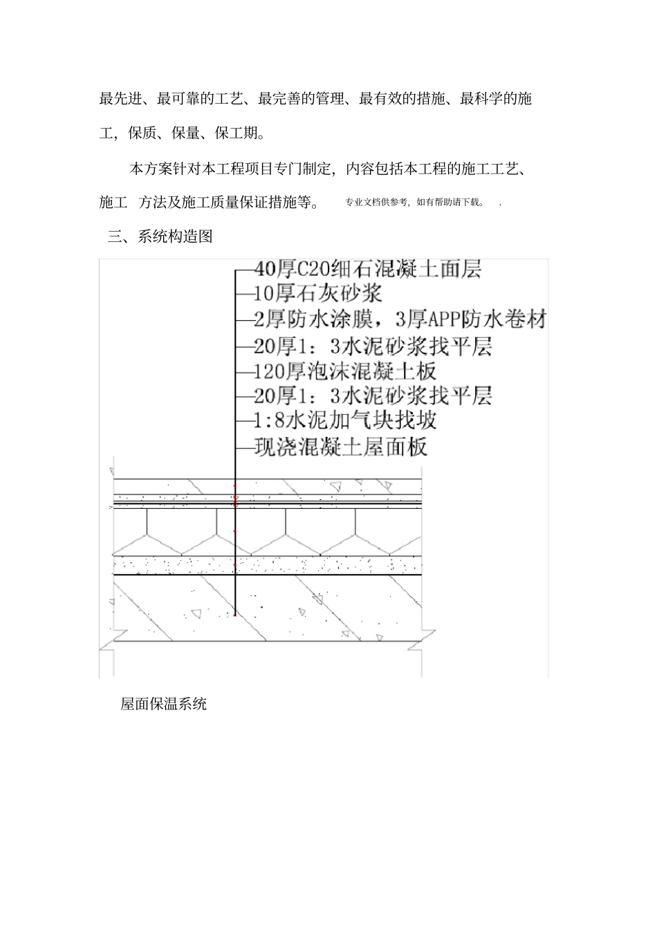
一、编制依据《建筑节能工程施工质量验收规程》DGJ08-113-2009《屋面工程质量验收规范》GB50207-2012《屋面保温隔热用泡沫混凝土》JC/T21525-2012《民用建筑外保温系统及外墙装饰防火暂行规定》公通字【2009】46号二、工程概况及编制说明1、工程名称:标准厂房四期项目2、工程地点:标准厂房四期项目工程用地位于上海市奉贤区星火开发区1街坊19/5丘地块,东至阳明路和莲塘路,南至O-3未转让地块,西至金汇港,北至中心河。3、建设单位:上海浦东星火开发区联合发展有限公司设计单位:上海经纬建筑规划设计研究院有限公司施工单位:上海住豪建筑工程有限公司监理单位:上海永宏工程建设监理有限公司4、整个场地用地性质为工业用地,用地面积为66667.4平方米。屋面保温类型:粘结砂浆+120厚泡沫混凝土板。为加强工程质量管理,确保施工质量,提高材料使用的技术、经济效益,特制定本方案。为确保把屋面保温工程建设成一个高质量工程,施工是重要环节,为此针对本工程实际的特点,我们力求最先进、最可靠的工艺、最完善的管理、最有效的措施、最科学的施工,保质、保量、保工期。本方案针对本工程项目专门制定,内容包括本工程的施工工艺、施工方法及施工质量保证措施等。专业文档供参考,如有帮助请下载。.三、系统构造图屋面保温系统序号基层混凝土屋面板1找坡层1:8水泥加气块找坡层防水卷材施工2保温层厚泡沫混凝土保温板1203找平层水泥砂浆1:34防水层APP防水卷材厚2厚防水涂膜和3浇细石混凝土面层5七、施工要点刚性面层细石混凝土40厚C20验收四、组成材料介绍、泡沫混凝土板1泡沫玻璃是一种新型的环保、健康、安全、长久的建筑节能材料,它专业文档供参考,如有帮助请下载。.是采用普通混凝土硅酸盐水泥、硅灰等为主要胶凝材料,掺入纤维、外加剂等加水搅拌后,经发泡、养护、切割而成的一种轻质保温材料。泡沫混凝土板适用于各种建筑物的保温隔热、防水防火,甚至适用于各种苛刻的环境,长期使用性能不降低,使用寿命与建筑物同步。泡沫混凝土板具有不燃烧、不老化、密度小、导热系数小、不吸水、无毒无害、安全环保等优点。本工程采用的泡沫混凝土板厚度为120mm,导热系数为0.065W/M.K,密度为250KG/M3,蓄热系数1.86W/m2.K,修正系数为1.25。2、粘结砂浆由粉料、水泥、石英砂和添加剂组成的干粉砂浆,与洁净水和成厚浆,作粘接胶浆使用。具有良好的柔韧性,干凝后与常规材料墙面和泡沫混凝土具有较高的粘接强度。五、施工条件1、施工现场应通电、通水、并保持工作环境的清洁。基层屋面必须清理干净、平整、无浮灰、油污等妨碍粘结的物质。基层屋面应达到《建筑工程质量检验评定标准》(GBJ301-88)。抹灰层与找坡层之间必须粘结牢固,无空鼓、松动、脱层等不良现象。屋面防水层必须铺设完毕。2、工作地点环境温度和屋面表面温度连续24小时中的最低温度均不得低于5摄氏度,风力不大于5级。雨天不允许施工。3、冬季施工时应采取防冻措施。4、材料准备材料进场和施工人员进场按照工地要求实施安排。材料堆放整齐,并专业文档供参考,如有帮助请下载。.做好材料的防潮防晒,粉体材料注意防雨水。6、施工工具抹刀、槽抹子、靠尺、700~1000r/min电动搅拌器、刷子、多用刀、灰粒度粗砂纸的打磨抹子。浆托板、拉线、开槽器、皮尺、粘有>20六、施工工序基层处理验收合格弹控制线配制聚合物粘结砂浆粘贴泡沫混凝土板验收合格1、弹控制线用经纬仪或水平管沿屋面四周弹水平线,并拉高度控制线。2、配制粘结砂浆专业文档供参考,如有帮助请下载。.A、将25公斤干粉胶粘剂分批倒入装有约5.5公斤洁净水的容器(重量配合比,灰:水=1:0.21),采用700~1000r/min电动搅拌器充分搅拌均匀;静置5分钟后,视其和易性,再搅拌一次。观察检查:搅拌好的粘结砂浆色泽均匀、状态良好、新鲜、稠度适宜。B.应根据气候情况掌握胶浆稠度,以易施工、不流淌为度,严格控制加入水量。C.现场胶浆中不得再掺加任何其它添加剂。D.每次调配胶浆不得过多,视在不同温度环境条件下,在1~2小时内用完。3、粘贴泡沫混凝土板A.标准尺寸的泡沫混凝土板300*300*120。B.如有变形缝时,应标出变形缝及变形缝宽度。C...

1、当您付费下载文档后,您只拥有了使用权限,并不意味着购买了版权,文档只能用于自身使用,不得用于其他商业用途(如 [转卖]进行直接盈利或[编辑后售卖]进行间接盈利)。
2、本站所有内容均由合作方或网友上传,本站不对文档的完整性、权威性及其观点立场正确性做任何保证或承诺!文档内容仅供研究参考,付费前请自行鉴别。
3、如文档内容存在违规,或者侵犯商业秘密、侵犯著作权等,请点击“违规举报”。

碎片内容

泡沫混凝土板屋面保温施工方案

您可能关注的文档

确认删除?
VIP
微信客服
  • 扫码咨询
会员Q群
  • 会员专属群点击这里加入QQ群
客服邮箱
回到顶部