电脑桌面
添加小米粒文库到电脑桌面
安装后可以在桌面快捷访问

液化石油气工艺VIP免费

液化石油气工艺_第1页
1/22
液化石油气工艺_第2页
2/22
液化石油气工艺_第3页
3/22
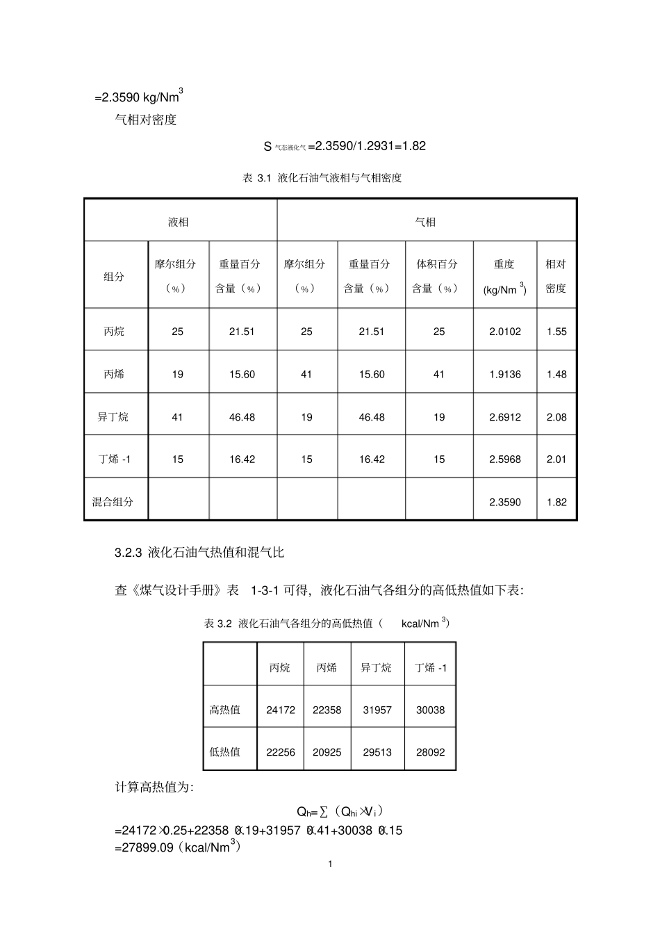
工艺计算及选型3.1设计条件液化石油气组分(mol﹪):丙烷(C3H8)25﹪,丙烯(C3H6)19﹪异丁烷(C4H10)41﹪,丁烯-1(C4H8)15﹪液化石油气流量:3500kg/h气化器热水进口温度:90℃,回水温度:70℃混合气出口压力:0.2MPa,混合气热值:50200kJ/Nm33.2液化石油气特性参数计算3.2.1液化石油气组分液化石油气各组分重量比为:丙烷:丙烯:异丁烷:丁烯-1=0.25×44.10:0.19×42.08:0.41×58.12:0.15×56.11=11.03:8.00:23.83:8.42故液化石油气各组分的重量百分含量为:丙烷%=(11.03/51.28)×100%=21.51%丙烯%=(8.00/51.28)×100%=15.60%异丁烷%=(23.83/51.28)×100%=46.47%丁烯-1%=(8.42/51.28)×100%=16.42%3.2.2液化石油气密度查《煤气设计手册》表1-1-1,液化石油气各组分蒸汽及空气在标准状态下的重度为:γ丙烷=2.0102kg/Nm3,γ丙烯=1.9136kg/Nm3,γ异丁烷=2.6912kg/Nm3,γ丁烯-1=2.5968kg/Nm3,γ空气=1.2931kg/Nm3由以上数据可以计算得标准状态下气相液化石油气的重度为:γ=2.0102×0.25+1.9136×0.19+2.6912×0.41+2.5968×0.151=2.3590kg/Nm3气相对密度S气态液化气=2.3590/1.2931=1.82表3.1液化石油气液相与气相密度液相气相组分摩尔组分(﹪)重量百分含量(﹪)摩尔组分(﹪)重量百分含量(﹪)体积百分含量(﹪)重度(kg/Nm3)相对密度丙烷2521.512521.51252.01021.55丙烯1915.604115.60411.91361.48异丁烷4146.481946.48192.69122.08丁烯-11516.421516.42152.59682.01混合组分2.35901.823.2.3液化石油气热值和混气比查《煤气设计手册》表1-3-1可得,液化石油气各组分的高低热值如下表:表3.2液化石油气各组分的高低热值(kcal/Nm3)丙烷丙烯异丁烷丁烯-1高热值24172223583195730038低热值22256209252951328092计算高热值为:Qh=∑(Qhi×Vi)=24172×0.25+22358×0.19+31957×0.41+30038×0.15=27899.09(kcal/Nm3)2=116807.91(kJ/Nm3)低热值为:Qe=∑(Qei×Vi)=22256×0.25+20925×0.19+29513×0.41+28092×0.15=25853.88(kcal/Nm3)=108245.02(kJ/Nm3)已知混合气的热值为:50200kJ/Nm3,设混气比为X代入Q和Qe,计算得:X=1.163.2.4华白数3.2.5露点1气化器露点温度的计算设外界环境温度为0℃,查《煤气设计手册》得:表3.3液相单组份饱和蒸汽压名称Xqi(﹪)Pyi(kg/cm2)丙烷254.66丙烯195.75异丁烷411.53丁烯-1151.27混合气饱和蒸汽压P=∑XyiPyi=0.3MPaPym=0.3+.0.5=0.8MPa假设露点温度为45℃,查《煤气设计手册》表1-1-16并求得如下:3表3.4气化器露点试算(45℃)名称Xqi(%)Pyi(kg/cm2)Ki=Pyi/PymXyi/100=Xqi/Ki∑(Xyi/100)丙烷2515.521.9013.16102.06丙烯1918.172.238.52异丁烷415.900.7256.94丁烯-1155.220.6423.44再设温度为50℃表3.5气化器露点试算(50℃)名称Xqi(%)Pyi(kg/cm2)Ki=Pyi/PymXyi/100=Xqi/Ki∑(Xyi/100)丙烷2517.442.1311.7489.92丙烯1920.282.497.63异丁烷416.690.8250丁烯-1155.940.7320.55由表中数据得,45℃时∑(Xyi/100)为102.0650℃时∑(Xyi/100)为89.92当∑(Xyi/100)为100时所对应的温度即为露点温度。用内插法得,气化器的露点温度为46℃43.3设备工艺计算及选型3.3.1液化气储罐《城镇燃气设计规范》规定,储罐在储存液化气时,其充装系数应为0.9,即最大充装率为0.9。《压力容器安全技术监察规程》规定,我国液化石油气储罐的设计压力为1.8MPa,设计温度为-19℃~50℃。在50℃下,液态丙烷与异丁烷的重度查《煤气设计手册》表1-1-5得γ丙烷=0.4513kg/L,γ丙烯=0.5044kg/L,γ异丁烷=0.5181kg/L,γ丁烯-1=0.5422kg/L50℃下,液态液化石油气各组分的体积百分含量:丙烷:丙烯:异丁烷:丁烯-1=(11.03/0.4513):(8/0.5044):(23.83/0.5181):(8.42/0.5422)=24.44:15.86:45.99:15.53即:丙烷%=(24.44/101.82)×100%=24.00%丙烯%=(15.86/101.82)×100%=15.58%异丁烷%=(45.99/101.28)×100%=45.17%丁烯-1%=(15.53/101.28)×100%=15.25%由上可得液化石油气液相的平均重度为:γy=0.4513×0.2400+0.5044×0.1558+0.5181×0.4517+0.5422×0.1525=0.5306(kg/L)=503.6(kg/m3)则总容量:式中...

1、当您付费下载文档后,您只拥有了使用权限,并不意味着购买了版权,文档只能用于自身使用,不得用于其他商业用途(如 [转卖]进行直接盈利或[编辑后售卖]进行间接盈利)。
2、本站所有内容均由合作方或网友上传,本站不对文档的完整性、权威性及其观点立场正确性做任何保证或承诺!文档内容仅供研究参考,付费前请自行鉴别。
3、如文档内容存在违规,或者侵犯商业秘密、侵犯著作权等,请点击“违规举报”。

碎片内容

液化石油气工艺

您可能关注的文档

确认删除?
VIP
微信客服
  • 扫码咨询
会员Q群
  • 会员专属群点击这里加入QQ群
客服邮箱
回到顶部