电脑桌面
添加小米粒文库到电脑桌面
安装后可以在桌面快捷访问

液压功率计算公式VIP免费

液压功率计算公式_第1页
1/3
液压功率计算公式_第2页
2/3
液压功率计算公式_第3页
3/3
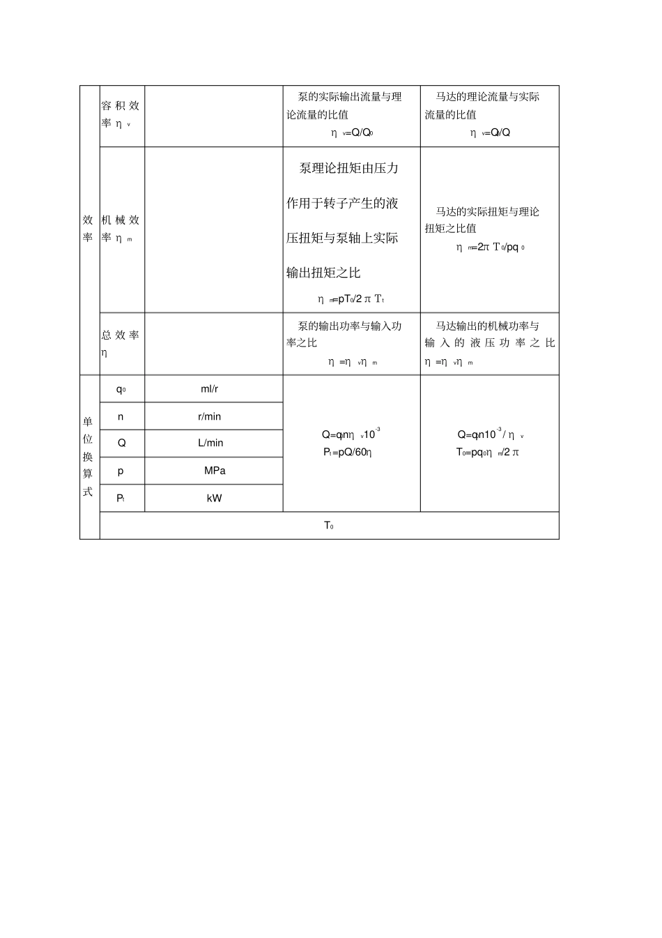
请问液压功率计算公式为何有两种N=P*Q/(60η)KW,压力P单位MPa,流量Q单位L/min,η为油泵总效率和N=P*Q/612ηKW,压力P单位kgf/cm2,流量Q单位L/min,η为油泵总效率。为何一个除60η,一个除612η60η和612η是如何而来液压泵的常用计算公式参数名称单位计算公式符号说明流量L/minV—排量(mL/r)n—转速(r/min)q0—理论流量(L/min)q—实际流量(L/min)输入功率kWPi—输入功率(kW)T—转矩(N·m)输出功率kWP0—输出功率(kW)p—输出压力(MPa)容积效率%η0—容积效率(%)机械效率%ηm—机械效率(%)总效率%η—总效率(%)液压泵和液压马达的主要参数及计算公式液压泵和液压马达的主要参数及计算公式参数名称单位液压泵液压马达排量、流量排量q0m3/r每转一转,由其密封腔内几何尺寸变化计算而得的排出液体的体积理论流量Q0m3/s泵单位时间内由密封腔内几何尺寸变化在单位时间内为形成指定转速,液压马达封闭腔容积变化所需要的流量Q0=q0n/60计算而得的排出液体的体积Q0=q0n/60实际流量Q泵工作时出口处流量Q=q0nηv/60马达进口处流量Q=q0n/60ηv压力额定压力Pa在正常工作条件下,按试验标准规定能连续运转的最高压力最高压力pmax按试验标准规定允许短暂运行的最高压力工作压力p泵工作时的压力转速额定转速nr/min在额定压力下,能连续长时间正常运转的最高转速最高转速在额定压力下,超过额定转速而允许短暂运行的最大转速最低转速正常运转所允许的最低转速同左(马达不出现爬行现象)功率输入功率PtW驱动泵轴的机械功率Pt=pQ/η马达入口处输出的液压功率Pt=pQ输出功率P0泵输出的液压功率,其值为泵实际输出的实际流量和压力的乘积P0=pQ马达输出轴上输出的机械功率P0=pQη机械功率Pt=πTn/30P0=πTn/30T–压力为p时泵的输入扭矩或马达的输出扭矩,N.m扭矩理论扭矩N.m液体压力作用下液压马达转子形成的扭矩实际扭矩液压泵输入扭矩TtTt=pq0/2πηm液压马达轴输出的扭矩T0T0=pq0ηm/2π效率容积效率ηv泵的实际输出流量与理论流量的比值ηv=Q/Q0马达的理论流量与实际流量的比值ηv=Q0/Q机械效率ηm泵理论扭矩由压力作用于转子产生的液压扭矩与泵轴上实际输出扭矩之比ηm=pT0/2πTt马达的实际扭矩与理论扭矩之比值ηm=2πT0/pq0总效率η泵的输出功率与输入功率之比η=ηvηm马达输出的机械功率与输入的液压功率之比η=ηvηm单位换算式q0ml/rQ=q0nηv10-3Pt=pQ/60ηQ=q0n10-3/ηvT0=pq0ηm/2πnr/minQL/minpMPaPtkWT0

1、当您付费下载文档后,您只拥有了使用权限,并不意味着购买了版权,文档只能用于自身使用,不得用于其他商业用途(如 [转卖]进行直接盈利或[编辑后售卖]进行间接盈利)。
2、本站所有内容均由合作方或网友上传,本站不对文档的完整性、权威性及其观点立场正确性做任何保证或承诺!文档内容仅供研究参考,付费前请自行鉴别。
3、如文档内容存在违规,或者侵犯商业秘密、侵犯著作权等,请点击“违规举报”。

碎片内容

液压功率计算公式

文库当当响+ 关注
实名认证
内容提供者

该用户很懒,什么也没介绍

相关文档

确认删除?
VIP
微信客服
  • 扫码咨询
会员Q群
  • 会员专属群点击这里加入QQ群
客服邮箱
回到顶部