电脑桌面
添加小米粒文库到电脑桌面
安装后可以在桌面快捷访问

灌溉与排水工程分项工程质量检验评定表总VIP免费

灌溉与排水工程分项工程质量检验评定表总_第1页
1/27
灌溉与排水工程分项工程质量检验评定表总_第2页
2/27
灌溉与排水工程分项工程质量检验评定表总_第3页
3/27
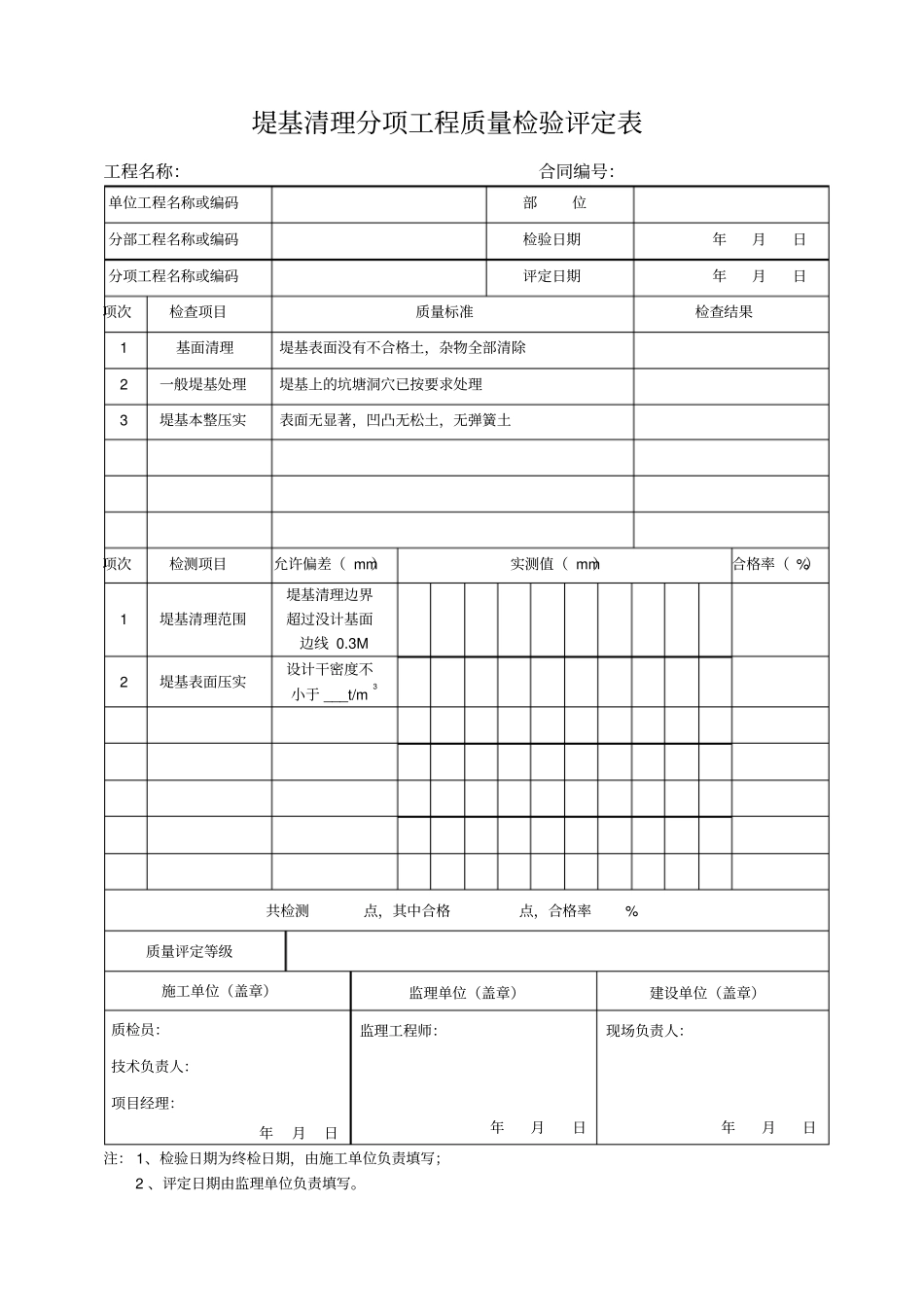
U型槽护砌分项工程质量检验评定表工程名称:合同编号:单位工程名称或编码部位分部工程名称或编码检验日期年月日分项工程名称或编码评定日期年月日项次检查项目质量标准检查结果1U型槽尺寸尺寸准确,整齐统一,表面清洁光滑2砂、卵石、水泥、品种、质量符合国家有关标准3砼配合比按砼强度C15确定配合比,拌和时间符合规范要求4安砌平整、稳定、缝线规则5抹面和勾缝M7.5水泥砂浆抹面,无裂缝,脱皮现象6回填压实符合规范要求项次检测项目允许偏差(mm)实测值(mm)合格率(%)1开挖断面尺寸(深度、上下宽度)0~502压边砼断面尺寸±303压边砼表面平整度±10共检测点,其中合格点,合格率%质量评定等级施工单位(盖章)监理单位(盖章)建设单位(盖章)质检员:技术负责人:项目经理:年月日监理工程师:年月日现场负责人:年月日注:1、检验日期为终检日期,由施工单位负责填写;2、评定日期由监理单位负责填写。坝体分项工程质量检验评定表工程名称:合同编号:单位工程名称或编码部位分部工程名称或编码检验日期年月日分项工程名称或编码评定日期年月日项次检查项目质量标准检查结果1坝体外形尺寸不小于设计要求2砂浆或砼强度满足设计要求项次检测项目允许偏差(mm)实测值(mm)合格率(%)1顶面标高(mm)±402平整度±40共检测点,其中合格点,合格率%质量评定等级施工单位(盖章)监理单位(盖章)建设单位(盖章)质检员:技术负责人:项目经理:年月日监理工程师:年月日现场负责人:年月日注:1、检验日期为终检日期,由施工单位负责填写;2、评定日期由监理单位负责填写。堤基清理分项工程质量检验评定表工程名称:合同编号:单位工程名称或编码部位分部工程名称或编码检验日期年月日分项工程名称或编码评定日期年月日项次检查项目质量标准检查结果1基面清理堤基表面没有不合格土,杂物全部清除2一般堤基处理堤基上的坑塘洞穴已按要求处理3堤基本整压实表面无显著,凹凸无松土,无弹簧土项次检测项目允许偏差(mm)实测值(mm)合格率(%)1堤基清理范围堤基清理边界超过没计基面边线0.3M2堤基表面压实设计干密度不小于___t/m3共检测点,其中合格点,合格率%质量评定等级施工单位(盖章)监理单位(盖章)建设单位(盖章)质检员:技术负责人:项目经理:年月日监理工程师:年月日现场负责人:年月日注:1、检验日期为终检日期,由施工单位负责填写;2、评定日期由监理单位负责填写。干砌石护坡分项工程质量检验评定表工程名称:合同编号:单位工程名称或编码部位分部工程名称或编码检验日期年月日分项工程名称或编码评定日期年月日项次检查项目质量标准检查结果1面石用料质地竖硬无风化,单块重≥25kg,最小边长≥20cm2腹石筑砌排紧填严,无淤泥杂质3面石砌筑禁止使用小块石、不得有通缝、对缝、浮石、空洞4缝宽无宽度在1.5cm以上,长度在0.5cm以上的连续缝项次检测项目允许偏差(mm)实测值(mm)合格率(%)1砌石厚度±10%2坡面平整度±50共检测点,其中合格点,合格率%质量评定等级施工单位(盖章)监理单位(盖章)建设单位(盖章)质检员:技术负责人:项目经理:年月日监理工程师:年月日现场负责人:年月日注:1、检验日期为终检日期,由施工单位负责填写;2、评定日期由监理单位负责填写。钢筋制安分项工程质量检验评定表工程名称:合同编号:单位工程名称或编码部位分部工程名称或编码检验日期年月日分项工程名称或编码评定日期年月日项次检查项目质量标准检查结果1材质钢筋的品种和规格、质量以及接头必须符合设计要求及有关标准化的规定,进入现场的钢材必须持有出厂质量证明和相应资质的检测机构的复试合格报告2钢筋表面钢筋的表面必须清洁,带有颗粒状或老锈,经防锈后仍留有麻点的钢筋,严禁按原规格使用3钢筋的弯折和弯钩其弯折的园弧半径和弯钩尺寸应符合有关规范规定4钢筋成型钢筋骨架的钢筋规格、根数和锚固长度必须符合设计要求,同一截面受力钢筋接头的设置和绑扎接头的搭接长度必须符合设计要求和有关规范要求5钢筋绑扎钢筋骨架应绑扎牢固,绑扎铁丝头不得伸入钢筋保护层内,缺扣、松扣数不应超过绑扎数的10%,且不应集中,钢筋保护层垫块应垫紧扎牢...

1、当您付费下载文档后,您只拥有了使用权限,并不意味着购买了版权,文档只能用于自身使用,不得用于其他商业用途(如 [转卖]进行直接盈利或[编辑后售卖]进行间接盈利)。
2、本站所有内容均由合作方或网友上传,本站不对文档的完整性、权威性及其观点立场正确性做任何保证或承诺!文档内容仅供研究参考,付费前请自行鉴别。
3、如文档内容存在违规,或者侵犯商业秘密、侵犯著作权等,请点击“违规举报”。

碎片内容

灌溉与排水工程分项工程质量检验评定表总

您可能关注的文档

确认删除?
VIP
微信客服
  • 扫码咨询
会员Q群
  • 会员专属群点击这里加入QQ群
客服邮箱
回到顶部