电脑桌面
添加小米粒文库到电脑桌面
安装后可以在桌面快捷访问

火车站站房金属屋面施工方案VIP免费

火车站站房金属屋面施工方案_第1页
1/28
火车站站房金属屋面施工方案_第2页
2/28
火车站站房金属屋面施工方案_第3页
3/28
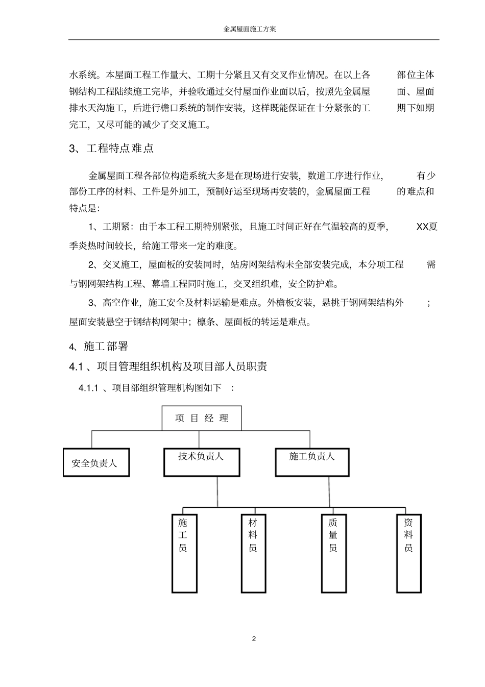
金属屋面施工方案目录1、编制依据....................................................12、工程概况....................................................13、工程特点难点................................................24、施工部署....................................................24.1、项目管理组织机构及项目部人员职责.................................24.2、劳动力筹备.......................................................34.3、技术准备.........................................................34.4、机械设备进场计划.................................................44.5、施工材料准备.....................................................44.6、现场平面布置及施工总体安排.......................................55、施工方法和工艺..............................................7屋面示意图............................................................75.1、测量放线.........................................................85.2、金属屋面安装工艺.................................................95.3、屋面节点处理....................................................165.4、屋面避雷设施的安装..............................................206、质量保证措施...............................................216.16.26.3施工过程管理措施................................................21屋面板加工制作及安装的控制......................................23屋面整体外观的检测..............................................247、成品保护措施...............................................248、安全、文明施工措施.........................................258.1、安全、文明生产管理目标..........................................268.2、安全、文明生产管理制度..........................................268.3、安全、文明生产管理措施..........................................26金属屋面施工方案1、编制依据(1)工程应用的主要规程、规范、标准类别名称编号国标屋面工程技术规范GB50345-2012建筑工程施工质量验收统一标准GB50300-2001钢结构工程施工质量验收规范GB50205-2001屋面工程质量验收规范(GB50207-2002)GB50207-2002建筑结构荷载规范GB50009-2001建筑抗震设计规范GB50011-2001紧固件机械性能自钻自攻螺钉GB/T3098.11-2002建筑用硅酮结构密封胶GB16776屋面工程质量验收规范GB50207-2012行业压型金属板设计施工规程YBJ216-88(2)其它序号名称1本工程施工组织设计及建筑图2本专业施工蓝图2、工程概况本工程位于XX市火车站,站房中心里程为K183+356.80,站房总建筑面积24995㎡,最高聚集人数7000人。建筑结构形式为钢筋混凝土框架结构+钢结构网架屋面,耐火等级为二级,屋面防水等级为II级。金属屋面工程主要涵盖了以下施工内容:金属屋面系统、屋面不锈钢天沟系统、铝板檐口系统等。金属屋面板采用铝镁锰360°直立锁边结构,屋面排水采用虹吸式排1金属屋面施工方案水系统。本屋面工程工作量大、工期十分紧且又有交叉作业情况。在以上各部位主体钢结构工程陆续施工完毕,并验收通过交付屋面作业面以后,按照先金属屋面、屋面排水天沟施工,后进行檐口系统的制作安装,这样既能保证在十分紧张的工期下如期完工,又尽可能的减少了交叉施工。3、工程特点难点金属屋面工程各部位构造系统大多是在现场进行安装,数道工序进行作业,有少部份工序的材料、工件是外加工,预制好运至现场再安装的,金属屋面工程的难点和特点是:1、工期紧:由于本工程工期特别紧张,且施工时间正好在气温较高的夏季,XX夏季炎热时间较长,给施工带来一定的难度。2、交叉施工,屋面板的安装同时,站房网架结构未全部安装完成,本分项工程需与钢网架结构工程、幕墙工程同时施工,交叉组织难,安全防护难。3、高空作业,施工安全及材料运输是难点。外檐板安装,悬挑于钢网架结构外;屋面安装悬空于钢结构网架中;檩条、...

1、当您付费下载文档后,您只拥有了使用权限,并不意味着购买了版权,文档只能用于自身使用,不得用于其他商业用途(如 [转卖]进行直接盈利或[编辑后售卖]进行间接盈利)。
2、本站所有内容均由合作方或网友上传,本站不对文档的完整性、权威性及其观点立场正确性做任何保证或承诺!文档内容仅供研究参考,付费前请自行鉴别。
3、如文档内容存在违规,或者侵犯商业秘密、侵犯著作权等,请点击“违规举报”。

碎片内容

火车站站房金属屋面施工方案

您可能关注的文档

文库响当当+ 关注
实名认证
内容提供者

该用户很懒,什么也没介绍

确认删除?
VIP
微信客服
  • 扫码咨询
会员Q群
  • 会员专属群点击这里加入QQ群
客服邮箱
回到顶部