电脑桌面
添加小米粒文库到电脑桌面
安装后可以在桌面快捷访问

物业公共设施日常维修计划方案VIP免费

物业公共设施日常维修计划方案_第1页
1/5
物业公共设施日常维修计划方案_第2页
2/5
物业公共设施日常维修计划方案_第3页
3/5
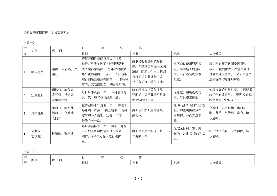
1/5公共设施日常维修计划方案(表一)序号类别项目日常维修计划方案标准实施效果1区内道路路面、人行道、缓路径、道牙每天检查二遍由工程部专业维修工按项目维修规程实施。路面修缮质量标准,人行道铺设修缮标准。平整、无坑尘洼、无积水、无缺损。2室外照明道路灯、庭院灯、高秆灯、投光灯、其他照明灯每天检查一遍由工程部专业维修工按专业操作规程实施。电气作业安全操作规程,灯具施工技术标准。灯泡正常使用,灯罩完好清洁灯杆及灯座无破损。3沟渠池井雨水口、雨水井、污水井、化粪池、阀门井每周检查一遍由工程部专业维修工按作业规程实施维修。井内无积物,井壁无脱落;化粪池出口及其他地隔无堵塞;井盖上标示清晰。井盖完好,无缺损,少污积;无堵塞。4园林绿地绿化、雕塑小品、花池循环水池每天检查一遍环境管理部进行绿化补种,园艺维修。绿化工作标准;园林工作标准。绿化管理设施、设备齐全完好;雕塑小品等园艺完好;绿化完好;循环水系统畅顺。5文娱场所每天检查一遍由工程部专业维修工按相关维修规程实施。会所及活动中心维修工作标准。各项设施、设备完好,正常使用。6地下停车场每天检查二遍由工程部专业维修工按相关维修规程实施。路面修缮标准;停车场地面修缮标准。道路平整、无积水、无缺损。7消防设施及排水管网排水管、室外消防栓、水泵结合器每周检查一遍由工程部专业维修工按相关维修规程实施。排水管施工技术标准;消防设施施工技术标准。管道畅通,吴塞;无泄漏;消防设施正常有效。(表二)序类别项目日常维修2/5号计划方案标准实施效果8公共标志设施标识牌、警示牌每周检查一遍由工程部专业维修工按相关维修规程实施。标识清楚,无污积,损坏;安放牢固。标志设施完好;标志物损坏。9连廊及自行车房连廊、自行车房每周检查一遍由工程部专业维修工按相关维修规程实施。墙地面整洁,无损坏;连廊通畅;结构完好。无乱搭建,整洁、通畅;墙面无破损或污迹。10其他公共设施垃圾堆放点及围栏、围墙每周检查一遍由工程部按相关维修保养规程实施。无破损,脱落;泄水通畅。确保围栏、挡土墙安全使用;确保垃圾转运站正常使用。11公共智能化系统摄像监控系统、电子巡更系统、车辆管理系统、智能控制中心每天对摄像系统监视器,控制器,摄像头等的外观及控制性能检查一遍,每天对巡更系统读卡机外观安联接及性能查一遍;每天对车管系统IC卡读卡器外观性能闸杆的外观运行情况检查一遍;各系统电脑外观,运行情况,传输线,传输性能,软件及数据的运行情况等检查一遍。由工程部负责按智能化系统维护保养标准维护。系统性能良好,正常运行;设施完好,整洁有序,无破损。12管理及商业用房每周检查一遍由工程部按相关维修保养规程实施。相应建筑部分维修保养规程;电气、设备维修保养规程。正常安全使用,各项设施、设备完好,无改建。3/5公共设施定期维护计划及实施方案(表一)序号类别项目日常维修计划方案标准实施效果1区内道路路面、人行道、缓路径严禁装修期车辆挤压人行道及道牙,严禁在路面上拌制混凝土或砂架污染路面;每年对局部损坏严重的路面、道牙、人行道板进行翻新面积应控制在1‰每年内,其它控制在5‰每年内。由事务助理加强装修督查,严禁施工车进入区内道路;翻新工作由工程部自行组织专业维修工或委托有关施工单位实施。小区道路使用管理规定;路面施工质量标准;人行道铺设技术标准。减少不必要的路面受污损和破坏;使局部损坏严重路面通过翻新延长寿命,从而使整个道路保持均衡使用功能。2室外照明道路灯、庭院灯、高秆灯、投光灯、其他照明灯灯杆每年刷漆一次;每月清洁灯具一次;每年检修线路一遍。由工程部案相关作业规程维护;对于破损灯具及老化线路经更换。无老化,照明设施完好,灯具施工标准实现良好的灯具外观,照明系统正常有效启用,照明设施线路完好率95%以上3沟渠池井雨水口、雨水井、污水井、化粪池、阀门井化粪池每半年清理一次,井盖板每年刷一次漆,防止锈蚀,每年度清理井内杂物一次每年全面维修完善一次。由工程部按相应作业规范实施。化粪池清理作业规程,井盖刷防锈漆作业规程,井内无沉积物。化粪池内无沉积物,出口...

1、当您付费下载文档后,您只拥有了使用权限,并不意味着购买了版权,文档只能用于自身使用,不得用于其他商业用途(如 [转卖]进行直接盈利或[编辑后售卖]进行间接盈利)。
2、本站所有内容均由合作方或网友上传,本站不对文档的完整性、权威性及其观点立场正确性做任何保证或承诺!文档内容仅供研究参考,付费前请自行鉴别。
3、如文档内容存在违规,或者侵犯商业秘密、侵犯著作权等,请点击“违规举报”。

碎片内容

物业公共设施日常维修计划方案

您可能关注的文档

确认删除?
VIP
微信客服
  • 扫码咨询
会员Q群
  • 会员专属群点击这里加入QQ群
客服邮箱
回到顶部