电脑桌面
添加小米粒文库到电脑桌面
安装后可以在桌面快捷访问

生管机能管理VIP免费

生管机能管理_第1页
1/4
生管机能管理_第2页
2/4
生管机能管理_第3页
3/4
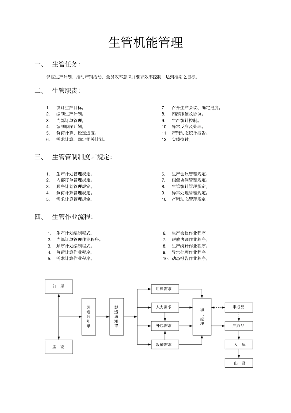
生管机能管理一、生管任务:供应生产计划、推动产销活动、全员效率意识并要求效率控制,达到准期之目标。二、生管职责:1.设订生产目标。2.编制生产计划。3.内部订单管理。4.编制顺序计划。5.负荷计算、设定进度。6.需求计算、确定相关计划。7.召开生产会议、确定进度。8.内部跟催及协调。9.生产统计控制。10.异常反应及处理。11.产销动态统计报告。12.实绩捡讨。三、生管管制制度∕规定:1.生产计划管理规定。2.内部订单管理规定。3.顺序计划管理规定。4.负荷计算管理规定。5.需求计算管理规定。6.生产会议管理规定。7.跟催协调管理规定。8.生管统计管理规定。9.异常处理管理规定。10.产销动态管理规定。四、生管作业流程:1.生产计划编制程式。2.内部订单管理作业程序。3.顺序计划编制程式。4.负荷计算作业程序。5.需求计算作业程序。6.生产会议作业程序。7.跟催协调作业程序。8.生产统计作业程序。9.异常处理作业程序。10.动态报告作业程序。訂單產能製造通知單製造通知單用料需求人力需求外包需求設備需求加工處理半成品完成品入庫出貨接受訂單製品規格順序計劃作業標準負荷日程計劃進度安排人力安排用料安排設備安排移轉安排檢驗安排入庫安排執行生產預定表人力計劃物料計劃外包計劃設備計劃數量單價金額交期包裝及注意事項生產線五、生管窗体:1.生产计算表。2.内部订单管理表。3.顺序计划表。4.负荷计算表。5.材料需求计算表。6.人力需求计算表。7.设备需求计算表。8.外包需求计算表。9.生产计划表。10.生产进度控制表。11.分项时间汇总表。12.生产效率计算表。13.异常处理报告表。14.生产动态报告表。15.生产通知单∕制造通知单∕制造命令单(制令)∕工作命令单(工令)。16.生产会议通知单。六、生管绩效标准:1.生产目标及计划达标率明确设定。2.生管职责及细项之完成期限与容许时间明确规定。3.生管职责及报告不容许出错及出错时之影响说明。七、生产管理应具备之工作知识:1.基本知识:(1)学理知识:生产管理∕作业管理。(2)法令知识:劳基法及相关法规。(3)产品知识:制品知识。2.专业知识:(1)本职专业知识:物料需求计划(MRP)、生产计划与管制、产能规划。(2)他职专业知识:成本控制、质量控制、产品标准之运用。3.管理知识:(1)初阶管理知识:目标管理、TWI。(2)中阶管理知识:MTP、CWQC。(3)高阶管理知识:成本分析、管理数据。八、生管机能查核要点:1.生产计划达标率。2.自制率与外发率。3.直接作业率。4.生产效率∕人。5.生产效率∕机。6.有效工时率。7.产能利用率。8.稼动率。9.除外机时率。10.除外工时率。11.制成率。12.良品率或不良率。13.报废率。14.重制率。15.出勤率。16.加班率。17.流动率。18.停工待料次数。19.停工待机次数。20.停工待单次数。九、生管管理技术:1.绩效管理。2.批量管理。3.数据管理。4.MRP、MRPII、ERP。十、生管机能重点:1.是否依生产方针编制生产计划?2.是否依营销订单编制生产计划?3.是否编制产品别顺序计划?4.是否计算用料需求衔接资材作业?5.是否计算人力需求衔接人事作业?6.是否计算设备需求衔接工务作业?7.是否计算外包需求衔接外包作业?8.生产计划是否区分年、季、月、周?9.生产计划是否依据产品标准及人机状况确定计划进度?10.生产计划是否依制程别区分与衔接?11.生管处理插单是否有一定原则及处理方式?12.是否生管召开产销会议说明生产计划?13.是否生管召开产销会议检讨生产实绩?14.生管对生产记录内容是否掌握及应用?15.生管对生产进度与实绩是否做比较控制?16.生管对生产进度异常是否及时报告处理?17.生管对供应材料异常是否及时报告处理?18.生管对供应人力异常是否及时报告处理?19.生管对供应设备异常是否及时报告处理?20.生管对外包进度异常是否及时报告处理?21.生管是否提供直接人员绩效考核的具体数据?22.人力生产效率是否太低?及据以分析检讨?23.设备生产效率是否太低?及据以分析检讨?24.直接作业率是否太低?及据以分析检讨?25.设备稼动力是否太低?及据以分析检讨?26.除外工时率是否太高?及据以分析检讨?27.除外机时率是否太高?及据以分析检讨?28.自制率是否太低?及据以分...

1、当您付费下载文档后,您只拥有了使用权限,并不意味着购买了版权,文档只能用于自身使用,不得用于其他商业用途(如 [转卖]进行直接盈利或[编辑后售卖]进行间接盈利)。
2、本站所有内容均由合作方或网友上传,本站不对文档的完整性、权威性及其观点立场正确性做任何保证或承诺!文档内容仅供研究参考,付费前请自行鉴别。
3、如文档内容存在违规,或者侵犯商业秘密、侵犯著作权等,请点击“违规举报”。

碎片内容

生管机能管理

确认删除?
VIP
微信客服
  • 扫码咨询
会员Q群
  • 会员专属群点击这里加入QQ群
客服邮箱
回到顶部