电脑桌面
添加小米粒文库到电脑桌面
安装后可以在桌面快捷访问

L415M--φ406.4x8--管状对接焊接工艺评定(氩弧焊打底-焊条下向焊盖面)教学提纲VIP免费

L415M--φ406.4x8--管状对接焊接工艺评定(氩弧焊打底-焊条下向焊盖面)教学提纲_第1页
1/13
L415M--φ406.4x8--管状对接焊接工艺评定(氩弧焊打底-焊条下向焊盖面)教学提纲_第2页
2/13
L415M--φ406.4x8--管状对接焊接工艺评定(氩弧焊打底-焊条下向焊盖面)教学提纲_第3页
3/13
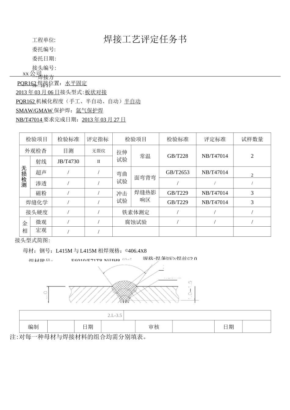
xx公司焊接工艺评定编号:PQR162-SMAW/GMAW-Fe1-8编制:审核:批准:目录一、焊接工艺评定任务书(共1页二、预焊接工艺规程(pWPS)(共2页)三、焊接工艺评定报告(共3页)四、焊接工艺规程(WPS)(共2页)五、附件(共11页)工程单位:委托编号:委托日期:接头编号:一焊接方法:执行焊材牌号:E6010/E71T8-NilJH8规格:焊条©3.2/焊丝©2.03WT60±5,?.G.-寸:I.SV-^W焊接工艺评定任务书XX公司PQR162焊接位置:水平固定2013年03月06日接头型式:板状对接PQR162机械化程度(手工、半自动、自动)半自动SMAW/GMAW保护焊:氩气保护焊NB/T47014要求完成日期:2013年03月27日检验项目检验标准评定指标检验项目检验标准评定标准试样数量外观检杳目测无裂纹拉伸试验常温GB/T228NB/T470142无损检测射线JB/T4730II超声//弯曲试验面弯背弯GB/T2653NB/T470142渗透/////磁粉//冲击试验焊缝热影响区GB/T229NB/T470143焊缝化学//GB/T229NB/T470143接头硬度//铁素体测定///金相微观//腐蚀试验///宏观//接头型式简图:母材:钢号:L415M与L415M相焊规格:©406.4X82.L-3.5编制日期审核日期注:对每一种母材与焊接材料的组合均需分别填表。简图:(接头形式、坡口形式与尺寸、焊层、焊道布置及顺共2页第1页预焊接工艺规程(pWPS)单位名称:XX公司预焊接工艺规程编号:一pWPS-162日期2013年03月07日所依据焊接工艺评定报告编号:PQR162焊接方法:SMAW/GMAW机动化程度(手工、机动、自动):手工焊接接头:坡口形式:V衬垫(材料及规格):/其他:/母材:类别号Fe-1组别号Fe-1-2与类别号一Fe-J组别号Fe-1-2相焊或标准号GB/T9711-2011_材料代号一L415M与标准号GB/T9711-2011_材料代号一相焊对接焊缝焊件母材厚度范围:8.0mm角焊缝焊件母材厚度范围:/管子直径、壁厚范围:对接焊缝/角焊缝/其他/填充金属:焊材类别:FeT-1FeS-1焊材标准:填充金属尺寸:©3.2©2.0焊材型号://焊材牌号(金属材代号):E6010E71T8-Ni1JH8填充金属类别://共3页第1页共4页第1页对接焊缝焊件焊缝金属厚度范围:10mm角焊缝焊件焊缝金属厚度范围:/耐蚀堆焊金属化学成分(%):CSiMnPSCrNiMoVTiNb其他注:对每一种母材与焊接材料的组合均需分别填表。共2页第2页共3页第1页共4页第1页母材:材料标准材料代号GB/T9711-2011L415M焊后热处理:保温温度(C):保温时间(h):丄丄类、组别号:Fe-1-2与类、组别号:一相焊保护气体:厚度:80mm气体混合比流量(L/min)直径:/保护气体:—L/-L其他:尾部保护气:///背面保护气://-L—填充金属:电特性:焊材类别:FeT-1/FeS-1电流种类:直流焊材标准:/极性:SMAW反接/GMAW反接焊材牌号:F6010/F,71T8-Ni1JH8钨极尺寸:L焊材规格:込3.2/込2.0焊接电流(A):SMAW:80〜100/GMAW:200〜220焊缝金属厚度:10mm电弧电压(V):20〜24/28〜35其他:焊接电弧种类:-L其他:/焊接位置:技术措施:对接焊缝位置:向下方向(向上、向下)焊接谏度(cm/min):SMAW:9〜13cm/min/GMAW:18〜22cm/min角焊缝位置:方向(向上、向下)摆动或不摆动:―微摆动摆动参数:/预热:多道焊或单道焊(每面):单道焊预热温度/多丝焊或单丝焊:单丝焊道间温度(C):/其他:其他:/共3页第2页共3页第3页共2页第1页焊接工艺规程(WPS)单位名称:XX公司预焊接工艺规程编号:一pWPS-162日期2013年03月25日所依据焊接工艺评定报告编号:PQR162焊接方法:SMAW/GMAW机动化程度(手工、机动、自动):手工焊接接头:坡口形式:V衬垫(材料及规格):/其他:/2.5-■:5母材:类别号Fe-1组别号Fe-1-2与类别号一Fe-J组别号Fe-1-2相焊或标准号GB/T9711-2011_材料代号一L415M与标准号GB/T9711-2011_材料代号一相焊对接焊缝焊件母材厚度范围:1.5〜16mm角焊缝焊件母材厚度范围:/管子直径、壁厚范围:对接焊缝/角焊缝/其他/填充金属:共2页第1页对接焊缝焊件焊缝金属厚度范围:0〜18mm角焊缝焊件焊缝金属厚度范围:/耐蚀堆焊金属化学成分(%):CSiMnPSCrNiMoVTiNb其他注:对每一种母材与焊接材料的组合均需分别填表。共2页第2页

1、当您付费下载文档后,您只拥有了使用权限,并不意味着购买了版权,文档只能用于自身使用,不得用于其他商业用途(如 [转卖]进行直接盈利或[编辑后售卖]进行间接盈利)。
2、本站所有内容均由合作方或网友上传,本站不对文档的完整性、权威性及其观点立场正确性做任何保证或承诺!文档内容仅供研究参考,付费前请自行鉴别。
3、如文档内容存在违规,或者侵犯商业秘密、侵犯著作权等,请点击“违规举报”。

碎片内容

L415M--φ406.4x8--管状对接焊接工艺评定(氩弧焊打底-焊条下向焊盖面)教学提纲

您可能关注的文档

确认删除?
VIP
微信客服
  • 扫码咨询
会员Q群
  • 会员专属群点击这里加入QQ群
客服邮箱
回到顶部