电脑桌面
添加小米粒文库到电脑桌面
安装后可以在桌面快捷访问

电力的施工危险点分析报告与预控要求措施VIP免费

电力的施工危险点分析报告与预控要求措施_第1页
1/18
电力的施工危险点分析报告与预控要求措施_第2页
2/18
电力的施工危险点分析报告与预控要求措施_第3页
3/18
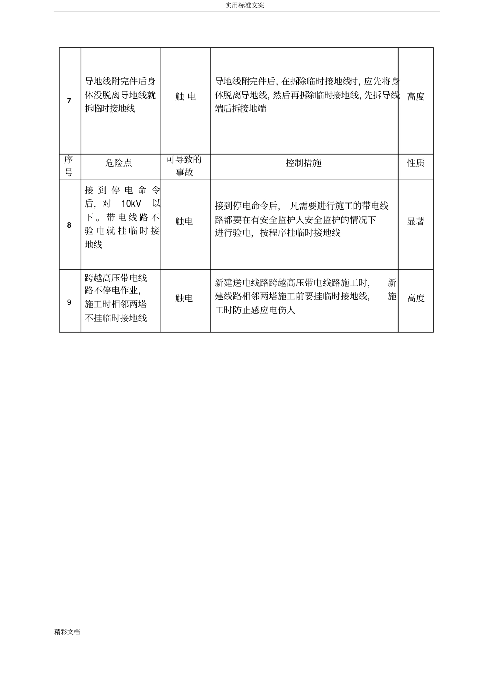
实用标准文案精彩文档混凝土基础施工危险点分析与预控措施序号危险点可导致的事故控制措施性质1施工前对施工人员没进行安全技术交底人身伤害设备事故基础施工前对施工人员进行安全技术交底,没进行安全技术交底,施工人员有权拒绝施工;一般2基础开挖坑内多人同时作业物体打击1.工作票中要明确规定基坑内不许多人同时作业;2.二人同时作业时不得面对面作业显著3基坑开挖、支模找正,浇制时基面或坑口边有土块坍塌物体打击基坑开挖、支模找正或混凝土浇制时应将基面上浮石、松石或坑边浮石、土块清除掉,避免施工时活石掉下砸伤施工人一般4大坑口基础浇制时搭完的浇制平台横梁中间没有支撑高处坠落大坑口基础浇制时,搭设的浇制平台要牢固可靠,平台横梁中间要加撑杆防止平台横梁因上料多或人员多等情况,平台横梁受力太大,中间拆断砸伤坑下人员或平台上施工人员掉下造成人员伤一般5下钢筋笼子时,钢筋笼子不绑溜绳物体打击下钢筋笼子时要听从指挥,并在钢筋笼子上绑好溜绳,控制钢筋笼子的方向,以免出现下钢筋笼子时,拽不住倾倒,砸伤人的恶性事故发生一般6推车至跳板边缘翻车下料物体打击其他伤害1.下料时不许在跳板边翻车下料;2.下料时必须经下料漏斗溜下,下料时坑上、坑下密切配合,坑内人员应停止一切工作一般7临时用电无专人负责,电源乱拉、乱扯、触电1.临时用电要有专人负责管理;2.临时用电设施要按规定安装一般8基础浇制时,搅拌机振捣器等无漏电保器基础施工前应配备漏电保安器,无漏电保护器的施工队,禁止浇制施工显著9振捣器施工过程漏电安装漏电保护器并指定专人带绝缘手套穿绝缘鞋操作。其他人员不得随意使用显著10发电机、搅拌机外壳不接地发电机、搅拌机使用前应将外壳安装保护接地线一般11陡峭山地施工不绑安全绳、没设安全栏杆滑倒坠落1、当遇陡峭山地施工时必须绑好安全绳,2、在基坑上、下方必须设临时安全围栏显著实用标准文案精彩文档易发生感应电击处施工危险点分析与预控措施序号危险点可导致的事故控制措施性质1搭拆越线架不按要求施工触电1.带电搭拆越线架时应按施工方案或安全规程中越线架对带电体的安全距离的要求去施工;2.要有专人负责安全监护检查、验收一般2架线前有的铁塔没有安装接地线触电架线前施工队长派人对本队架线段铁塔的接地认真检查一遍,没有安装接地的塔在架线前安装好,防止雷击直击引延人地对塔上作业人员或基础本身造成伤害显著3放线施工时,不按要求悬挂导接地放线滑车触电按作业指导书要求施工,放线队安排专人负责检查一般4人力展放导引绳及导地线时两头不接地触电展放导引绳或导地线时必须在两端(放线架子或牵引设备)做好接地,导引绳采用人工展放时牵头人肩扛的导引绳子头必须搭拉在地上一般5挂线时耐张绝缘子串不安装临时接地线触电挂线时必须在耐张绝缘子串两端金具用临时接地线连接,防止导线上的感应电电击作业人员一般6新建线路和带电运行线路长距离平行,新建线路感应电很大,附件时不挂临时接地线触电两条线路长距离并行且较近时,为防止附件作业人员感电,作业前必须挂临时接地线,以免导线离开滑车时产生感应电击现象,塔上安全监护人员严格检查显著实用标准文案精彩文档7导地线附完件后身体没脱离导地线就拆临时接地线触电导地线附完件后,在拆除临时接地线时,应先将身体脱离导地线,然后再拆除临时接地线,先拆导线端后拆接地端高度序号危险点可导致的事故控制措施性质8接到停电命令后,对10kV以下。带电线路不验电就挂临时接地线触电接到停电命令后,凡需要进行施工的带电线路都要在有安全监护人安全监护的情况下进行验电,按程序挂临时接地线显著9跨越高压带电线路不停电作业,施工时相邻两塔不挂临时接地线触电新建送电线路跨越高压带电线路施工时,新建线路相邻两塔施工前要挂临时接地线,施工时防止感应电伤人高度实用标准文案精彩文档工地运输危险点分析与预控措施序号危险点可导致的事故控制措施性质1汽车的刹车、灯光转向等状况不好车辆伤害司机出车前要认真检查车辆,出车前保证汽车刹车、灯光、转向等系统状况良好一般2出车前不对车况外观进行检查车辆伤害司机出车前要对汽车外观进行检...

1、当您付费下载文档后,您只拥有了使用权限,并不意味着购买了版权,文档只能用于自身使用,不得用于其他商业用途(如 [转卖]进行直接盈利或[编辑后售卖]进行间接盈利)。
2、本站所有内容均由合作方或网友上传,本站不对文档的完整性、权威性及其观点立场正确性做任何保证或承诺!文档内容仅供研究参考,付费前请自行鉴别。
3、如文档内容存在违规,或者侵犯商业秘密、侵犯著作权等,请点击“违规举报”。

碎片内容

电力的施工危险点分析报告与预控要求措施

确认删除?
VIP
微信客服
  • 扫码咨询
会员Q群
  • 会员专属群点击这里加入QQ群
客服邮箱
回到顶部