电脑桌面
添加小米粒文库到电脑桌面
安装后可以在桌面快捷访问

(完整版)、资源配备计划VIP专享VIP免费

(完整版)、资源配备计划_第1页
1/15
(完整版)、资源配备计划_第2页
2/15
(完整版)、资源配备计划_第3页
3/15
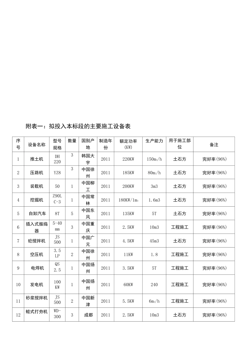
资源配备计划第一节施工材料配置1、各阶段施工半月前,现场材料组,尤其是采购人员积极协助甲方落实好厂家货源,采用“货比三家”一比质、比价、比服务的原则进行运作,特别是所用钢材、水泥一律采用大厂材料,确保工程质量。一旦出现短缺,应立即另找第二家或第三家,如还有困难时可与我公司物资供应分公司联系,启动多年来形成的多渠道物资供应网络。2、砂、石、砖等地材受季节性变化经常影响正常施工,根据市场供需变化规律并客观的评估国家级、市区级重点工程分布情况,地材需要时间与数量,项目应在地材丰产期内根据施工需用数量,尽可能储备多一些,以便顺利渡过地材低产期。3、现场材料、半成品的贮备量应比实际需用量多一些。第二节主要施工机械、设备配备计划1、土石方机械本工程土方采用小型开挖机,辅助人工开挖,配备小型挖掘机。石方采用人工爆破后用小型挖机人工配合清除。2、运输机械根据该工程工期紧,工程分布零散的特点,运输机械采用自卸汽车或自卸农用车运输。3、砼施工机械本工程混凝土全部采用现场搅拌。故每个施工现场设置一个拌合站,配备砼搅拌机和砂浆搅拌机,用于砌筑砂浆搅拌和混凝土搅拌。4、其他机械根据现场灵活配备,见后附表:第三节劳动力配备计划为保证本工程的如期竣工,本标段内的劳动力计划如下:1.工程分以下几个工种:水电工、砼工、钢筋工、泥水工、木工、石工、机械操作工等专业工种和普工水电工,负责给排水工程的管道安装、生活用水电、施工用水电等的施工。砼工,负责砼工程的垫层铺垫夯实、砼浇筑找平、砼实验块制作等工作。架子工则负责脚手架及支架的搭设。泥(抹灰)工:负责所有的砖墙的砌筑及抹灰。石工,负责所有的砌石工程木工,负责模板支护及所有的木制作工程。机械操作工,负责各种施工机工的操作和养护,配合其他各工种做好各种相关机械操作工作。普工,配合各专业工种做好水利工程排水、土方开挖与土地平整、材料设备的运输、砼养护等。2.由于本工程项目多、工程量大,所以将本工程的石工分成4支队伍,称为1班、2班、3班、4班,1班负责排灌斗渠、农渠、排洪沟等工程的砌筑工作;2班负责路涵工程的施工;3班负责石河堰工程的施工;4班负责山坪塘坝的施工。另外,道路专业队负责田间道、生产路的施工,机械施工队负责本工程所有的机械化施工,如推土、挖槽、碾压道路等,在后方预制砼再安排5人。3.各专业施工队一般情况下应配2个作业班组,在施工高峰期间应配足劳动力。本工程的用工高峰为土地平整施工和道路施工,平均每天劳动力不少于100人。本工程开工时节施工已错过农作繁忙季节,做好劳动力的准备和协调工作非常关键。我公司有固定的各种水工和道路专业施工队伍近100人,他们有多年的专业施工经验,可以满足本工程进度要求。劳动力计划表附后附表一:拟投入本标段的主要施工设备表序号设备名称型号规格数量国别产地制造年份额定功率(KW)生产能力用于施工部位备注1推土机DH2203韩国大宇2011220KW150m3/h土石方完好率(96%)2压路机YZ83中国徐州2011185KW80m2/h土石方完好率(96%)3装载机501中国柳工2011200KW3m3土石方完好率(96%)4挖掘机Z90LC-31中国常林2011180KW/1m31.6m3土石方完好率(96%)5自卸汽车8T5中国东风2011135KW5T土石方完好率(96%)6插入式振捣器5-40mm3中国重庆20112.5KW10m3工程施工完好率(96%)7砼搅拌机JS5001中国广元20114.5KW45m3土石方完好率(96%)8空压机3.5LP2中国徐州201111KW1.8工程施工完好率(96%)9电焊机QS2.51中国扬州20113.5KW5T工程施工完好率(96%)10发电机100KW1中国扬州201160KW240工程施工完好率(96%)11砂浆搅拌机JS5002中国新津20115.5KW6m3/h工程施工完好率(96%)12蛙式打夯机WD-3003成都20112.5KW10m3土石方完好率(96%)13起重机DQ6501山东2011365KW5-20t预制件吊装完好率(96%)14风钻FZ-18中国徐州20111.1KW1.8石方开挖完好率(96%)15胶轮车BZZ-Q10四川宜宾20110.2m3场内运输完好率(96%)附表二:拟配备本标段的试验和检测仪器设备表序号仪器设备名称型号规格数量国别产地制造年份已使用台时数用途备注1经纬仪DJ21中国2011280轴线、垂直度完好率(96%)2水准仪DJS32中国2011290高程、水准测量...

1、当您付费下载文档后,您只拥有了使用权限,并不意味着购买了版权,文档只能用于自身使用,不得用于其他商业用途(如 [转卖]进行直接盈利或[编辑后售卖]进行间接盈利)。
2、本站所有内容均由合作方或网友上传,本站不对文档的完整性、权威性及其观点立场正确性做任何保证或承诺!文档内容仅供研究参考,付费前请自行鉴别。
3、如文档内容存在违规,或者侵犯商业秘密、侵犯著作权等,请点击“违规举报”。

碎片内容

(完整版)、资源配备计划

确认删除?
VIP
微信客服
  • 扫码咨询
会员Q群
  • 会员专属群点击这里加入QQ群
客服邮箱
回到顶部