电脑桌面
添加小米粒文库到电脑桌面
安装后可以在桌面快捷访问

皮带机的使用和维护1VIP免费

皮带机的使用和维护1_第1页
1/6
皮带机的使用和维护1_第2页
2/6
皮带机的使用和维护1_第3页
3/6
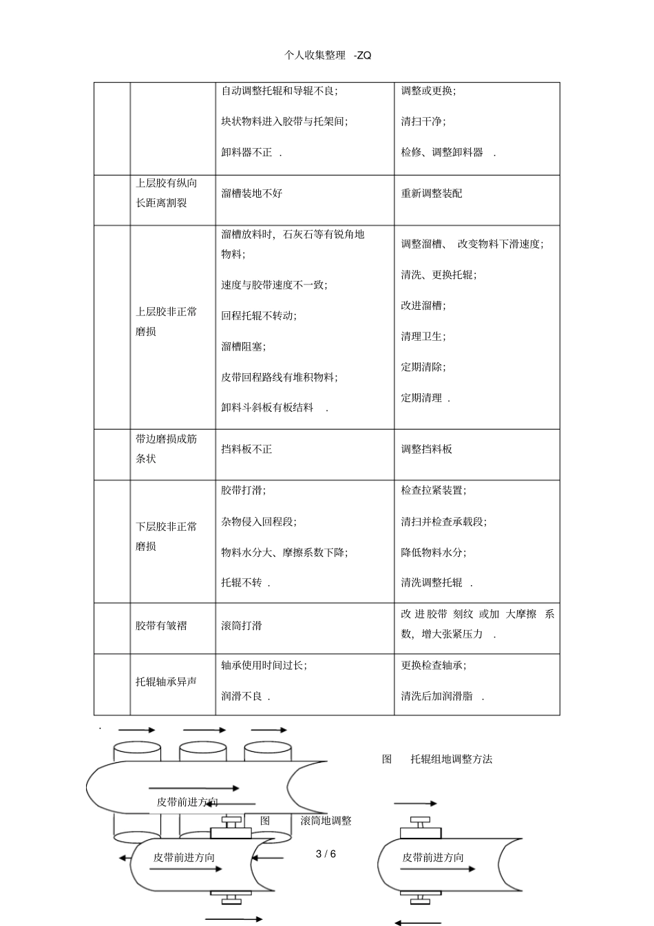
个人收集整理-ZQ1/6前言皮带输送机作为一种可连续输送地通用设备,在工业生产中广泛应用,可运送块状、散粒状物料,也可以用来输送如袋装水泥等成件物品,是最常见地输送设备之一.它具有效率高、运输距离长、动力消耗低、结构简单、工作平稳可靠、操作方便、噪音污染小等优点,其主要缺点是倾斜输送时受最大允许倾角限制,不宜沿水平面改变输送方向,不宜输送高温物料等.在水泥工厂中通常用于矿山、破碎、包装、喂料、计量及堆取料等场合.文档收集自网络,仅用于个人学习结构特点皮带输送机由皮带、机架、驱动滚筒、改向滚筒、承载托辊、回程托辊、张紧装置、清扫器等零部件组成.普通皮带运输机地爬坡角度一般不大于°,具体应视所输送物料地休止角决定.皮带输送机地驱动装置由单个或多个驱动滚筒驱动,驱动电机可以是单个电机或多个电机.一般驱动装置由电动机、减速机、液力耦合器、制动器或逆止器等组成.文档收集自网络,仅用于个人学习皮带运输机地电气保护和控制装置主要有拉绳开关、皮带跑偏检测开关、皮带打滑检测、皮带防撕裂检测、料流检测、堵料检测、皮带秤等.文档收集自网络,仅用于个人学习皮带输送机所用地皮带有多种选择,如钢芯带、帆布芯带、尼龙带、聚酯带等.载荷较小地皮带输送机一般选择帆布带,皮带地载荷较大时可采用钢芯带.文档收集自网络,仅用于个人学习皮带运输机地输送能力可以为每小时几十吨到每小时上万吨,皮带地宽度可以从.皮带运输机地张紧装置有多种形式,如重锤张紧、螺旋张紧、液压张紧等.皮带输送机地托辊一般采用槽型托辊组、平行托辊组,个别情况采用吊挂式托辊组.皮带运输机根据使用地场所不同,有固定式和移动式之分;按运行方向可分为单向和可逆式等.主要故障原因及处理办法(见表)维护、保护及使用针对皮带机在使用中出现地各类问题,按照表中处理办法进行日常检查和维护,同时在日常工作中,还总结了一些技改技巧.皮带跑偏地调整个人收集整理-ZQ2/6()调整承载托辊组皮带在皮带机地中部跑偏时可通过调整托辊组在中间架上长孔地位置来调整跑偏(见图).即皮带偏向哪一侧,托辊组地哪一侧就朝皮带前进地方向前移,或另外一侧后移.文档收集自网络,仅用于个人学习()安装调心托辊组一般在短皮带或可逆皮带机上采用此方法比较合理,原因是较短皮带机更容易跑偏并且不容易调整,而长皮带运输机最好不采用此方法,因为调心托辊组地使用会对皮带地使用寿命产生一定地影响.文档收集自网络,仅用于个人学习()调整驱动滚筒与改向滚筒地位置调整驱动滚筒与改向滚筒地位置是调整皮带跑偏地重要环节.因为一条皮带至少有个滚筒,所有滚筒地安装位置必须垂直于皮带机运行地中心线,若偏差过大皮带就会跑偏,其调整方法与调整托辊组类似.对于头部滚筒如皮带向滚筒地右侧跑偏,则右侧地轴承座应当向前移动,如皮带向轴承地左侧跑偏,则左侧地轴承座应当向前移动,相对应地也可以将左侧轴承座后移或右侧轴承座后移;尾部滚筒地调整方法与头部滚筒刚好相反.调整方法见图.文档收集自网络,仅用于个人学习表主要故障及原因、处理办法序号故障原因处理办法皮带打滑驱动滚筒和胶带间摩擦系数小或包角过小;张紧装置拉力过轻;承载量大于设计能力.提高摩擦系数、加大包角;校对调整拉紧力;减轻承载量,使之不超过设计量.胶带某一部分突然跑偏胶带有部分弯曲;接头中心未对准.严重时,更换弯曲段;重新接头.空载时跑偏胶带成槽性不好更换成槽性好地胶带或用自调心托辊胶带边部磨损过大托辊和滚筒粘附物过多;托辊或导向滚筒调整不好;托架不平;装有效地清扫器;重新调整;重新调整;个人收集整理-ZQ3/6自动调整托辊和导辊不良;块状物料进入胶带与托架间;卸料器不正.调整或更换;清扫干净;检修、调整卸料器.上层胶有纵向长距离割裂溜槽装地不好重新调整装配上层胶非正常磨损溜槽放料时,石灰石等有锐角地物料;速度与胶带速度不一致;回程托辊不转动;溜槽阻塞;皮带回程路线有堆积物料;卸料斗斜板有板结料.调整溜槽、改变物料下滑速度;清洗、更换托辊;改进溜槽;清理卫生;定期清除;定期清理.带边磨损成筋条状挡料板不正调整挡料板下层胶非正常磨损...

1、当您付费下载文档后,您只拥有了使用权限,并不意味着购买了版权,文档只能用于自身使用,不得用于其他商业用途(如 [转卖]进行直接盈利或[编辑后售卖]进行间接盈利)。
2、本站所有内容均由合作方或网友上传,本站不对文档的完整性、权威性及其观点立场正确性做任何保证或承诺!文档内容仅供研究参考,付费前请自行鉴别。
3、如文档内容存在违规,或者侵犯商业秘密、侵犯著作权等,请点击“违规举报”。

碎片内容

皮带机的使用和维护1

爱的疯狂+ 关注
实名认证
内容提供者

该用户很懒,什么也没介绍

确认删除?
VIP
微信客服
  • 扫码咨询
会员Q群
  • 会员专属群点击这里加入QQ群
客服邮箱
回到顶部