电脑桌面
添加小米粒文库到电脑桌面
安装后可以在桌面快捷访问

陕西省市政工程消耗定额VIP免费

陕西省市政工程消耗定额_第1页
1/40
陕西省市政工程消耗定额_第2页
2/40
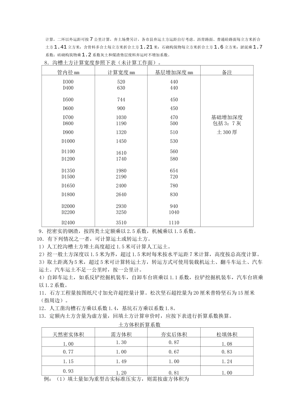
陕西省市政工程消耗定额_第3页
3/40
2009年《陕西省市政工程消耗定额》总说明一、《陕西省市政、园林绿化工程消耗量定额》(2003年)(以下简称本定额)是在2001年《全国市政工程预算定额、1992年陕西省园林、绿化工程定额》的基础上,结合新技术、新工艺、新材料、新设备的广泛使用和《陕西省建设工程工程量清单计价规则》要求编制的,关于市政工程有关说明如下:二、本定额适用于城镇管辖范围内的新建、扩建、改建的市政工程。三、本定额是完成规定计量单位分项工程所需的人工、材料、施工机械台班社会平均消耗量,可作为编制市政工程施工图预算、进行工程招投标、办理竣工结算时直接费组价的基础。四、本定额包括:1.土石方工程6.地铁工程(待后出版)2.道路工程和道路交通管理设施工程7.钢筋工程3.桥涵护岸工程8.拆除工程4.隧道工程9.路灯工程5.管网工程10.措施项目五、本定额是按正常的施工条件,合理的施工工艺、施工工期、劳动组合,目前施工企业机械装备程度编制的,反映了陕西省市政工程社会平均消耗水平。六、本定额是依据国家和地区强制性标准、推荐性标准、设计规范、施工验收规范、质量评定标准、安全技术操作规程编制的,并参考了有代表性的工程设计、施工资料、试验室资料和其他资料。七、本定额人工不分工种、技术等级,均以综合工日表示人工消耗量内容包括基本用工、超运距用工、人工幅度差和辅助用工。八、本定额隧道盾构掘进及垂直顶升按每工日6小时工作制,其他均按每工日8小时工作制计算。九、定额中的材料消耗包括主要材料、辅助材料,凡能计量的材料、成品、半成品均按品种、规格逐一列出用量并计入了相应的损耗。其损耗的内容和范围包括:从工地仓库、现场集中堆放地点或现场加工地点至操作安装地点的现场运输损耗、施工操作损耗、施工现场堆放损耗。十、本定额中的周转性材料(钢模板、钢管支撑、木模板、脚手架)已按规定的材料周转次数摊销计入定额内,并包括回库维修费用。十一、本定额的机械台班消耗量已考虑机械幅度差内容,定额中机械类型、规格是按正常的施工条件下,按常用机械类型确定的。随工人班组配备并依班组产量计算的单位价值在2000元以下的小型施工机具,列入其他直接费中生产工具用具使用费下。十二、本定额难以计量的零星材料,综合为其他材料费,分别以该项之材料费之和(含主材)百分率计算。十三、本定额中未包括排除地下水,如发生施工降水,按措施费用有关项目及规定计算。工作面排水已包括在定额内。十四、预制构件制作、运输吊装的损耗,在编制预算或标底时,按施工图的构件工程量分别按下表规定损耗率列入工程量内。构件名称制作废品率(%)运输及堆放损耗(%)安装、打桩损耗(%)各类预制构件0.200.800.50混凝土预制桩0.100.401.50注:双曲拱桥拱波的制作、运输、安装的损耗率为5%。计算方法:预算制作工程量=图纸设计工程量X(1+制作废品率+运输及堆放损耗率+安装、打桩损耗率)预算运输工程量=图纸计算工程量X(1+运输及堆放损耗率+安装或打桩损耗率)十五、本定额施工用水、电是按现场有水、电考虑的。如现场无水、电时,其用水、用电费用按实结算,并扣除本定额内的水电费用。十六、本定额未包括大型机械进出厂费和安装、拆卸费,路基及轨道铺拆费等。若发生时,可按施工组织设计批准的需要量为准,计算一次进出场费。十七、本定额工作内容已说明了主要的施工工序。次要工序虽未说明,但均已考虑在定额内。十八、本定额适用于海拔2000m以下的地区。十九、拆除的钢筋混凝土、混凝土、沥青混凝土弃运时,执行石渣运输项目,一环以外按7km考虑。淤泥弃运按土方运输乘以1.7系数。二灰砾石运输以“t”计,执行土方运输子目乘以0.588系数。二十、本定额的混凝土及砂浆强度等级与设计强度等级不同时,可按设计强度等级进行换算。实际施工配合比的材料用量与定额配合比用量不同时不予换算。设计要求采用抗渗混凝土(抗渗等级在P6以上者),可按原混凝土强度等级增加C5计算。定额中的混凝土养护,除另有说明外,均按自然养护考虑。二十一、凡使用商品混凝土时,商品混凝土出厂价中,每立方米扣减人工费10.34元,机械费8.80元,共计19.14元。二十二、本定额中注有“XX...

1、当您付费下载文档后,您只拥有了使用权限,并不意味着购买了版权,文档只能用于自身使用,不得用于其他商业用途(如 [转卖]进行直接盈利或[编辑后售卖]进行间接盈利)。
2、本站所有内容均由合作方或网友上传,本站不对文档的完整性、权威性及其观点立场正确性做任何保证或承诺!文档内容仅供研究参考,付费前请自行鉴别。
3、如文档内容存在违规,或者侵犯商业秘密、侵犯著作权等,请点击“违规举报”。

碎片内容

陕西省市政工程消耗定额

wxg+ 关注
实名认证
内容提供者

该用户很懒,什么也没介绍

确认删除?
VIP
微信客服
  • 扫码咨询
会员Q群
  • 会员专属群点击这里加入QQ群
客服邮箱
回到顶部