电脑桌面
添加小米粒文库到电脑桌面
安装后可以在桌面快捷访问

悬挑式卸料钢平台方案VIP免费

悬挑式卸料钢平台方案_第1页
1/12
悬挑式卸料钢平台方案_第2页
2/12
悬挑式卸料钢平台方案_第3页
3/12
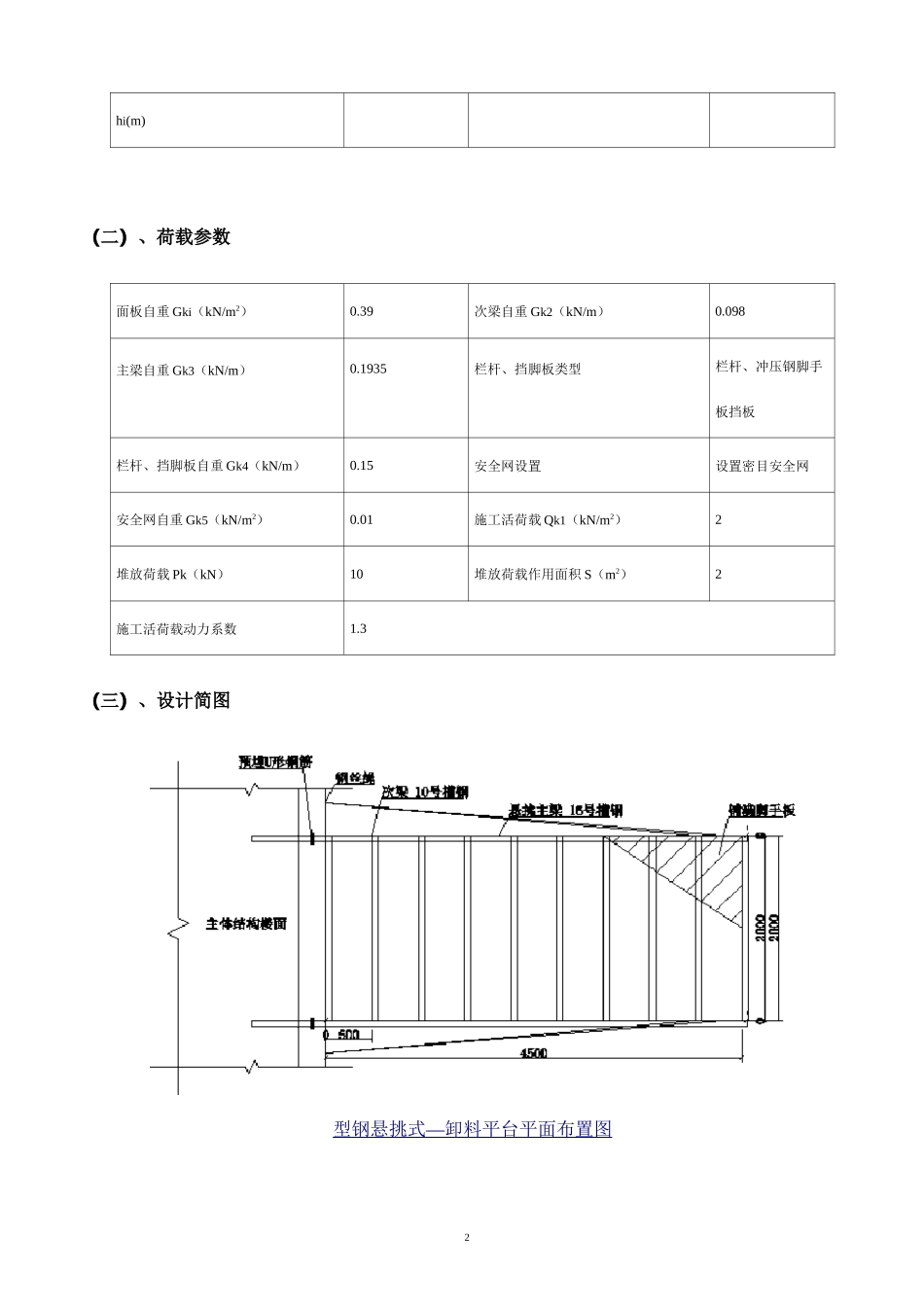
0一、工程概况1二、设计依据1三、型钢悬挑卸料平台计算书1(一)、构造参数1(二)、荷载参数2(三)、设计简图2(四)、面板验算3(五)、次梁验算4(六)、主梁验算5(七)、钢丝绳验算8(八)、拉环验算8(九)、焊缝验算9四、卸料平台制作及安装:91、主要参数92、施工工艺流程93、质量要求104、安全保证措施105、注意事项10五、节点详图附后111、工程概况拟建场地位于苍南县宜山镇宝山路以东,环城南路以北地块。本工程分为6个单体建筑,1#、2#楼连体地下室一层,上部1#楼十六层;2#楼六层、九层、十一层;3#、4#、5#、6#楼^一层。1#、2#楼二层裙房为商业,其它均为住宅;主体采用:框架一剪力墙结构,建筑总面积为52667m2。根据现场实际情况,主体结构施工过程中需采用悬挑式卸料平台用于周转材料吊运,卸料平台设置位置1#楼28〜31交C轴,2#楼9〜11交C轴,3#楼F~J交16轴,4#楼16〜18交A轴,5#楼12〜15交H轴,6#楼9〜11交H轴各设一处以便于施工的方便。并在外架搭设时进行加固处理。当卸料平台上升时及时封堵外架,形成闭合外架。二、设计依据《建筑施工高处作业安全技术规范》(JGJ80-91);《钢结构设计规范》(GB50017-2003);《建筑施工安全检查标准》(JGJ59-99)。三、型钢悬挑卸料平台计算书(一)、构造参数卸料平台名称型钢悬挑卸料平台卸料平台类型类型一:主梁垂直建筑外墙平台长度A(m)4.5平台宽度B(m)2卸料平台与主体结构连接方式U形钢筋主梁间距L1(m)2次梁间距s(m)0.5次梁外伸长度m(m)0内侧次梁离墙水平距离a(m)0外侧钢丝绳离墙水平距离a1(m)4.3外侧钢丝绳拉绳点与平台垂直距离5.6钢丝绳夹个数42hi(m)(二)、荷载参数面板自重Gki(kN/m2)0.39次梁自重Gk2(kN/m)0.098主梁自重Gk3(kN/m)0.1935栏杆、挡脚板类型栏杆、冲压钢脚手板挡板栏杆、挡脚板自重Gk4(kN/m)0.15安全网设置设置密目安全网安全网自重Gk5(kN/m2)0.01施工活荷载Qk1(kN/m2)2堆放荷载Pk(kN)10堆放荷载作用面积S(m2)2施工活荷载动力系数1.3(三)、设计简图型钢悬挑式—卸料平台平面布置图3型钢悬挑式—卸料平台侧立面图(四)、面板验算模板类型冲压钢脚手板模板厚度t(mm)3截面抵抗矩W(cm3)1.5抗弯强度设计值[f](N/mm2)205面板受力简图如下:U]]]]]]]]]]]]]]]]]]]]]500.■—500.■—500计算简图(kN)取单位宽度lm进行验算q=1.2xGk1x1+1.4x(1.3xQK1+Pk/S)x1=1.2x0.39x1+1.4x(1.3x2+10/2)x1=11.108kN/m抗弯验算:Mmax=0.100xqxs2=0.100xHJOSxOgO^S^m(1)罔(3)14kN4o=Mmax/W=0.278xl06/(1.5xl03)=185.133N/mm2v[f]=205N/mm2面板强度满足要求!(五)、次梁验算次梁类型槽钢次梁型钢型号10号槽钢截面惯性矩"(cm4)198.3截面抵抗矩Wx(cm3)39.7抗弯强度设计值[f](N/mm2)205弹性模量E(N/mm2)206000次梁内力按以两侧主梁为支承点的简支梁计算:承载能力极限状态:q1=(1.2xGk1+1.4x1.3xQk1)xs+1.2xGk2=(1.2x0.39+1.4x1.3x2)x0.5+1.2x0.098=2.172kN/mP]=1.4xPk=1.4x10=14kN正常使用极限状态:q2=(Gk1+Qk1)xs+Gk2=(0.39+2)x0.5+0.098=1.293kN/mp2=Pk=10kN1、抗弯强度2000计算简图(kN)Mmax=q1(L12/8-m2/2)+p1xL1/4=2.172(22/8-02/2)+14x2/4=8.086kN.mo=Mmax/(YxWx)=8.086x106/(1.05x39.7x103)=193.974N/mm2v[f]=205N/mm2次梁强度满足要求!2、挠度验10kN1.2;NZ52000计算简图(kN)vmaX=q2Li4/(384EIx)(5-24(m/Li)2)+p2Li3/(48EIx)=1.29x20004/(384x206000xl98.3xl04)x(5-24(0/2)2)+10x20003/(48x206000xl98.3xl04)=0.664mm<[v]=Ll/250=2000/250=8mm次梁挠度满足要求!3、支座反力计算承载能力极限状态:R1=q1xB/2=2.172x2/2=2.172kN正常使用极限状态:R2=q2xB/2=1.293x2/2=1.293kN(六)、主梁验算主梁类型槽钢主梁型钢型号16号槽钢截面面积A(cm2)25.15截面回转半径ix(cm)6.1截面惯性矩Ix(cm4)934.5截面抵抗矩Wx(cm3)116.8抗弯强度设计值[f](N/mm2)205弹性模量E(N/mm2)206000根据《建筑施工高处高处作业安全技术规范》(JGJ80-91),主梁内力按照外侧钢丝绳吊点和建筑物上支承点为支座的悬臂简支梁计算(不考虑内侧钢丝绳支点作用):承载能力极限状6态:q1=1.2x(Gk3+Gk4+Gk5)=1.2x(0.193+0.150+0.010)=0.424kN/mP]=1.4xPk...

1、当您付费下载文档后,您只拥有了使用权限,并不意味着购买了版权,文档只能用于自身使用,不得用于其他商业用途(如 [转卖]进行直接盈利或[编辑后售卖]进行间接盈利)。
2、本站所有内容均由合作方或网友上传,本站不对文档的完整性、权威性及其观点立场正确性做任何保证或承诺!文档内容仅供研究参考,付费前请自行鉴别。
3、如文档内容存在违规,或者侵犯商业秘密、侵犯著作权等,请点击“违规举报”。

碎片内容

悬挑式卸料钢平台方案

您可能关注的文档

确认删除?
VIP
微信客服
  • 扫码咨询
会员Q群
  • 会员专属群点击这里加入QQ群
客服邮箱
回到顶部