电脑桌面
添加小米粒文库到电脑桌面
安装后可以在桌面快捷访问

空调监控系统VIP专享VIP免费

空调监控系统_第1页
1/13
空调监控系统_第2页
2/13
空调监控系统_第3页
3/13
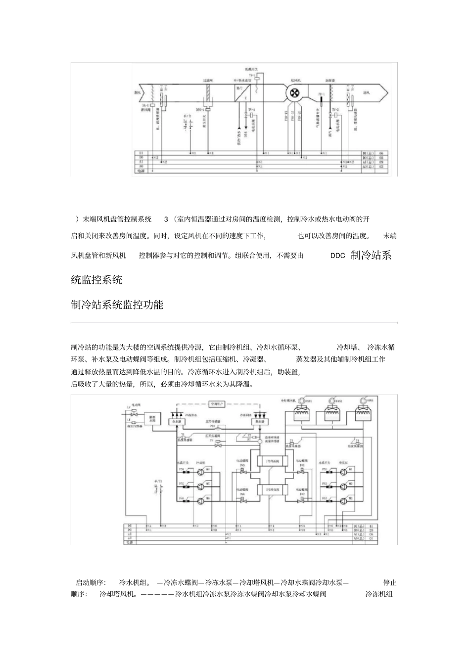
空调监控系统空调系统监控功能其控变风量机组,风机盘管等设备。智能大厦中的空调系统是指空调机组、新风机组,如果大厦内的空调系统已经有很高湿度调节、制主要是指温、预定时间表和自动启停控制。的自动化控制时,也可以采用只监不控的方式。来决定是否对电动湿度、通过检测回风的温度、空气处理机采用集中送风的控制方式,热水阀和加湿阀进行调节。冷/并通过检测回风的空气春秋季节送新风。冬季送暖风,空气处理机一般是夏季送冷风,质量来决定是否调节风阀的开度。1)空气处理机组的监控(采用定时程序控制,累计运行时间。风机控制:夏季送冷风、冬季送暖风、春秋季节送新风。温度控制:根据回风湿度调节加湿阀流量开度,控制蒸汽送给量。湿度控制:的焓值,调整风阀开度。风阀控制:根据室外温度和回风中CO2热水电动阀、加湿阀、新风风阀、回风风阀实施联动。/联锁控制:风机启停和冷自动转换,/参数监测:送风温度、湿度,回风温度、湿度,室内温度,室外温度,手动风机运行状态,电动水阀阀位反馈,加湿阀阀位反馈,过滤网压差开关,风机压差开关,防)等。霜冻保护开关,室内空气质量(CO2过滤网压差超限(过滤网堵塞)报警、风机故障报警、防霜冻低温报警、参报警功能:数越限报警等。湿度、新风温显示打印:动态流程画面、数据查询、运行曲线、送风温湿度、回风温湿度、阀位置显示、故障报表、数据报表。)新风机组的监控2(新风机是采用它对房间的温度并不实施控制,新风机组主要是用来给大楼内提供新风。定时送风的方式(属于开环控制),通常和末端风机盘管组合来完成大楼的空调控制。.)末端风机盘管控制系统3(室内恒温器通过对房间的温度检测,控制冷水或热水电动阀的开启和关闭来改善房间温度。同时,设定风机在不同的速度下工作,也可以改善房间的温度。末端风机盘管和新风机控制器参与对它的控制和调节。组联合使用,不需要由DDC制冷站系统监控系统制冷站系统监控功能制冷站的功能是为大楼的空调系统提供冷源,它由制冷机组、冷却水循环泵、冷却塔、冷冻水循环泵、补水泵及电动蝶阀等组成。制冷机组包括压缩机、冷凝器、蒸发器及其他辅制冷机组工作通过释放热量而达到降低水温的目的。冷冻循环水进入制冷机组后,助装置,后吸收了大量的热量,所以,必须由冷却循环水来为其降温。启动顺序:冷水机组。—冷冻水蝶阀—冷冻水泵—冷却塔风机—冷却水蝶阀冷却水泵—停止顺序:冷却塔风机。—————冷水机组冷冻水泵冷冻水蝶阀冷却水泵冷却水蝶阀冷冻机组启停:计算出冷负荷;根据冷负荷及压差根据对冷冻循环水温度、流量的检测,送入DDC回水总管上运行的电机台数。旁通阀的开度调整制冷机组的启停和供/压差旁通控制:与压差设定值比较,利用压差传感器检测冷冻循环水供回水总管的压差,送入DDC/回水之间的旁通,来恒定/经过计算送出相应信号调节冷冻循环供水比例阀的开度,实现供回水管网之间的压差。供/水泵控制:完成对冷冻泵、冷却泵的启停控制、运行状态、故障报警信号的管理。自动实现DDC恒压控制、循环倒泵、备用替开等功能。水流检测:接收水流开关对水流量的检测信号,当水流量很小或出冷冻泵、冷却泵运行后,DDC现断流现象时,应提供报警并停止相应的机组运行。冷却水温度控制:实时控制冷却塔风机的,DDC/将冷却循环水供回水总管上温度差值的检测信号送入启停和运行台数。联锁控制:回水温差、压差与旁通调节阀实现联动。/冷冻水供显示打印:冷却水湿度、冷冻水流量、动态运行流程画面、数据查询、运行曲线,冷冻水湿度、数据报表。回水压差。故障报表、/冷冻供参数监测:冷冻水温度、压力,冷冻水回水流量,冷却水温度,冷冻水泵的状态、故障、水流,冷却水泵的状态、故障、水流,制冷机组的状态、故障,冷却塔风扇的状态、故障。报警功能:所有检测的参数超限报警,水流开关报警,所有上述设备故障的报警。供热站系统监控系统供热站系统监控功能补水它由锅炉、板式换热器、冷冻水循环泵、供热站是为大楼内的空调系统提供热源,二次側的热水借板式换热器的一次側流入来自锅炉的热水或蒸汽,泵以及电动蝶阀等组成。助于冷冻循环水系统向用户提供空调...

1、当您付费下载文档后,您只拥有了使用权限,并不意味着购买了版权,文档只能用于自身使用,不得用于其他商业用途(如 [转卖]进行直接盈利或[编辑后售卖]进行间接盈利)。
2、本站所有内容均由合作方或网友上传,本站不对文档的完整性、权威性及其观点立场正确性做任何保证或承诺!文档内容仅供研究参考,付费前请自行鉴别。
3、如文档内容存在违规,或者侵犯商业秘密、侵犯著作权等,请点击“违规举报”。

碎片内容

空调监控系统

爱的疯狂+ 关注
实名认证
内容提供者

该用户很懒,什么也没介绍

确认删除?
VIP
微信客服
  • 扫码咨询
会员Q群
  • 会员专属群点击这里加入QQ群
客服邮箱
回到顶部