电脑桌面
添加小米粒文库到电脑桌面
安装后可以在桌面快捷访问

PE管安装施工工艺标准VIP免费

PE管安装施工工艺标准_第1页
1/9
PE管安装施工工艺标准_第2页
2/9
PE管安装施工工艺标准_第3页
3/9
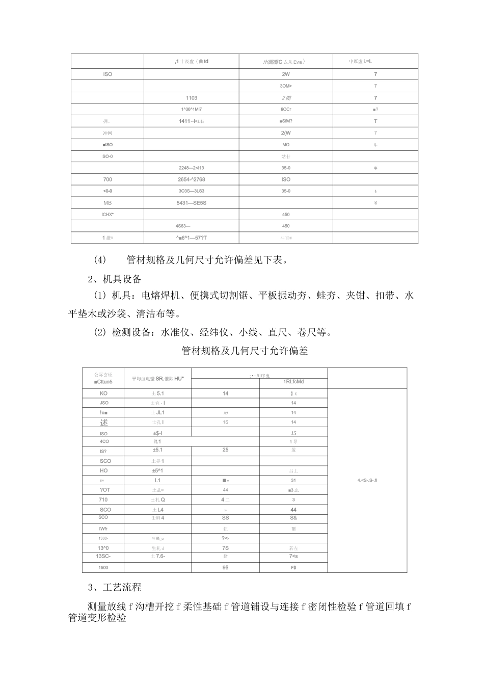
、PE管安装施工工艺1、材料要求(1)管材、管件及电热熔带进场应有产品合格证和出厂质量检验报告。(2)管材质量应符合下表的要求。管材质量标准表试验方袪GB/T3647評试齣熾如越祁1开CB/T96H躺尺艸解⑹©GB/T6671.2骨划墨不破黏MgWGB/T14152砌熱不赭GB/T6U1无師腮C3/TS11I(5W龟鹽时)⑹勿4。—(3)电热熔带标准见下表。电热熔带标准,1十長虛{曲td出圖攬C厶从EWE〉屮厚虛i.=LISO2W73OM>711032閒71^36^1Ml7fiOCr■?拥。1411〜i*£右■SfM?T冲网2(W7■ISOMO牛SO-0站廿2248—2

1、当您付费下载文档后,您只拥有了使用权限,并不意味着购买了版权,文档只能用于自身使用,不得用于其他商业用途(如 [转卖]进行直接盈利或[编辑后售卖]进行间接盈利)。
2、本站所有内容均由合作方或网友上传,本站不对文档的完整性、权威性及其观点立场正确性做任何保证或承诺!文档内容仅供研究参考,付费前请自行鉴别。
3、如文档内容存在违规,或者侵犯商业秘密、侵犯著作权等,请点击“违规举报”。

碎片内容

PE管安装施工工艺标准

您可能关注的文档

确认删除?
微信客服
  • 扫码咨询
会员Q群
  • 会员专属群点击这里加入QQ群