电脑桌面
添加小米粒文库到电脑桌面
安装后可以在桌面快捷访问

门窗的施工工艺VIP免费

门窗的施工工艺_第1页
1/10
门窗的施工工艺_第2页
2/10
门窗的施工工艺_第3页
3/10
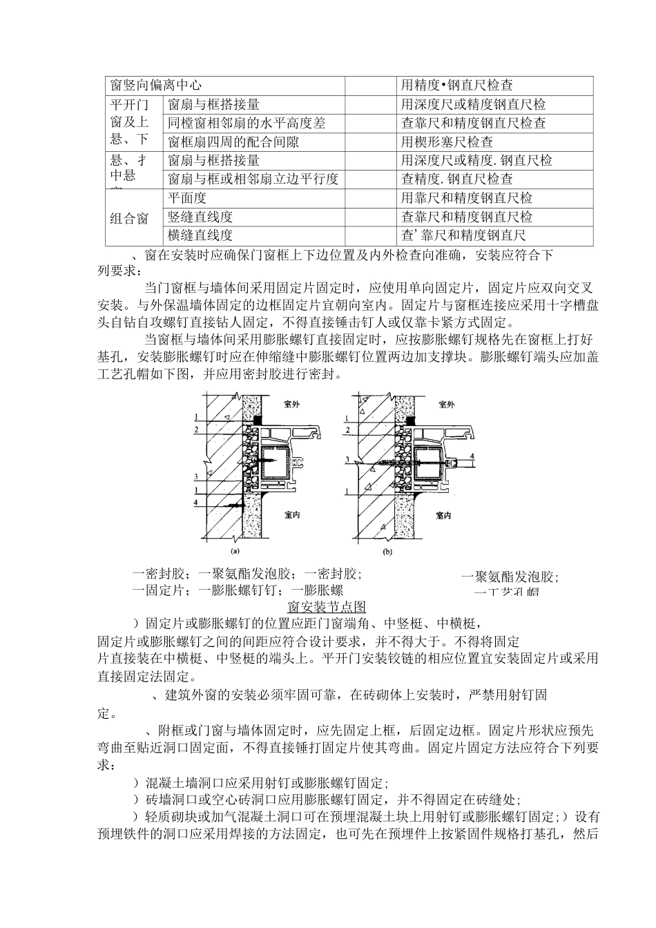
第七篇、门窗工程、塑钢窗的施工工艺标准、范围本工艺标准适用于一般工业与民用建筑的塑钢窗的安装工程、安装前准备工作、门窗应采用预留洞口法安装,不得采用边安装边砌口或先安装后砌口的施工方法。、门窗及玻璃的安装应在墙体湿作业完工且硬化后进行;当需要在湿作业前进行时,应采取保护措施。门的安装应在地面工程施工前进行。、应测出各窗洞口中线,并应逐一作出标记。对多层建筑,可从最高层一次垂吊。对高层建筑,可用经纬仪找垂直线,并根据设计要求弹出水平线。对于同类型的门窗洞口,上下、左右方向位置偏差应符合下列要求:①处于同一垂直位置的相邻洞口,中线左右位置相对偏差不应大于;全楼高度内,所有处于同一垂直线位置的各楼层洞口,左右位置相对偏差不应大于(全楼高度小于)或(全楼高度大于或等于);②处于同一水平位置的相邻洞口,中线上下位置相对偏差不应大于;全楼长度内,所有处于同一水平线位置的各楼层洞口,上下位置相对偏差不应大于(全楼长度小于)或(全楼长度大于或等于);、窗洞口宽度与高度尺寸的允许偏差应符合下表的规定。门窗的安装应在洞口尺寸检验合格,并办好工种间交接手续后方可进行。、窗的构造尺寸应考虑预留洞口与待安装门、窗框的伸缩缝间隙及墙体饰面材料的厚度。伸缩缝间隙应符合下表的规定。洞口宽度或高度尺寸的允许偏差(mm)口宽度或高度洞口类型<24002400〜4800>4800不带附框洞口未粉刷墙面±10+15±20已粉刷墙面土5+10±15已安装附框的洞口土5±10±15洞口与门、窗框伸缩缝间隙(mm)墙体饰面层材料洞口与门、窗框的伸缩缝间隙清水墙及附框10墙体外饰面抹水泥砂浆或贴陶瓷锦砖15〜20墙体外饰面贴釉面瓷砖20〜25墙体外饰面贴大理石或花岗石板40〜50外保温墙体保温层厚度+10注:窗下框与洞口的间隙可根据设计要求选定、施工程序预留洞口f检查并实测洞口尺寸f墙面抹灰f按实测尺寸(扣除安装缝隙)f下料f组装框f安立柱f刷防腐涂料f安装框f填塞四周灰缝f安装扇f安装玻璃f检查校正。、安装要求、窗洞口抹灰,外墙一次完成,抹灰进洞口内至门窗框边,施工时要留滴水线和坡度。内墙分两次完成,第一次抹灰至门窗洞口边,待门窗安装完毕,检查校正好后,再进行第二次抹灰,并压准门窗四周。、窗安装固定是通过锚固铁脚实现的,锚铁脚固定采用射钉枪将一钢钉射入墙体,用冲击孑L,埋入膨胀钿钉;施工时预留孔洞,埋设燕尾铁脚,或在混凝土中预埋铁板等方法,用砖墙不得用射钉固定。、立柱与外框安装时先点焊,然后用吊线法,用水平仪、钢卷尺等检查。检查水平、垂直度,并检查对角线是否符合要求,要求垂直度、水平度和对角经长度的误度并约在以内,合格后再焊接固定,外框与洞口缝隙应用石棉条或玻璃棉毡条分层填塞,弹性连接成固定,外留一深的槽口,填嵌密封材料。、内外装饰粉刷完,清扫工作就序后,始可进行窗扇安装工作,先将玻璃安入窗扇(或后装),撕墙框上的保护纸,再安装门窗扇,然后再进行第二次检查缝隙等直至符合质量要求为止。、为防止水泥,电火花等污染,施工时要作好保护、安装过程中面即时清理窗表面的水泥砂浆密封膏等。粉刷全部完成后,将保护胶纸撕去,并用醋酸乙酯擦试,污染部位用香蕉水擦净。、安装方法、窗安装要求:塑料窗应采用固定片法安装。、根据设计要求,可在窗框安装前预先安装附框。附框宜采用固定片法与墙体连接牢固。附框安装后应用水泥砂浆将洞口抹至与附框内表面平齐。附框与窗框间应预留伸缩缝,窗框与附框的连接应采用直接固定法,但不得直接在窗框排水槽内进行钻孔。、安装窗时,如果玻璃已装在窗上,宜卸下玻璃窗扇,并作标记。、应根据设计图纸确定门窗框的安装位置及窗扇的开启方向。当窗框装入洞口时,其上下框中线应与洞口中线对齐;窗的上下框四角及中横梃的对称位置应用木楔或垫块塞紧作临时固定;当下框长度大于时,其中央也应用木楔或垫块塞紧,临时固定;然后应按设计图纸确定门窗框在洞口墙体厚度方向的安装位置。、窗的安装允许偏差应符合下表的规定。窗的安装允许偏差项目允许偏差检验方法窗框外形高、宽尺寸长度差用精度钢卷尺,测量外框两相对外端面,测量部位距端部窗...

1、当您付费下载文档后,您只拥有了使用权限,并不意味着购买了版权,文档只能用于自身使用,不得用于其他商业用途(如 [转卖]进行直接盈利或[编辑后售卖]进行间接盈利)。
2、本站所有内容均由合作方或网友上传,本站不对文档的完整性、权威性及其观点立场正确性做任何保证或承诺!文档内容仅供研究参考,付费前请自行鉴别。
3、如文档内容存在违规,或者侵犯商业秘密、侵犯著作权等,请点击“违规举报”。

碎片内容

门窗的施工工艺

您可能关注的文档

确认删除?
VIP
微信客服
  • 扫码咨询
会员Q群
  • 会员专属群点击这里加入QQ群
客服邮箱
回到顶部