电脑桌面
添加小米粒文库到电脑桌面
安装后可以在桌面快捷访问

通风防排烟工程施工组织设计方案VIP免费

通风防排烟工程施工组织设计方案_第1页
1/7
通风防排烟工程施工组织设计方案_第2页
2/7
通风防排烟工程施工组织设计方案_第3页
3/7
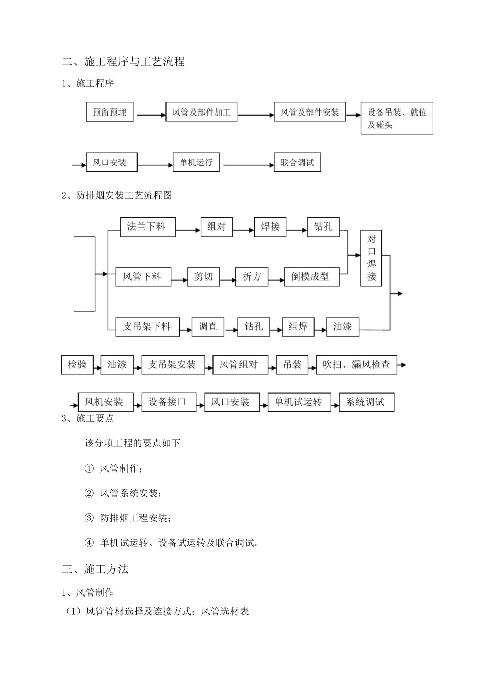
通风防排烟工程一、工程简介:本工程施工围为DI—D9公租楼及D组团车库的通风防排烟系统安装。1、D组团车库建筑面积:34679.68停车位:988辆;共2层,高度8.1米;负一层层高为4.2米,负二层层高为3.9米。每层楼分七个防火分区,各防火分区分别设置排风及送风系统。排风系统兼作事故排烟系统,送风系统兼作事故补风系统。2、D8,D9号楼建筑面积:46113.48眄建筑层数:32F;建筑高度:99.9M。3、D6号楼,D-5商业建筑面积:24056.66建筑层数:32F;建筑高度:98.1M;4、D5号楼,D-4商业建筑面积:25135.57m;建筑层数:32F;建筑高度:98.1M;5、D4号楼,D-2商业,D-3商业建筑面积:25847.02m;建筑层数:32F;建筑咼度:98.1M;6、D2,D3号楼建筑面积:46303.83tf;建筑层数:32F;建筑高度:97.8M7、D1,D7号楼建筑面积:21640.31m;其占地面积:719.69m;D1—D9公租楼楼梯间每隔一层设一个正压风口,失火时全部开启;前室每层设一个正压风口,失火时开启失火层及其上下相邻层。加压风机设在塔楼屋面或架空楼层,由消防中心控制开启其加压风机。D-2~D-5商业区域分别设置排风兼排烟系统。绘制加工图二、施工程序与工艺流程1、施工程序2、防排烟安装工艺流程图3、施工要点该分项工程的要点如下①风管制作;②风管系统安装;③防排烟工程安装;④单机试运转、设备试运转及联合调试。三、施工方法1、风管制作(1)风管管材选择及连接方式:风管选材表风管形状材质用途连接方式厚度矩形无机玻璃钢防排烟系统法兰连接按规GB50243-2002要求采用圆形无机玻璃钢加压送风系统法兰连接按规GB50243-2002要求采用螺栓规格(mm)风管边长b法兰规格螺栓规格bW63025X3M6630VbW150030X3M81500VbW250040X42500

1、当您付费下载文档后,您只拥有了使用权限,并不意味着购买了版权,文档只能用于自身使用,不得用于其他商业用途(如 [转卖]进行直接盈利或[编辑后售卖]进行间接盈利)。
2、本站所有内容均由合作方或网友上传,本站不对文档的完整性、权威性及其观点立场正确性做任何保证或承诺!文档内容仅供研究参考,付费前请自行鉴别。
3、如文档内容存在违规,或者侵犯商业秘密、侵犯著作权等,请点击“违规举报”。

碎片内容

通风防排烟工程施工组织设计方案

您可能关注的文档

确认删除?
微信客服
  • 扫码咨询
会员Q群
  • 会员专属群点击这里加入QQ群