电脑桌面
添加小米粒文库到电脑桌面
安装后可以在桌面快捷访问

钢结构防腐油漆与方案VIP免费

钢结构防腐油漆与方案_第1页
1/11
钢结构防腐油漆与方案_第2页
2/11
钢结构防腐油漆与方案_第3页
3/11
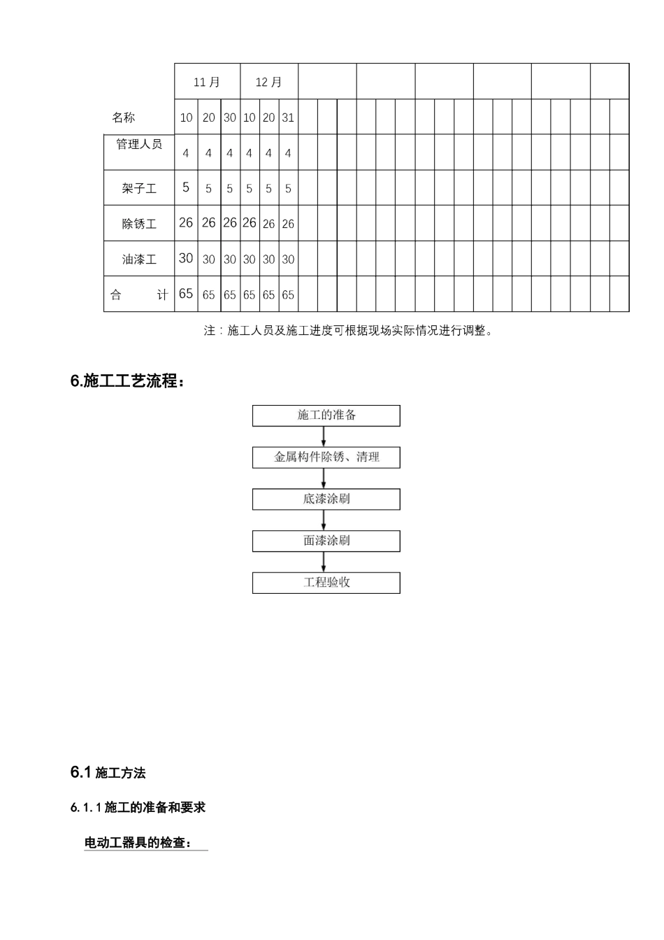
1.工程概况1.1概述东平中联水泥厂钢结构防腐油漆。1.2具体施工范围及工程量钢结构过渡防腐油漆约39吨。构件表面机械除锈,底漆一道,面漆二道。2.编制依据2.1东平水泥场现场施工2.2GB502052001《钢结构工程施工质量验收规范》2.3DL5009.12002《电力建设安全工作规程》2.4DL/T5047-95《电力建设施工及验收技术规范》(防腐油漆篇);2.5DL/T5047-95《电力建设施工及验收技术规范》(锅炉机组篇);2.6《火电施工质量检验及评定标准》(锅炉篇)(1996年版)。2.7《工业设备,管道防腐蚀工程施工及验收规范》HGJ229—91。2.8《电力建设安全健康与环境管理规定》2002—01—21实施。3.本专业工程特点3.1油漆材料质量要求高,施工工序要求严格。3.2除锈及涂刷油漆对空气相对湿度要求严格,因其直接关系到油漆表面光洁度和油漆的附着力。3.3油漆颜色调配要求精度高。4.施工条件4.1机械设备准备齐全并到位。4.2施工人员培训并体检合格后方可进入施工现场4.3管理人员到位。4.4安全及技术交底进行完毕4.5材料到位并检查合格。5人员安排5.1组织机构网络图5.2劳动力安排6.施工工艺流程:6.1施工方法6.1.1施工的准备和要求电动工器具的检查:1)外壳、手柄无裂缝、无损坏。2)保护地线或保护零线连接正确、牢固3)电缆或软线插头完好。4)开关动作正常、灵活,无损坏。5)电气保护装置完好。6)机械防护装置完好。7)转动部件灵活。施工工器具及场地要求:类别名称型号规格数量单位用途施工机具磨光机①12540台钢结构表面处理湿度计2把测施工环境湿度油漆刷200把油漆施工电动搅拌器4台搅拌油漆移动脚手架30台网架施工用空压机5台油漆施工推车5辆厂内运输安全设施安全网100M2安全防护安全帽65个安全防护安全带65个咼空作业安全防护施工场地200平米,材料堆放场地200平米。6.1.2主要施工材料材料管理1.领料:1)需核对油漆材料类别及数量。2)自购材料入厂需经甲方管理人员核对,确认品质、数量方可。3)材料领出前应会同发料人员清点数量及检查包装完整性。2.储存:1)不同品名油漆、稀释材料等应分别存放。2)储放场所须干燥及通风良好,油漆材料附近不得放置破布等易燃物品。3)油漆存放须远离明火场所10米以外且配备灭火器并设置“严禁烟火”标志牌,增加警示。4)油漆及稀释剂开罐后未用完应立即恢复加盖密封。油漆不得受到阳光直射防止起火。6.1.3金属构件生锈程度的等级将未经表面处理的钢结构表面锈蚀状态分为A、B、C、D四级。A级:金属结构表面完全覆盖着完整黑皮,无红铁锈或仅出现少量的红铁锈。B级:金属结构表面开始锈蚀,部分黑皮已剥落,出现红铁锈。C级:金属结构表面已产生全面性锈蚀,大部分黑皮已剥离或呈非常松懈状态。D级:黑皮已完全剥落,金属结构表面已产生许多锈孔,呈全面性严重腐蚀状态。表面除锈清洁度采用手工或电动工具除锈法1)手工或电动工具除锈法:B-St1级:使用钢刷来处理一些蓬松的铁锈和松懈的黑皮,直到刷不出铁锈为止,处理完成后再用溶剂清理B-St2级:需借助于强力机械来处理表面针孔、大部分松懈黑皮、浮锈及其它异物,然后用吸尘器、压缩空气或毛刷等将灰尘除去,处理后表面若没有得到光泽,仍须再用溶剂清洗。B-St3级:使用电动工具、钢刷或研磨机处理表面针孔、锈孔及异物,并经过清除灰尘后表面出现有金属光泽,然后再用溶剂清理。2)表面处理2.1钢结构表面的浮锈、松懈黑皮及异物用铲具、砂石、刮刀、砂纸和电动工具清除。2.2钢结构表面的油脂、漆痕,先用溶剂清洗除去,若表面尚有层叠的铁锈附著时,再用电动工具、钢刷或其它工具清除。2.3焊接焊缝附近的焊接飞溅、焊珠等须用电动工具或钢刷清除干净。2.4除锈完成后,应将表面附留的尘垢和杂物清净,若尚有残留油脂,应使用溶剂清洗。6.2油漆施工方法及注意事项6.2.1油漆施工环境:1)雨天、雾天及相对湿度高于80%时,除另有特别配方或规定外,不得进行室外油漆作业2)油漆工程施工时的环境温度不低于+20c。,相对湿度不大于60%3)钢结构防腐严禁在雨天、雪天、五级风及以上天气时施工。4施涂油漆后,4h内严禁雨淋。5)刷涂时构件不得有结露。6.2.2油漆混合及稀释:二液或二液一粉型油漆调配,依据要求比例缓慢将硬化...

1、当您付费下载文档后,您只拥有了使用权限,并不意味着购买了版权,文档只能用于自身使用,不得用于其他商业用途(如 [转卖]进行直接盈利或[编辑后售卖]进行间接盈利)。
2、本站所有内容均由合作方或网友上传,本站不对文档的完整性、权威性及其观点立场正确性做任何保证或承诺!文档内容仅供研究参考,付费前请自行鉴别。
3、如文档内容存在违规,或者侵犯商业秘密、侵犯著作权等,请点击“违规举报”。

碎片内容

钢结构防腐油漆与方案

确认删除?
VIP
微信客服
  • 扫码咨询
会员Q群
  • 会员专属群点击这里加入QQ群
客服邮箱
回到顶部