电脑桌面
添加小米粒文库到电脑桌面
安装后可以在桌面快捷访问

第十三章 电压 电阻VIP免费

第十三章    电压  电阻_第1页
1/20
第十三章    电压  电阻_第2页
2/20
第十三章    电压  电阻_第3页
3/20
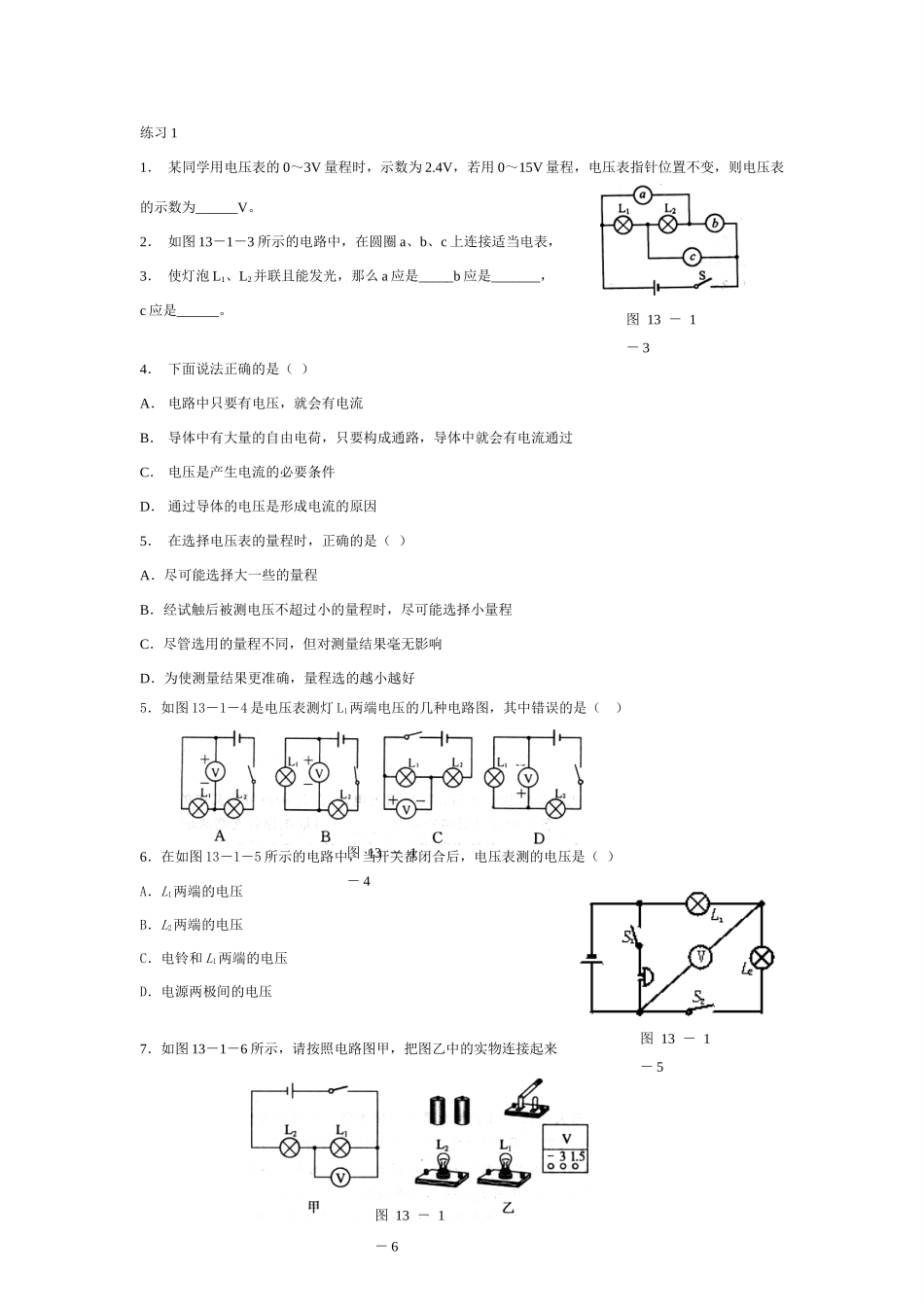
第十三章电压电阻第一节电压知识点津自学检测1._______是使电荷发生定向移动形成电流的原因,________是提供电压的装置。2.电压用字母_____表示,其国际单位是______,用字母_____表示,常用单位还有______、______。3.家庭照明电路电压是_______,对人体的安全电压是不超过_______的电压。4.500mV=_________V3000KV=__________V5.电压表的使用方法是:①___________________②____________________③__________________,在预先不知道被测电压大小的情况下,为了保护电压表,可以先选择_______(选填“大量程”或“小量程”)进行_______。6.如图13-1-1所示电压表有三个接线柱,依次标着“-”、“3”、“15”。当使用“-”和“15”两个接线柱时,表示量程是_______,分度值是____;当使用“-”和“3”两个接线柱时,表示量程是_______,分度值是____;现在电压表的示数为_______。学测同步例1.如图13-1-2所示的电路中,开关S闭合时,电压表所测的电压是()A.电灯L1两端的电压B.电灯L2两端的电压C.电灯L1、L2两端的电压D.电源电压点拨:判断电压表测的是那段电路两端的电压关键是看电压表跟谁并联,不要被图中的假象所迷惑,对于该题而言,电压表实际是跟灯L2并联的,既不跟电源并联也不跟灯L1并联,故选择B。前面我们学习了电流,你想知道电流形成的原因吗?在电路中如何去测量电路两端的电压呢?1.电压2.电压的测量知识点一1.电压及其电压的测量图13-1-1图13-1-2练习11.某同学用电压表的0~3V量程时,示数为2.4V,若用0~15V量程,电压表指针位置不变,则电压表的示数为______V。2.如图13-1-3所示的电路中,在圆圈a、b、c上连接适当电表,3.使灯泡L1、L2并联且能发光,那么a应是_____b应是_______,c应是______。4.下面说法正确的是()A.电路中只要有电压,就会有电流B.导体中有大量的自由电荷,只要构成通路,导体中就会有电流通过C.电压是产生电流的必要条件D.通过导体的电压是形成电流的原因5.在选择电压表的量程时,正确的是()A.尽可能选择大一些的量程B.经试触后被测电压不超过小的量程时,尽可能选择小量程C.尽管选用的量程不同,但对测量结果毫无影响D.为使测量结果更准确,量程选的越小越好5.如图13-1-4是电压表测灯L1两端电压的几种电路图,其中错误的是()6.在如图13-1-5所示的电路中,当开关都闭合后,电压表测的电压是()A.L1两端的电压B.L2两端的电压C.电铃和L1两端的电压D.电源两极间的电压7.如图13-1-6所示,请按照电路图甲,把图乙中的实物连接起来图13-1-3图13-1-4图13-1-5图13-1-6强化训练课堂小结限时检测1.仔细看图,如图13-1-7中甲表的示数为______V,甲表采用的是______量程;乙表的示数为______V,乙表采用的是______量程.2.以下关于电压的说法正确的是()A.有的干电池,一节的电压是2VB.对人体的安全电压不高于36VC.用电器正常的工作电压都是220VD.高压输电线的电压是380V3.比较电流表和电压表的使用规则,下列各说法中不正确的是().A.测量前都要估计测量值的范围,以选定量程B.使用前都要检查指针是否对准零刻度线C.接入电路时,都要严禁将表的两个接线柱直接连到电源的两极上D.接入电路时,都要使电流从正接线柱流入,从负接线流出4.李明同学在一次用有3V和15V两个量程的电压表测电压时,电压表的“+”接线柱已接入电路,在用15V量程试触时,指针位置如图13-1-8所示,则下一步实验操作应该是()A.直接接入c接线柱,然后读数B.直接接入b接线柱,然后读数C.断开开关,接入c接线柱,闭合开关后读数D.断开开关,接入b接线柱,闭合开关后读数电压作用:____________________________单位主单位:________常用单位:______关系:____________________常见电压值:家庭电路电压______干电池电压________对人体的安全电压______电压表使用方法①_________________________②_________________________③_________________________读数图13-1-7图13-1-85.在如图13-1-9所示电路中,甲、乙两个电表连接方法都正确的是()A.甲、乙都是电压表B.甲、乙都...

1、当您付费下载文档后,您只拥有了使用权限,并不意味着购买了版权,文档只能用于自身使用,不得用于其他商业用途(如 [转卖]进行直接盈利或[编辑后售卖]进行间接盈利)。
2、本站所有内容均由合作方或网友上传,本站不对文档的完整性、权威性及其观点立场正确性做任何保证或承诺!文档内容仅供研究参考,付费前请自行鉴别。
3、如文档内容存在违规,或者侵犯商业秘密、侵犯著作权等,请点击“违规举报”。

碎片内容

第十三章 电压 电阻

您可能关注的文档

远洋启航书店+ 关注
实名认证
内容提供者

从事历史教学,热爱教育,高度负责。

相关文档

确认删除?
VIP
微信客服
  • 扫码咨询
会员Q群
  • 会员专属群点击这里加入QQ群
客服邮箱
回到顶部