电脑桌面
添加小米粒文库到电脑桌面
安装后可以在桌面快捷访问

管道焊接工艺卡VIP免费

管道焊接工艺卡_第1页
1/18
管道焊接工艺卡_第2页
2/18
管道焊接工艺卡_第3页
3/18
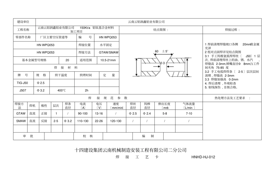
十四冶建设集团云南机械制造安装工程有限公司二分公司焊接工艺卡HNHD-HJ-012建设单位云南云铝润鑫铝业有限公司工程名称云南云铝润鑫铝业有限公司150Kt/a铝钛基合金材料加工项目结点简图:焊接过程:零部件名称厂区主要空压管道等编号HNWPQ02860±5°2-31焊前清理焊缝坡口各侧20mm致金属光泽2组对点固焊详见结点简图3.1手工钨极氩弧焊焊丝〔J50〕1层次,焊前清理焊丝上的油、锈、水汽,焊缝高2-3mm,喷嘴直径Ф8mm,与工件间夹角75-85度3.2手工钨极氩弧〔2〕层次层间清理,焊缝高2-3mm3.3焊缝加强高0-2mm4.焊后清理,外观检查5.射线探伤,Ⅱ级合格。HNWPQ028焊接位置水平固定HNWPQ028焊接方法GTAW基本金属型号规格20适用范围1.5-8mm焊接材料牌号规格烘干温度烘烤时间定量TIG-J50Ф2.5焊接规范参数热处理方法及工艺要求:焊接方法焊机极性层次焊条直径电流〔A〕电压〔V〕速度〔mm/min〕焊丝直径钨棒直径伸出长度〔mm〕气体流量〔L/min〕GTAW直流正接1/90-10013-16/Ф2.5Ф2.45-87-10GTAW直流正接2/100-11013-16120-130Ф2.5Ф2.45-87-10审批校核编制十四建设集团云南机械制造安装工程有限公司二分公司焊接工艺卡HNHD-HJ-013建设单位云南云铝润鑫铝业有限公司工程名称云南云铝润鑫铝业有限公司150Kt/a铝钛基合金材料加工项目结点简图:焊接过程:零部件名称厂区主要空压管道等编号HNWPQ03160±5°2-31焊前清理焊缝坡口各侧20mm致金属光泽2组对点固焊详见结点简图3.1手工钨极氩弧焊焊丝〔J50〕1层次,焊前清理焊丝上的油、锈、水汽,焊缝高2-3mm,喷嘴直径Ф8mm,与工件间夹角75-85度3.2手工电弧焊焊条〔2-3〕层次层间清理,焊缝高2-3mm3.3焊缝加强高0-2mm4.焊后清理,外观检查5.射线探伤,Ⅱ级合格。HNWPQ031焊接位置水平固定HNWPQ031焊接方法GTAW/SMAW基本金属型号规格20适用范围1.5-12mm焊接材料牌号规格烘干温度烘烤时间定量TIG-J50Ф2.5J507Ф3.2400℃2h焊接规范参数热处理方法及工艺要求:焊接方法焊机极性层次焊条直径电流〔A〕电压〔V〕速度〔mm/min〕焊丝直径钨棒直径伸出长度〔mm〕气体流量〔L/min〕GTAW直流正接1/90-10013-16/Ф2.5Ф2.45-87-10SMAW直流反接2-3Ф3.2110-13022-26120-130////审批校核编制十四建设集团云南机械制造安装工程有限公司二分公司焊接工艺卡HNHD-HJ-014建设单位云南云铝润鑫铝业有限公司工程名称云南云铝润鑫铝业有限公司150Kt/a铝钛基合金材料加工项目结点简图:焊接过程:零部件名称厂区主要空压管道等编号HNWPQ05360±5°2-31焊前清理焊缝坡口各侧20mm致金属光泽2组对点固焊详见结点简图3.1手工钨极氩弧焊焊丝〔J50〕1层次,焊前清理焊丝上的油、锈、水汽,焊缝高2-3mm,喷嘴直径Ф8mm,与工件间夹角75-85度3.2手工电弧焊焊条〔2-5〕层次层间清理,焊缝高2-3mm3.3焊缝加强高0-2mm4.焊后清理,外观检查5.射线探伤,Ⅱ级合格。HNWPQ053焊接位置水平固定HNWPQ053焊接方法GTAW/SMAW基本金属型号规格20适用范围10.5-21mm焊接材料牌号规格烘干温度烘烤时间定量TIG-J50Ф2.5J507Ф3.2400℃2h焊接规范参数热处理方法及工艺要求:焊接方法焊机极性层次焊条直径电流〔A〕电压〔V〕速度〔mm/min〕焊丝直径钨棒直径伸出长度〔mm〕气体流量〔L/min〕GTAW直流正接1/90-10013-16/Ф2.5Ф2.45-87-10SMAW直流反接2-5Ф3.2110-13022-26120-130////审批校核编制十四建设集团云南机械制造安装工程有限公司二分公司焊接工艺卡HNHD-HJ-012建设单位云南云铝润鑫铝业有限公司工程名称云南云铝润鑫铝业有限公司150Kt/a铝钛基合金材料加工项目结点简图:焊接过程:零部件名称厂区主要空压管道等编号HNWPQ12160±5°2-31焊前清理焊缝坡口各侧20mm致金属光泽2组对点固焊详见结点简图3.1手工钨极氩弧焊焊丝〔A304〕1层次,焊前清理焊丝上的油、锈、水汽,焊缝高2-3mm,喷嘴直径Ф8mm,与工件间夹角75-85度3.2手工电弧焊焊条〔2〕层次层间清理,焊缝高2-3mm3.3焊缝加强高0-2mm4.焊后清理,外观检查5.射线探伤,Ⅱ级合格。HNWPQ121焊接位置水平固定HNWPQ121焊接方法GTAW/SMAW基本金属型号规格0Cr18Ni9适用范围1.5-7mm焊接材料牌号规格烘干温度烘烤时间定量A304Ф2.5A102Ф3.2200℃1h焊接规范参数热处理方法及工艺要求:焊...

1、当您付费下载文档后,您只拥有了使用权限,并不意味着购买了版权,文档只能用于自身使用,不得用于其他商业用途(如 [转卖]进行直接盈利或[编辑后售卖]进行间接盈利)。
2、本站所有内容均由合作方或网友上传,本站不对文档的完整性、权威性及其观点立场正确性做任何保证或承诺!文档内容仅供研究参考,付费前请自行鉴别。
3、如文档内容存在违规,或者侵犯商业秘密、侵犯著作权等,请点击“违规举报”。

碎片内容

管道焊接工艺卡

您可能关注的文档

确认删除?
VIP
微信客服
  • 扫码咨询
会员Q群
  • 会员专属群点击这里加入QQ群
客服邮箱
回到顶部