电脑桌面
添加小米粒文库到电脑桌面
安装后可以在桌面快捷访问

高考物理一轮 (考纲自主研读+命题探究+高考全程解密) 第4讲实验六 描绘小灯泡的伏安特性曲线(含解析) 新人教版VIP免费

高考物理一轮 (考纲自主研读+命题探究+高考全程解密) 第4讲实验六 描绘小灯泡的伏安特性曲线(含解析) 新人教版_第1页
1/14
高考物理一轮 (考纲自主研读+命题探究+高考全程解密) 第4讲实验六 描绘小灯泡的伏安特性曲线(含解析) 新人教版_第2页
2/14
高考物理一轮 (考纲自主研读+命题探究+高考全程解密) 第4讲实验六 描绘小灯泡的伏安特性曲线(含解析) 新人教版_第3页
3/14
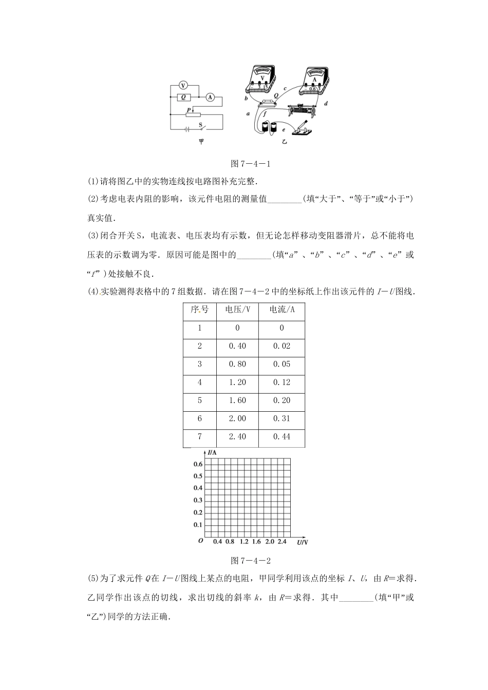
第4讲实验六描绘小灯泡的伏安特性曲线注意事项1.电流表外接法:本实验中被测小灯泡灯丝的电阻值较小,因此测量电路必须采用电流表外接法.2.滑动变阻器应采用分压式连接本实验要作出UI图线,要求测出一组包括零在内的电流、电压值,故控制电路必须采用分压接法.3.保护元件安全:为保护元件不被烧毁,开关闭合前变阻器滑片应位于图中的a端.加在小电珠两端的电压不要超过其额定电压.误差分析1.由于电压表不是理想电表,内阻并非无穷大,对电路的影响会带来误差,电流表外接,由于电压表的分流,使测得的电流值大于真实值.2.测量时读数带来误差.3.在坐标纸上描点、作图带来误差.热点实物连线及数据处理【典例1】一实验小组准备探究某种元件Q的伏安特性曲线,他们设计了如图7-4-1甲所示的电路图.请回答下列问题:图7-4-1(1)请将图乙中的实物连线按电路图补充完整.(2)考虑电表内阻的影响,该元件电阻的测量值________(“”“”“”填大于、等于或小于)真实值.(3)闭合开关S,电流表、电压表均有示数,但无论怎样移动变阻器滑片,总不能将电压表的示数调为零.原因可能是图中的________(“填a”“、b”“、c”“、d”“、e”或“f”)处接触不良.(4)实验测得表格中的7组数据.请在图7-4-2中的坐标纸上作出该元件的I-U图线.序号电压/V电流/A10020.400.0230.800.0541.200.1251.600.2062.000.3172.400.44图7-4-2(5)为了求元件Q在I-U图线上某点的电阻,甲同学利用该点的坐标I、U,由R=求得.乙同学作出该点的切线,求出切线的斜率k,由R=求得.其中________(“”填甲或“”乙)同学的方法正确.解析(1)由电路图可知,电流表为外接法,滑动变阻器为分压式接法.(2)由电流表外接的特点可知,该元件的测量值小于其真实值.(3)当图中的f处接触不良时,控制电路由分压式变为限流式,故无法将电压表的示数调为零.(4)根据表中的数据,先描点,再利用平滑的曲线连接起来.(5)I-U图线上切线(即斜率)可反映电阻的大小,但不能用来计算电阻的大小,而R=则可以用来计算电阻的大小.答案(1)如图所示(2)小于(3)f(4)如图所示(5)甲实物连线的原则1.先串后并,接线到柱,注意量程和正负.2.对限流电路,只需用笔画线代替导线,从电源正极开始,把电源、开关、滑动变阻“”器、伏安法四部分依次串联起来即可(注意电表的正负接线柱和量程,滑动变阻器应调到阻值最大处).3.对分压电路,应该先把电源、开关和滑动变阻器的全部电阻丝三部分用导线连接起来,然后在滑动变阻器电阻丝两端之中任选一个接头,比较该接头和滑动触头两点的电势高低,“”根据伏安法部分电表正负接线柱的情况,“”将伏安法部分接入该两点间.【变式跟踪1】物理兴趣小组的同学们从实验室中找到一只小灯泡,其标称功率值为0.75W,额定电压值已模糊不清.他们想测定其额定电压值,于是先用欧姆表直接测出该灯泡的电阻约为2Ω,然后根据公式计算出该灯泡的额定电压U==V=1.22V.他们怀疑所得电压值不准确,于是,再利用下面可供选择的实验器材设计一个电路,测量通过灯泡的电流和它两端的电压并根据测量数据来绘灯泡的U-I图线,进而分析灯泡的额定电压.A.电压表V(量程3V,内阻约3kΩ)B.电流表A1(量程150mA,内阻约2Ω)C.电流表A2(量程500mA,内阻约0.6Ω)D.滑动变阻器R1(0~20Ω)E.滑动变阻器R2(0~100Ω)F.电源E(电动势4.0V,内阻不计)G.开关S和导线若干H.待测灯泡L(额定功率0.75W,额定电压未知)(1)在下面所给的虚线框中画出他们进行实验的电路原理图,指出上述器材中,电流表选择________(“填A1”“或A2”);滑动变阻器选择________(“填R1”“或R2”).(2)在实验过程中,该同学将灯泡两端的电压由零缓慢地增加,当电压达到1.23V时,发现灯泡亮度很暗,当达到2.70V时,发现灯泡已过亮,便立即断开开关,并将所测数据记录在下边表格中.次数1234567U/V0.200.601.001.401.802.202.70I/mA80155195227255279310请你根据实验数据在图7-4-3中作出灯泡的U-I图线.图7-4-3(3)由图象得出该灯泡的额定电压应为________V;这一结果大于1.23V,其原因是________________________________________...

1、当您付费下载文档后,您只拥有了使用权限,并不意味着购买了版权,文档只能用于自身使用,不得用于其他商业用途(如 [转卖]进行直接盈利或[编辑后售卖]进行间接盈利)。
2、本站所有内容均由合作方或网友上传,本站不对文档的完整性、权威性及其观点立场正确性做任何保证或承诺!文档内容仅供研究参考,付费前请自行鉴别。
3、如文档内容存在违规,或者侵犯商业秘密、侵犯著作权等,请点击“违规举报”。

碎片内容

高考物理一轮 (考纲自主研读+命题探究+高考全程解密) 第4讲实验六 描绘小灯泡的伏安特性曲线(含解析) 新人教版

您可能关注的文档

文章天下+ 关注
实名认证
内容提供者

各种文档应有尽有

相关文档

确认删除?
VIP
微信客服
  • 扫码咨询
会员Q群
  • 会员专属群点击这里加入QQ群
客服邮箱
回到顶部