电脑桌面
添加小米粒文库到电脑桌面
安装后可以在桌面快捷访问

芝麻质量标准VIP免费

芝麻质量标准_第1页
1/7
芝麻质量标准_第2页
2/7
芝麻质量标准_第3页
3/7
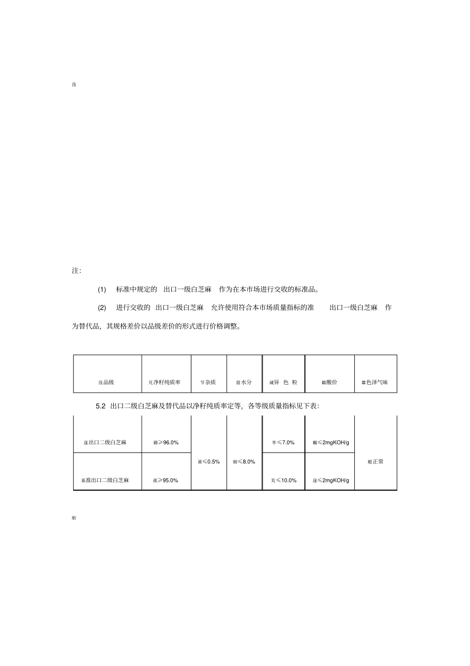
虿芝麻质量标准莅发布日期:[10-03-1019:28:32]薄薃螀1主题内容及适用范围本标准规定了本市场上市交收商品芝麻的特征指标、质量指标、检验方法、检验规则、标志、包装、运输及储存。本标准适用于本市场上市交收商品芝麻。2引用标准螈GB5490-1985粮食、油料检验的一般规则羄GB5491-1985粮食、油料检验扦样、分样法GB5492-1985粮食、油料检验色泽、气味、口味鉴定法GB5493-1985粮食、油料检验类型及互混检验法GB5494-1985粮食、油料检验杂质、不完善粒检验法GB5497-1985粮食、油料检验水分测定法GB5512-1985粮食、油料检验粗脂肪测定法GB7718-2004预包装食品标签通则莄3名词术语3.1纯质率:净试样重量减二分之一不完善粒,占净试样重量的百分率。3.2不完善粒:籽粒不完善但尚有食用价值的颗粒,包括下列几种:3.2.1未熟粒:籽粒不成熟,瘪缩,与正常粒显著不同的颗粒。3.2.2虫蚀粒:被虫蛀食,伤及子叶的颗粒。3.2.3破损粒:籽粒压扁、破裂的颗粒。3.2.4霉变粒:粒面生霉或子叶变色的颗粒。3.3杂质:通过规定筛层和无食用价值的物质,包括下列几种:3.3.1筛下物:通过直径l.0mm圆孔筛的物质。3.3.2无机杂质:砂石、泥土、砖瓦块及其他无机物质。3.3.3有机杂质:无食用价值的芝麻粒、异种粮油籽粒以及其他有机物质。3.4含油量:芝麻中的粗脂肪含量百分率。3.5色泽、气味:一批芝麻的综合色泽、气味。4分类本市场上市交易商品芝麻品种分三类:4.1.1出口一级白芝麻(交易代码:ZM1):种皮为白色、乳白色的芝麻在98%及以上不允许有黑芝麻。薈4.2.1出口二级白芝麻(交易代码:ZM3):种皮为白色、乳白色的芝麻高于93%以上不允许有黑芝麻。袆4.2.2准出口二级白芝麻为出口二级白芝麻的替代品:种皮为白色、乳白色的芝麻高于90%以上不允许有黑芝麻。蒃4.3榨油用芝麻(交易代码:ZM2):皮色不符合4.1、4.2、4.3、4.4色泽要求的杂色芝麻。5质量指标5.1出口一级白芝麻及替代品以净籽纯质率定等,各等级质量指标见下表:肄品级虿净籽纯质率艿杂质膆水分薀异色粒蚁酸价莇色泽气味薆出口一级白芝麻芁≥98.0%蒈≤0.5%蒅≤8.0%羅≤2.0%肁≤2mgKOH/g蕿正常袈准出口一级白芝麻莄≥97.0%羆≤5.0%袄≤2mgKOH/g莈注:(1)标准中规定的出口一级白芝麻作为在本市场进行交收的标准品。(2)进行交收的出口一级白芝麻允许使用符合本市场质量指标的准出口一级白芝麻作为替代品,其规格差价以品级差价的形式进行价格调整。5.2出口二级白芝麻及替代品以净籽纯质率定等,各等级质量指标见下表:蚄莈品级芃净籽纯质率节杂质葿水分蒇异色粒羇酸价羃色泽气味蒁出口二级白芝麻薅≥96.0%莆≤0.5%螃≤8.0%芈≤7.0%羈≤2mgKOH/g螅正常蒃准出口二级白芝麻荿≥95.0%芄≤10.0%蒁≤2mgKOH/g注:(1)标准中规定的出口二级白芝麻作为在本市场进行交收的标准品。(2)进行交收的出口二级白芝麻允许使用符合本市场质量指标的准出口二级白芝麻作为替代品,其规格差价以品级差价的形式进行价格调整。羄5.3榨油用芝麻以含油量定等,各等级质量指标见下表:罿芈品级薇含油量(标准水杂下)肃杂质蒀水分芀酸价蚅色泽气味薃一级(替代品一)膁≥51.0%莁≤0.5%肇≤8.0%膆≤2mgKOH/g羁正常膈二级(替代品二)膆≥50.0%肅三级(标准品)蒂≥49.0%肈四级(替代品三)聿≥48.0%莃五级(替代品四)蚃≥47.0%注:(1)标准中规定的三级榨油芝麻作为在本市场进行交收的标准品。(2)进行交收的三级榨油芝麻允许使用符合本市场质量指标的其它品级榨油芝麻作为替代品,其规格差价以品级差价的形式进行价格调整。蚈5.4在非基准交收仓库进行交收的货物本市场以地区差价的形式进行价格调整,对于地区差价、品级差价,本市场在交收月前一月底通过“中国芝麻交易网”(“交收中心”公布。蒆5.5卫生指标应符合国家有关规定。5.6植物检疫项目按国家有关规定执行。6检验方法6.1芝麻的扦样、分样按GB5491-1985执行。膄6.2色泽气味的检验按GB5492-1985执行。6.3不完善粒的检验按GB/T5494-1985的方法。肀6.4异色粒按GB5493-1985执行。6.5杂质及纯质率的检验按GB5494-1985执行。6.6水分的检验按GB5497-1985执行。螆6.7GB5512-1985粮食、油料检验粗脂肪测定法袅6.8酸价的...

1、当您付费下载文档后,您只拥有了使用权限,并不意味着购买了版权,文档只能用于自身使用,不得用于其他商业用途(如 [转卖]进行直接盈利或[编辑后售卖]进行间接盈利)。
2、本站所有内容均由合作方或网友上传,本站不对文档的完整性、权威性及其观点立场正确性做任何保证或承诺!文档内容仅供研究参考,付费前请自行鉴别。
3、如文档内容存在违规,或者侵犯商业秘密、侵犯著作权等,请点击“违规举报”。

碎片内容

芝麻质量标准

您可能关注的文档

确认删除?
VIP
微信客服
  • 扫码咨询
会员Q群
  • 会员专属群点击这里加入QQ群
客服邮箱
回到顶部