电脑桌面
添加小米粒文库到电脑桌面
安装后可以在桌面快捷访问

塔吊检查记录表最全VIP专享VIP免费

塔吊检查记录表最全_第1页
1/40
塔吊检查记录表最全_第2页
2/40
塔吊检查记录表最全_第3页
3/40
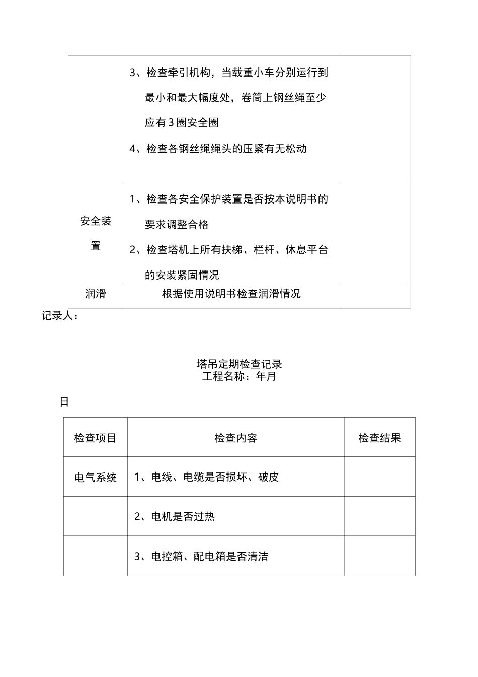
塔吊定期检查记录工程名称:年月日检查项目检查内容检查结果基础1.检查地脚螺栓的情况2.检查输电线距塔机最大旋转部分的安全距离并检查电缆通过情况,以防损坏塔身检查标准节连接螺栓的紧固情况爬升架1、检查与下支座的连接情况2、检查各滚轮、活动爬爪、销轴连接各部件的转动或摆动是否灵活3、检查走到、栏杆的紧固情况上、下支座司机室1、检查与回转支承连接的螺栓紧固情况2、检查电缆的通行状况3、检查平台、栏杆的紧固情况4、检查与司机室的连接情况5、司机室内严禁存放润滑油、油棉纱及其它易燃品1塔帽1、检查起重臂、栏杆、平衡臂拉杆的安装情况2、检查扶梯、平台、护栏的安装情况3、保证起升钢丝绳穿扰正确起重臂1、检查各处连接销轴、垫圈、开口销安装的正确性2、检查载重小车安装运行状况,载人吊篮的紧固情况3、检查起升、变幅钢丝绳缠绕及紧固情况平衡臂1、检查平衡臂的固定情况2、检查平衡臂栏杆及走到的安装情况,保证走到无杂物吊具1、检查换倍率装置,吊钩的防脱绳装置是否安全、可靠2、检查吊钩有无影响使用的缺陷3、检查起升、变幅钢丝绳的规格、型号应符合要求4、检查钢丝绳的磨损情况及绳端固定情况机构1、检查各机构的安装、运行情况2、各机构的制动器间隙调整合适3、检查牵引机构,当载重小车分别运行到最小和最大幅度处,卷筒上钢丝绳至少应有3圈安全圈4、检查各钢丝绳绳头的压紧有无松动安全装置1、检查各安全保护装置是否按本说明书的要求调整合格2、检查塔机上所有扶梯、栏杆、休息平台的安装紧固情况润滑根据使用说明书检查润滑情况记录人:塔吊定期检查记录工程名称:年月日检查项目检查内容检查结果电气系统1、电线、电缆是否损坏、破皮2、电机是否过热3、电控箱、配电箱是否清洁4、各安全装置的行程开关触点开闭是否可靠,触头弧坑是否磨光5、保护接地电阻测试数据6、绝缘电阻测试数据记录人:测试人:塔吊定期检查及维护工程名称:年月日检查项目检查内容检查结果维护方法基础1、检查地脚螺栓的情况2、检查输电线距塔机最大旋转部分的安全距离并检查电缆通过情况,以防损坏塔身检查标准节连接螺栓的紧固情况爬升架1、检查与下支座的连接情况2、检查各滚轮、活动爬爪、销轴连接各部件的转动或摆动是否灵活3、检查走到、栏杆的紧固情况上、下支座司机室1、检查与回转支承连接的螺栓紧固情况2、检查电缆的通行状况3、检查平台、栏杆的紧固情况4、检查与司机室的连接情况5、司机室内严禁存放润滑油、油棉纱及其它易燃品塔帽1、检查起重臂、栏杆、平衡臂拉杆的安装情况2、检查扶梯、平台、护栏的安装情况3、保证起升钢丝绳穿扰正确起重臂1、检查各处连接销轴、垫圈、开口销安装的正确性2、检查载重小车安装运行状况,载人吊篮的紧固情况3、检查起升、变幅钢丝绳缠绕及紧固情况平衡臂1、检查平衡臂的固定情况2、检查平衡臂栏杆及走到的安装情况,保证走到无杂物吊具1、检查换倍率装置,吊钩的防脱绳装置是否安全、可靠2、检查吊钩有无影响使用的缺陷3、检查起升、变幅钢丝绳的规格、型号应符合要求4、检查钢丝绳的磨损情况及绳端固定情况机构1、检查各机构的安装、运行情况2、各机构的制动器间隙调整合适3、检查牵引机构,当载重小车分别运行到最小和最大幅度处,卷筒上钢丝绳至少应有3圈安全圈4、检查各钢丝绳绳头的压紧有无松动安全装置1、检查各安全保护装置是否按本说明书的要求调整合格2、检查塔机上所有扶梯、栏杆、休息平台的安装紧固情况润滑根据使用说明书检查润滑情况记录人:塔式起重机定期检查及维护记录年月日名程称一工*II题塔吊结构位装安件结联#.确附正#.是部置是开矩撬力全紧完拧否栓是螺销□纹裂劳疲量1一二1一二配、二二,、一绳轮钩系统滑闰\7□否是损磨和丝断正否是准格标规废丝到钢达准标家国合符否是二m-«和定固纟\丝钢无有滑象位现部塞各卡置装损靠>可钩否吊是传动系统声响常异滑确润正各否□电器系统□照仪装纵操制控装5♦O气欧安全限位和保险装置误合综其□不差误其靠可、靠可、施工单位变幅限位器是否灵敏、可靠超髙限位器是否灵敏、可靠吊钩保险是否灵活、可靠卷筒保险是否灵活、可靠验收签字检查人姓名记录人姓名起重机安全...

1、当您付费下载文档后,您只拥有了使用权限,并不意味着购买了版权,文档只能用于自身使用,不得用于其他商业用途(如 [转卖]进行直接盈利或[编辑后售卖]进行间接盈利)。
2、本站所有内容均由合作方或网友上传,本站不对文档的完整性、权威性及其观点立场正确性做任何保证或承诺!文档内容仅供研究参考,付费前请自行鉴别。
3、如文档内容存在违规,或者侵犯商业秘密、侵犯著作权等,请点击“违规举报”。

碎片内容

塔吊检查记录表最全

确认删除?
VIP
微信客服
  • 扫码咨询
会员Q群
  • 会员专属群点击这里加入QQ群
客服邮箱
回到顶部