电脑桌面
添加小米粒文库到电脑桌面
安装后可以在桌面快捷访问

设计一台用成型铣刀在加工件上加工出成型面的液压专用铣床VIP免费

设计一台用成型铣刀在加工件上加工出成型面的液压专用铣床_第1页
1/17
设计一台用成型铣刀在加工件上加工出成型面的液压专用铣床_第2页
2/17
设计一台用成型铣刀在加工件上加工出成型面的液压专用铣床_第3页
3/17
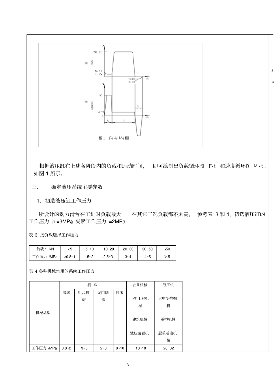
-1-液压传动设计题目备一、设计任务半自动液压专用铣床液压系统1.设计要求:设计一台用成型铣刀在加工件上加工出成型面的液压专用铣床,工作循环:手工上料——自动夹紧——工作台快进——铣削进给——工作台快退——夹具松开——手工卸料。2.设计参数设计参数见表1。其中:工作台液压缸负载力(KN):FL夹紧液压缸负载力(KN)Fc工作台液压缸移动件重力(KN):G夹紧液压缸负移动件重力(N):Gc工作台快进、快退速度(m/min):V1=V3夹紧液压缸行程(mm):Lc工作台工进速度(mm/min):V2夹紧液压缸运动时间(S):tc工作台液压缸快进行程(mm):L1导轨面静摩擦系数:μs=0.2工作台液压缸工进行程(mm):L2导轨面动摩擦系数:μd=0.1工作台启动时间(S):t=0.5表13.完成工作量:液压系统原理图(A3);零件图和部件装配图各1张(A3);设计说明书1份,零部件目录表1份。注:在进行零部件设计时,集成块和油箱部件可以任选FLFLGGcV1V2L1L2cLctc2.86.82.2745.44526090102夹进-2-二.负载与运动分析1、工作负载工作负载即为切削阻力FL=2800N。2、摩擦负载摩擦负载即为导轨的摩擦阻力:静摩擦阻力0.22200440fssFGN动摩擦阻力0.12200220fddFGN3、惯性负载22005.440.49.80.260iGvFNgt4、运动时间快进3111260102.890.09Ltsv工进2232901200.7510Ltsv快退3123326090103.890.09LLtsv设液压缸的机械效率ηcm=0.9,得出液压缸在各工作阶段的负载和推力,如表2所示表2液压缸各阶段的负载和推力工况负载组成液压缸负载F/N液压缸推力F0=F/ηcm/N启动440490加速261290快进220245工进30203356反向启动440489加速261290快退220245Fvv0m3-3-根据液压缸在上述各阶段内的负载和运动时间,即可绘制出负载循环图F-t和速度循环图-t,如图1所示。三、确定液压系统主要参数1.初选液压缸工作压力所设计的动力滑台在工进时负载最大,在其它工况负载都不太高,参考表3和4,初选液压缸的工作压力p1=3MPa。夹紧工作压力=2MPa表3按负载选择工作压力负载/KN<55~1010~2020~3030~50>50工作压力/MPa<0.8~11.5~22.5~33~44~5≥5表4各种机械常用的系统工作压力机械类型机床农业机械小型工程机械建筑机械液压凿岩机液压机大中型挖掘机重型机械起重运输机械磨床组合机床龙门刨床拉床工作压力/MPa0.8~23~52~88~1010~1820~32=-4-2.计算液压缸主要尺寸(1)、鉴于动力滑台快进和快退速度相等,这里的液压缸可选用单活塞杆式差动液压缸(A1=2A2),快进时液压缸差动连接。液压缸的回油腔应有背压,参考表5选此背压为p2=0.5MPa。表5执行元件背压力系统类型背压力/MPa简单系统或轻载节流调速系统0.2~0.5回油路带调速阀的系统0.4~0.6回油路设置有背压阀的系统0.5~1.5用补油泵的闭式回路0.8~1.5回油路较复杂的工程机械1.2~3回油路较短且直接回油可忽略不计由式得:3212130201.22100.50.9322cmFAmpp则活塞直径31441.221039.43.14ADmm考表6及表7,得d0.71D=32mm,圆整后取标准数值得D=40mm,d=32mm。表6按工作压力选取d/D工作压力/MPa≤5.05.0~7.0≥7.0d/D0.5~0.550.62~0.700.7表7按速比要求确定d/D2/11.151.251.331.461.612d/D0.30.40.50.550.620.71由此求得液压缸两腔的实际有效面积为工p背PDd油度-5-224210.0412.56104Amm222224220.040.0324.521044ADdmm根据计算出的液压缸的尺寸,可估算出液压缸在工作循环中各阶段的压力、流量和功率,如表8所列,由此绘制的液压缸工况图如图2所示表8液压缸在各阶段的压力、流量和功率值工况推力F0/N回油腔压力p2/MPa进油腔压力p1/MPa输入流量q×10-3/m3/s输入功率P/KW计算公式快进启动490—0.61——加速290p1+Δp0.38——恒速245p1+Δp0.310.0730.023工进33560.62.8930.95100.0028快退启动489—1.08——加速2900.52.03——恒速2450.51.930.0410.079(Δp为液压缸差动连接时,回油口到进油口之间的压力损失,取Δp=0.5MPa。快退时,液压缸有杆腔进油,压力为p1,无杆腔回油,压力为p2。)油度V0VmAAΔ动口的Δ快有力回-6-液压缸工况图(2).夹紧缸,鉴于夹紧时速度相等,这里的液压缸可选用单活塞杆式差动液压缸342AA所以夹紧缸运行的快进与快退时有342VV(3V—无杆腔进油时活塞运动速度;4...

1、当您付费下载文档后,您只拥有了使用权限,并不意味着购买了版权,文档只能用于自身使用,不得用于其他商业用途(如 [转卖]进行直接盈利或[编辑后售卖]进行间接盈利)。
2、本站所有内容均由合作方或网友上传,本站不对文档的完整性、权威性及其观点立场正确性做任何保证或承诺!文档内容仅供研究参考,付费前请自行鉴别。
3、如文档内容存在违规,或者侵犯商业秘密、侵犯著作权等,请点击“违规举报”。

碎片内容

设计一台用成型铣刀在加工件上加工出成型面的液压专用铣床

您可能关注的文档

确认删除?
VIP
微信客服
  • 扫码咨询
会员Q群
  • 会员专属群点击这里加入QQ群
客服邮箱
回到顶部