电脑桌面
添加小米粒文库到电脑桌面
安装后可以在桌面快捷访问

质量检验规范内容VIP免费

质量检验规范内容_第1页
1/12
质量检验规范内容_第2页
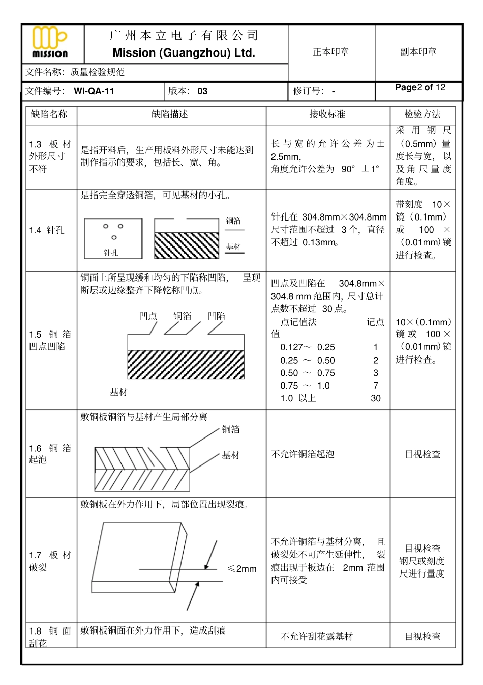
2/12
质量检验规范内容_第3页
3/12
广州本立电子有限公司Mission(Guangzhou)Ltd.正本印章副本印章文件名称:质量检验规范文件编号:WI-QA-11版本:03修订号:-Page1of12说明此质量检验规范是参与GB、IPC-A-600F、MIL等相关标准而制订的工厂质量检验规范,该检验规范之要求若与顾客要求不符时,以顾客要求为准。本公司IPQC设置工序:开料、钻孔、孔金属化、干膜、蚀刻、绿油、字符、沉镍/金、外形加工、喷锡等。此规范之说明权及修订权在于广州本立有限公司品质部。工序:1.0开料工序缺陷名称缺陷描述接收标准检验方法1.1板材厚度不符(板厚、板薄不均)板材厚度不符为板厚未能满足要求的公差范围内。覆铜板厚度公差覆铜板厚度用千分尺(0.1mm)测量板料的四个角英制公制英制(IN)公制范围(mm)0.0080.2±0.0015±0.040.16~0.240.0120.3±0.0015±0.040.24~0.340.0160.4±0.0020±0.050.35~0.450.0200.5±0.0025±0.060.44~0.560.0240.6±0.0025±0.060.54~0.660.0310.8±0.0025±0.060.74~0.860.0401.0±0.0040±0.100.90~1.100.0461.2±0.0050±0.131.07~1.330.0551.4±0.0050±0.131.27~1.530.0591.5±0.0050±0.131.37~1.630.0621.6±0.0050±0.131.47~1.730.0802.0±0.0070±0.181.82~2.180.0952.4±0.0070±0.182.22~2.580.1002.5±0.0070±0.182.32~2.680.1193.0±0.0090±0.232.77~3.230.1263.2±0.0090±0.232.97~3.430.1383.5±0.0090±0.233.27~3.731.2铜箔厚度不符(铜厚、铜薄、铜厚不均)是指板料铜箔厚度未能满足铜箔要求的公差范围内箔重代字标准值箔重百分公差(%)标示厚度″(um)厚度公差″(um)1.用金相,切片法观察铜箔厚度;2.用专用铜箔测厚仪测量铜箔厚度。H0.50±100.0007(1.75)±.00007(1.75)11.00±100.0014±.0001422.00±100.0028(7.0)±.00028(7.0)33.00±100.0042(10.5)±.00042(10.5)广州本立电子有限公司Mission(Guangzhou)Ltd.正本印章副本印章文件名称:质量检验规范文件编号:WI-QA-11版本:03修订号:-Page2of12缺陷名称缺陷描述接收标准检验方法1.3板材外形尺寸不符是指开料后,生产用板料外形尺寸未能达到制作指示的要求,包括长、宽、角。长与宽的允许公差为±2.5mm,角度允许公差为90°±1°采用钢尺(0.5mm)量度长与宽,以及角尺量度角度。1.4针孔是指完全穿透铜箔,可见基材的小孔。铜箔基材针孔在304.8mm×304.8mm尺寸范围不超过3个,直径不超过0.13mm。带刻度10×镜(0.1mm)或100×(0.01mm)镜进行检查。1.5铜箔凹点凹陷铜面上所呈现缓和均匀的下陷称凹陷,呈现断层或边缘整齐下降乾称凹点。凹点铜箔凹陷基材凹点及凹陷在304.8mm×304.8mm范围内,尺寸总计点数不超过30点。点记值法记点值0.127~0.2510.25~0.5020.50~0.7530.75~1.071.0以上3010×(0.1mm)镜或100×(0.01mm)镜进行检查。1.6铜箔起泡敷铜板铜箔与基材产生局部分离铜箔基材不允许铜箔起泡目视检查1.7板材破裂敷铜板在外力作用下,局部位置出现裂痕。≤2mm不允许铜箔与基材分离,且破裂处不可产生延伸性,裂痕出现于板边在2mm范围内可接受目视检查钢尺或刻度尺进行量度1.8铜面刮花敷铜板铜面在外力作用下,造成刮痕不允许刮花露基材目视检查针孔广州本立电子有限公司Mission(Guangzhou)Ltd.正本印章副本印章文件名称:质量检验规范文件编号:WI-QA-11版本:03修订号:-Page3of12缺陷名称缺陷描述接收标准检验方法1.9板黄烧焦指烘板导致板基材变色或烧焦现象不允许板黄或烧焦目视检查1.10板面污染指板面存在严重氧化现象、胶渍、油污等现象不允许接受目视检查工序:2.0钻孔缺陷名称缺陷描述接收标准检验方法2.1偏孔孔位置与设计理论位置不符合孔位偏差不得大于0.076mm,或以生产用黄菲林对板检查,偏移孔之对应焊盘宽度应符合产品规格之要求。生产黄菲林对拍板目视检测或微机进行测量2.2孔数不符(漏钻、多孔)生产板孔数量多于或小于要求孔数不允许接受(测试孔、工具孔若多孔、少孔、钻未透在不报废的前提下可让步接受)红胶片、目视检查2.3孔径不符(孔径过大、孔径过小)生产板孔径大于或小于钻孔指示或产品规格之孔径要求各种不同大小之孔径,应符合钻孔指示或产品上之钻头直径,实测值比相对应...

1、当您付费下载文档后,您只拥有了使用权限,并不意味着购买了版权,文档只能用于自身使用,不得用于其他商业用途(如 [转卖]进行直接盈利或[编辑后售卖]进行间接盈利)。
2、本站所有内容均由合作方或网友上传,本站不对文档的完整性、权威性及其观点立场正确性做任何保证或承诺!文档内容仅供研究参考,付费前请自行鉴别。
3、如文档内容存在违规,或者侵犯商业秘密、侵犯著作权等,请点击“违规举报”。

碎片内容

质量检验规范内容

文库响当当+ 关注
实名认证
内容提供者

该用户很懒,什么也没介绍

确认删除?
VIP
微信客服
  • 扫码咨询
会员Q群
  • 会员专属群点击这里加入QQ群
客服邮箱
回到顶部