电脑桌面
添加小米粒文库到电脑桌面
安装后可以在桌面快捷访问

起下钻标准作业VIP专享VIP免费

起下钻标准作业_第1页
1/19
起下钻标准作业_第2页
2/19
起下钻标准作业_第3页
3/19
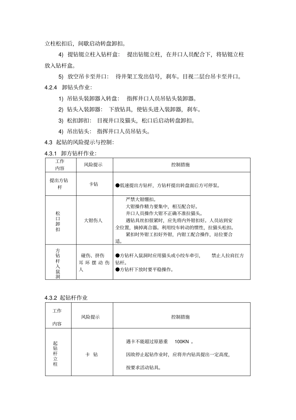
起下钻操作(一)4起钻4.1起钻的准备工作:4.1.1起钻前要循环和调整好钻井液,使之符合要求。4.1.2检查刹车系统、指重表、死活绳固定、操作气门等是否正常。4.1.3检查防碰装置是否正常。4.1.4设备运转良好,工作环境达到标准要求。4.1.5检查各岗位起钻前的准备工作。4.2起钻的标准化操作4.2.1卸方钻杆作业1)提出方钻杆:停转盘.低速提出方钻杆,刹车。吊卡扣好后,平稳下放钻具,座吊卡,停泵。2)松扣,卸扣:目视猫头及井口,松扣后平稳启动转盘卸扣。使用液压大钳卸扣,目视井口及液压大钳操作3)方钻杆入鼠洞:将方钻杆提离钻杆内螺纹接头.待方钻杆拉至大鼠洞对正后下放游车退出水龙头提环。4.2.2起钻杆作业:1)挂井口吊卡:目视井口,下放游车,使吊环对准井口吊卡,配合内外钳挂上井口吊卡。2)起钻杆立柱:提伸大钩弹簧,目视指重表、井口起出立柱、刹车。待扣上吊卡、平稳下放立柱坐于吊卡上。3)松扣卸扣:目视猫头及井口操作,立柱松扣后,间歇起动转盘卸扣。使用液压大钳时,目视井口及液压大钳操作。4)提立柱入钻杆盒:提立柱出钻杆内螺纹,在内外钳工配合下,平稳下放立柱入钻杆盒。当二层台吊卡离开母接头、刹车。观察井架工开吊卡。5)座空吊卡于转盘面:平稳下放游车,调整吊卡方向座空吊卡于钻盘面。4.2.3起钻铤作业1)接提升短节:放游车至井口,扣上提升短节,将其提起对扣。2)起钻铤立柱:缓慢上提,拉伸大钩弹簧,刹车。取出安全卡瓦后,起钻铤立柱至二层台,刹车。3)座卡瓦、卡安全卡瓦、卸扣:配合井口人员座卡瓦,待卡好安全卡瓦,立柱松扣后,间歇启动转盘卸扣。4)提钻铤立柱入钻杆盒:提出钻铤立柱,在井口人员配合下,将钻铤立柱放入钻杆盒。5)放空吊卡至井口:待井架工发出信号,刹车。目视二层台吊卡至井口。4.2.4卸钻头作业:1)吊钻头装卸器入转盘:指挥井口人员吊钻头装卸器。2)钻头入装卸器:下放钻具,使钻头进入装卸器,刹车。3)松扣卸扣:目视井口及猫头,松口后启动转盘卸扣。4)吊出钻头:指挥井口人员吊钻头。4.3起钻的风险提示与控制:4.3.1卸方钻杆作业:工作内容风险提示控制措施提出方钻杆卡钻●低速提出方钻杆,方钻杆提出转盘面后方可停泵。松口卸扣大钳伤人严禁大钳绷扣。大钳操作精力要集中,相互配合好。井口人员操作大钳不正确不准拉猫头。遇钻具丝扣很紧时,应先将内外钳扣好。人员站到安全位置,摘掉离合器。利用绞车转动的惯性,拉猫头松扣。紧扣时外钳工扣好外钳,内钳工配合操作,站位要合适。方钻杆入鼠洞碰伤、挤伤耳环摆动伤人●方钻杆入鼠洞时应用猫头或小绞车牵引,禁止人拉肩扛方钻杆。●方钻杆下放时要平稳操作。4.3.2起钻杆作业工作内容风险提示控制措施起钻杆立柱卡钻遇卡不能超过原悬重100KN。因故停止起钻作业时,应将井内钻具提出一定高度,按要求活动钻具。井喷每提3-5柱钻杆灌一次泥浆安排专人座岗,观察提钻情况避免拔活塞,并保证灌入钻井液量与起出钻具体积相一致。单耳环伤人、折断钻具井深在1000m以上时应使用小补心。操作要平稳,等井口人员挂好吊环后方可上提不得采用边起车边挂吊卡的方法进行起钻作业井口操作者不得遮挡司钻操纵视线。伤人起钻时应打开大钩制动销,操作要平稳。井口人员摘扣吊卡时,一定要将滚筒刹牢拉钻杆时必须使用钻杆钩子,头不能伸进立柱,禁止用肩扛钻杆。碰天车操作前要仔细检查气路系统及防碰天车装置。操作时要集中精力,密切注视钻具出井情况。冬季要经常活动各气控开关。刹把不能交给无司钻操作证人员操作。4.3.3起钻铤作业工作内容风险提示控制措施起钻铤立柱伤人游车下放时,严禁接提升短节。上提钻铤时,安全卡瓦必须卸掉,禁止安全卡瓦随钻铤一起上拉。起钻铤时三片卡瓦或多片卡瓦必须提出井口。必须使用钻杆钩子,站位姿势正确,头不能伸进立柱,禁止用肩扛。挂指梁平稳操作,目视游动系统过二层台指梁。钻铤落井三片卡瓦尺寸与钻铤尺寸相匹配。接提升短节必须按要求等游车至井口,扣上提升短节,将其提起对扣紧扣。安全卡瓦按要求卡牢。游车压立柱平稳下放立柱入钻杆盒,待架工将立柱拉入钻杆支梁后方可下放游车。井喷起钻铤时必须连续向井内灌钻井液,注意观察灌入钻井液量...

1、当您付费下载文档后,您只拥有了使用权限,并不意味着购买了版权,文档只能用于自身使用,不得用于其他商业用途(如 [转卖]进行直接盈利或[编辑后售卖]进行间接盈利)。
2、本站所有内容均由合作方或网友上传,本站不对文档的完整性、权威性及其观点立场正确性做任何保证或承诺!文档内容仅供研究参考,付费前请自行鉴别。
3、如文档内容存在违规,或者侵犯商业秘密、侵犯著作权等,请点击“违规举报”。

碎片内容

起下钻标准作业

确认删除?
VIP
微信客服
  • 扫码咨询
会员Q群
  • 会员专属群点击这里加入QQ群
客服邮箱
回到顶部