电脑桌面
添加小米粒文库到电脑桌面
安装后可以在桌面快捷访问

运用qc方法降低现浇剪力墙VIP免费

运用qc方法降低现浇剪力墙_第1页
1/8
运用qc方法降低现浇剪力墙_第2页
2/8
运用qc方法降低现浇剪力墙_第3页
3/8
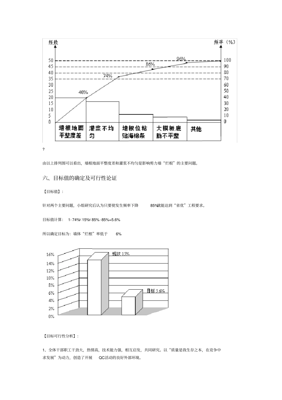
运用QC方法降低现浇剪力墙“烂根”率一、前言随着国土资源的日趋紧张,城市住宅已向纵深方向发展,高层住宅的兴起已成为我市住宅发展的大方向,框架剪力墙结构的诞生是适应城市高层住宅发展的产物,剪力墙工程质量的好坏直接影响整个住宅工程质量的耐久性,因此,我们将剪力墙作为该工程创优夺奖的攻关对象。二、工程概况本工程为橡胶厂高层住宅及商场工程,位于荣成市新华书店南,为现浇框剪结构,地下一层为停车场,地上分商场和住宅两部分,住宅部分十九层,总建筑面积1600m2。三、小组简介我QC小组自成立以来,一直以“小、实、活、新”作为活动宗旨,充分发扬团结拼搏、求实创新、敬业奉献、勇创一流的精神。小组简介小组名称荣成市橡胶厂商场及住宅楼工程QC-1小组小组类型攻关型注册编号RCTJ—2005—04成立时间2005年4月活动时间2005.4.9—2005.7-16平均年龄39岁接受QC教育时间68小时/年成员简介姓名性别年龄职称组内职务公司职务于维洪男48工程师组长副经理王永奎男49助工副组长施工队长邹本修男53助工组员施工组长鞠训杰男33技术员组员技术员张亮男20技术员组员技术员邹德威男34技术员组员技工四、选题理由五、现状调查【现状】:剪力墙“烂根”是混凝土分项工程中的主要质量通病,因此我们于2005年4月25日对高层住宅一~四层剪力墙进行细致的检查,并统计如下:序号检查项目不良点数量累计数量百分比(%)累计百分比(%)1墙根地面平整度差202040402灌浆不均匀173734743墙根未粘贴海绵条64312864大模板底肋不平整54810965其他2504100【排列图】:?由以上排列图可以看出,墙根地面平整度差和灌浆不均匀是影响剪力墙“烂根”的主要问题。六、目标值的确定及可行性论证【目标值】:针对两个主要问题,小组研究后认为只要使发生频率下降85%就能达到“省优”工程要求。目标值计算:1-74%×15%×85%-85%=5.6%所以确定目标为:墙体“烂根”率低于6%【目标可行性分析】:1、全体干部职工干劲大,热情高,技术能力强,相互启发,共同研究。以“质量是我生存之本,在竞争中求发展”为动力,创造了开展QC活动的良好外部环境。2、公司领导在思想上重视,行动上支持,财力上也最大限度的满足要求,并组织到威海、青岛等地参观学习。3、项目部全体人员,实践经验丰富,制定了严格的“三检”制度,按照过程控制的要求现场把关。通过分析我们一致认为凭借项目部雄厚的技术力量和良好的内外部环境,此次的攻关活动一定的能够达到预期目标。七、原因分析八、要因确认要因:★非要因:☆序号末端因素要因确认结论1建筑50cm标高线不准对柱子钢筋上的50cm标高线进行了复查,发现最大偏差为-3mm,在允许偏差±5mm以内。☆2刮杆短,不平整顺直刮杆长度都是3m或4m,且平整顺直,满足使用要求☆3地面找平偏差控制不准在柱子钢筋上标标高线,钢筋容易受扰动,量标高线时又易产生较大误差,从而导致平整度差。★4夜间施工无照明塔吊上设有大灯,另外还有十多盏太阳灯,完全能够满足施工现场照明要求。☆5工人质量意识不够工人上岗前都进行了质量意识教育,明白工程质量的好坏关乎企业的生存发展。☆6奖罚力度不够项目部与工人、班组长签订了质量保证书,如出现质量达不到要求的情况,罚款1000元。☆7技术交底不详细技术交底资料的有关数据不是很清楚,作为指导施工的关键性材料,技术交底的作用不容忽视。★8质检人员现场无监督质检人员忙里偷闲,没有到施工现场进行监督,结果出现班组不按照要求进行砼浇筑。★九、制定对策序号要因对策目标负责人1地面找平偏差控制不准请进师傅,共同研讨,制定对策使墙体根部地面平整度误差控制在±2mm以内于维洪2技术交底不详细查阅资料编制详细的技术方案,做好交底工作让工人吃透技术交底的内容鞠训杰3质检人员现场无监督制定详细的“三检”制度,落实责任,根据责任大小进行罚款。监督现场操作人员,按照要求进行砼浇筑。王永奎十、实施情况实施一:到威海、青岛等地进行参观学习,虚心地向他们请教,查阅了相关的书籍,制定对策如下:1、当墙体砼浇筑后,沿墙体每150cm并列埋设两根30cm左右长的钢筋,埋设深度为6~7cm,施工图如下:2、在楼板支设好后,由测量...

1、当您付费下载文档后,您只拥有了使用权限,并不意味着购买了版权,文档只能用于自身使用,不得用于其他商业用途(如 [转卖]进行直接盈利或[编辑后售卖]进行间接盈利)。
2、本站所有内容均由合作方或网友上传,本站不对文档的完整性、权威性及其观点立场正确性做任何保证或承诺!文档内容仅供研究参考,付费前请自行鉴别。
3、如文档内容存在违规,或者侵犯商业秘密、侵犯著作权等,请点击“违规举报”。

碎片内容

运用qc方法降低现浇剪力墙

爱的疯狂+ 关注
实名认证
内容提供者

该用户很懒,什么也没介绍

确认删除?
VIP
微信客服
  • 扫码咨询
会员Q群
  • 会员专属群点击这里加入QQ群
客服邮箱
回到顶部