电脑桌面
添加小米粒文库到电脑桌面
安装后可以在桌面快捷访问

10KV架空配电线路设计VIP免费

10KV架空配电线路设计_第1页
1/24
10KV架空配电线路设计_第2页
2/24
10KV架空配电线路设计_第3页
3/24
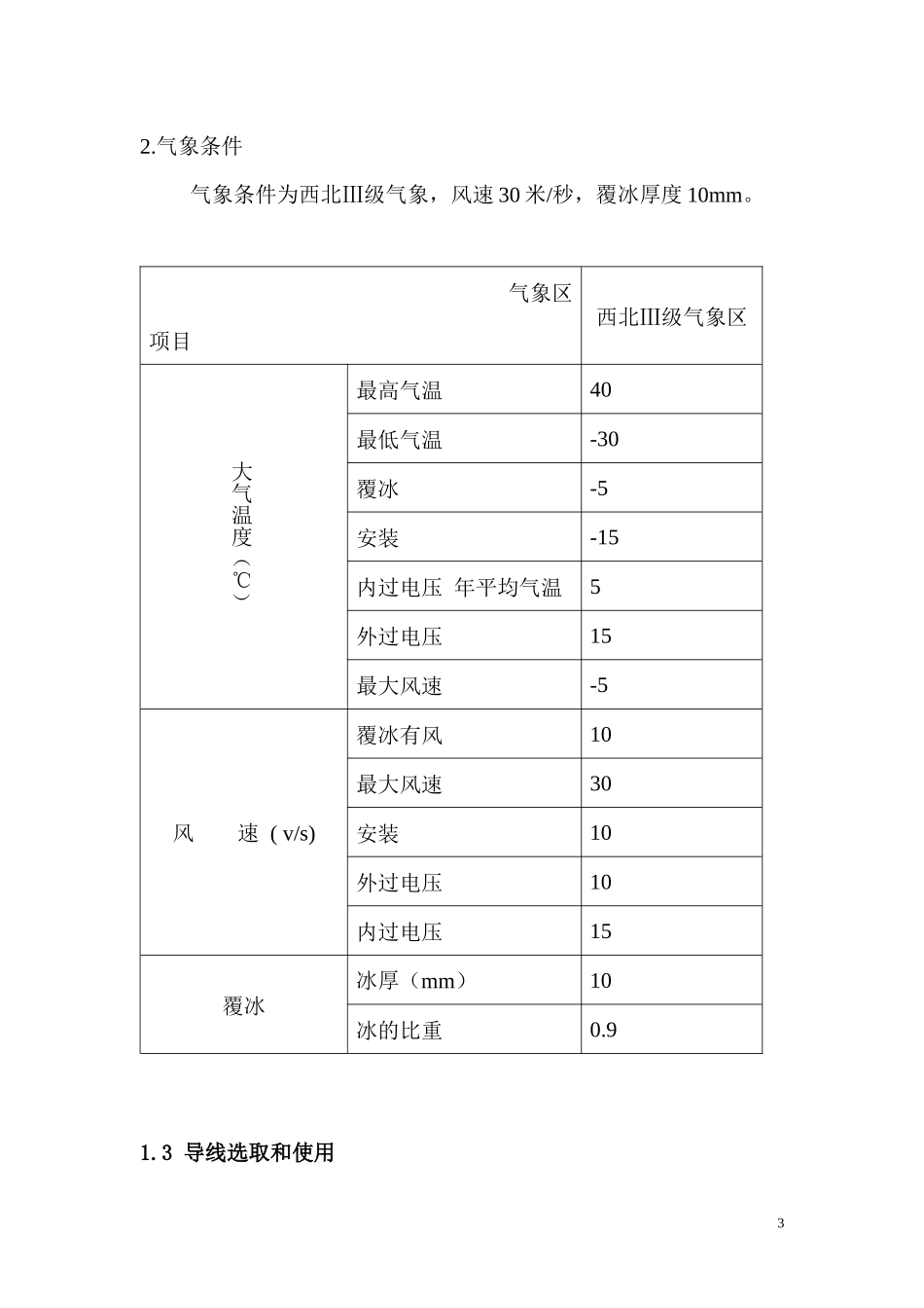
10KV架空配电线路设计规划2016年3月29日第一章总说明1.1概述采油厂油区为近年发展较快区域,电力负荷增长较快,,本次规划分支线采用(LGJ-70mm2或JKLYJ-10/70)。10KV架空配电线路设计包括架空配电线路的气象条件、导线型号的选取及导线应力弧垂表、多样化杆头布置、预应力及非预应力直线杆的选用、无拉线转角杆及带拉线转角杆的选用、金具及绝缘子选用、绝缘导线防雷、柱上开关及电缆头布置、耐张及分支杆引线布置等。1.2气象条件线路所经地段地质采油厂地处境内,沿线为典型的陕北黄土塬、梁、峁地貌。地形起伏较大,沟壑纵横,冲沟发育,地形较破碎。海拔高度在1100~1300m,相对高差在50~100m,属于一般山地地形。土壤电阻率不大于3.0×104Ω.cm具体参数如下:土壤容重γ=16t/m3抗剪角β=30°上拔角α=20°地耐力P=15t/m222.气象条件气象条件为西北Ⅲ级气象,风速30米/秒,覆冰厚度10mm。气象区项目西北Ⅲ级气象区大气温度(℃)最高气温40最低气温-30覆冰-5安装-15内过电压年平均气温5外过电压15最大风速-5风速(v/s)覆冰有风10最大风速30安装10外过电压10内过电压15覆冰冰厚(mm)10冰的比重0.91.3导线选取和使用31.3.1导线截面的确定(1)10KV架空配电线路导线根据不同的供电负荷需求可以采用50、70、95、120、150、185、240mm2等多种截面的导线。(2)同杆架设的380/220V架空配电线路导线根据不同的供电负荷需求可以采用50、70、95、120、150、185mm2等多种截面的导线。(3)使用时应根据各自的需要选择3~4种常用截面的导线,可使杆型选择、施工备料、运行维护得以简化。1.3.2导线型号选取、导线适用档距、安全系数及允许最大直线转角角度(1)出线走廊拥挤、树线矛盾突出、人口密集的城区、集镇推荐采用JKLYJ系列交联架空绝缘铝线;出线走廊宽松、安全距离充足、空旷的乡村地区均可采用裸导线。(2)导线的适用档距是指导线可以使用到的最大档距,实际运用中要结合电杆的使用条件最终确定导线的使用档距。(3)考虑到绝缘导线多用于城区、乡镇,其适用档距不超过80m。(4)裸导线最大使用至100m,超过100m的使用档距不在本典型设计考虑的范围之内。(5)为减少小截面裸导线的断线几率,95mm2及以下的裸导线均采用LGJ钢芯铝绞线。(6)120mm2及以上的裸导线用于80m及以下使用档距时采用LJ4铝绞线,超过80m使用档距时采用LGJ钢芯铝绞线。(7)95mm2及以上的裸导线用于80m以上使用档距时安全系数取值较用于80m以下使用档距时小。(8)10KV各气象区导线型号选取、适用档距、安全系数及允许最大直线转角角度详见表1-2。表1-210KV导线型号选取、适用档距、安全系数及允许最大直线转角角度5(9)同杆架设的380/220V各气象区导线型号选取、导线适用档距、安全系数及允许最大直线转角角度详见表1-3。表1-3同杆架设的380/220V导线型号选取、适用档距、安全系数及允许最大直线转角角度1.3.3导线参数(1)目前我国导线采用的标准为GB/T1179-1999《圆线同心绞架空导线》,该标准于1999年颁布实施,用于替代1983的同样标准。但1999标准中导线结构型式与原1983标准相比减少很多,原设计常用的导线结构型式新标准中没有,考虑到目前各地10kV线6路的导线结构仍为原1983年标准中的型式,故本次典型设计裸导线仍沿用GB1179-1983标准中的导线结构型式。(2)10KV绝缘导线及同杆架设的380/220V绝缘导线参数分别根据GB14049-1993《额定电压10KV、35KV架空绝缘电缆》及GB12527-1990《额定电压1kV及以下架空绝缘电缆》,标准中对绝缘导线的导体中最小单线根数、绝缘厚度、导线拉断力均有明确规定,但导线的外径、重量和计算截面在标准中尚无明确的规定。在对国内多家绝缘导线厂家调研的基础上,选取绝缘导线外径、重量、计算截面较大者作为典设推荐的计算参数,以确保设计的安全裕度。(3)10KV绝缘导线的绝缘层均采用普通绝缘厚度,为3.4mm。1.3.4导线应力弧垂表的使用导线的架线弧垂根据导线应力弧垂表进行查取,并根据导线类型及使用档柜对导线的初伸长采取不同程度的补偿。1.4杆型选取和使用1.4.1杆塔回路数(1)单回10KV线路可同杆架设单回380/220V线路。(2)双回10KV线路可同杆架设单回3...

1、当您付费下载文档后,您只拥有了使用权限,并不意味着购买了版权,文档只能用于自身使用,不得用于其他商业用途(如 [转卖]进行直接盈利或[编辑后售卖]进行间接盈利)。
2、本站所有内容均由合作方或网友上传,本站不对文档的完整性、权威性及其观点立场正确性做任何保证或承诺!文档内容仅供研究参考,付费前请自行鉴别。
3、如文档内容存在违规,或者侵犯商业秘密、侵犯著作权等,请点击“违规举报”。

碎片内容

10KV架空配电线路设计

确认删除?
VIP
微信客服
  • 扫码咨询
会员Q群
  • 会员专属群点击这里加入QQ群
客服邮箱
回到顶部