电脑桌面
添加小米粒文库到电脑桌面
安装后可以在桌面快捷访问

DT带式输送机设计手册VIP免费

DT带式输送机设计手册_第1页
1/244
DT带式输送机设计手册_第2页
2/244
DT带式输送机设计手册_第3页
3/244
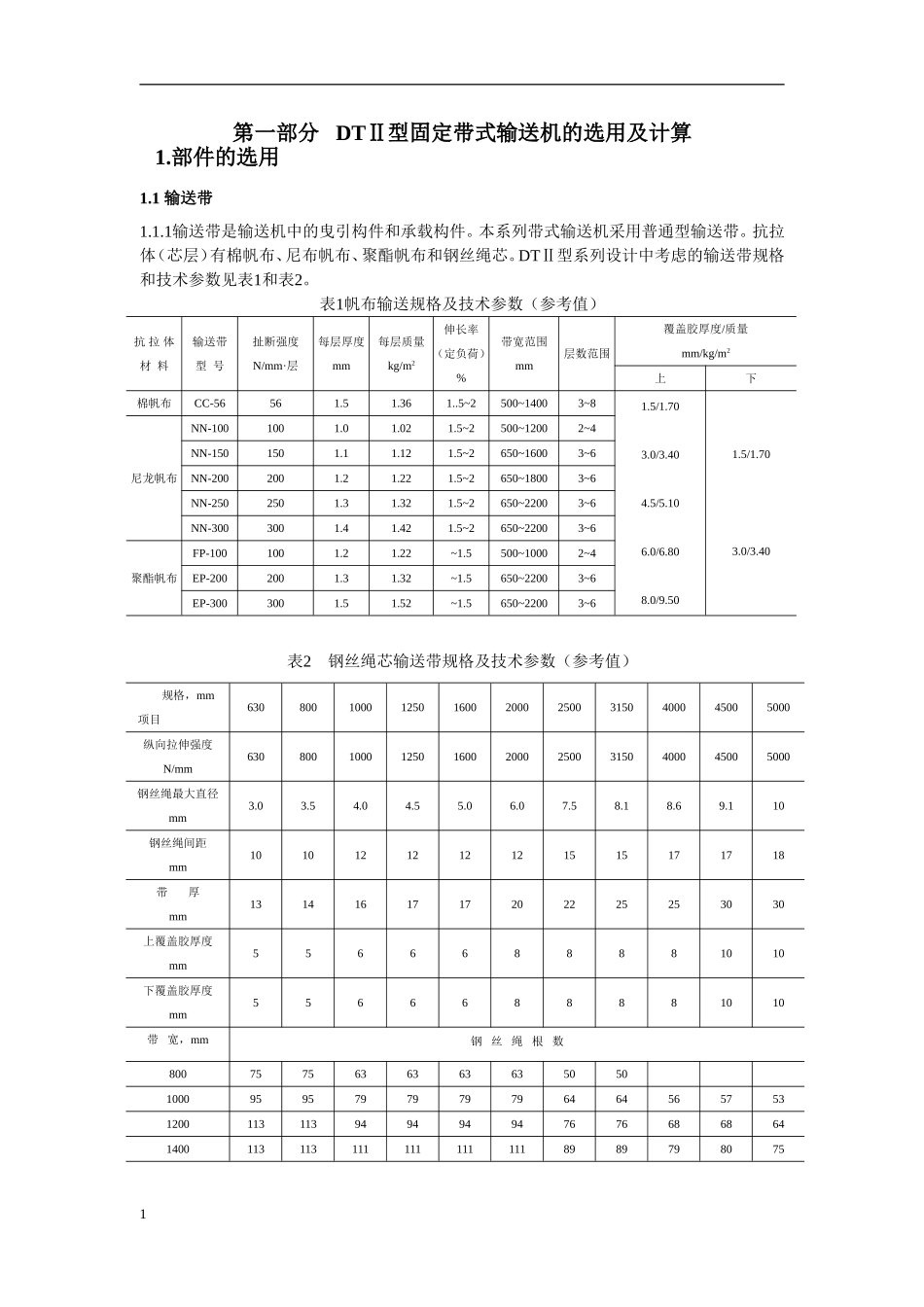
第一部分DTⅡ型固定带式输送机的选用及计算1.部件的选用1.1输送带1.1.1输送带是输送机中的曳引构件和承载构件。本系列带式输送机采用普通型输送带。抗拉体(芯层)有棉帆布、尼布帆布、聚酯帆布和钢丝绳芯。DTⅡ型系列设计中考虑的输送带规格和技术参数见表1和表2。表1帆布输送规格及技术参数(参考值)抗拉体材料输送带型号扯断强度N/mm·层每层厚度mm每层质量kg/m2伸长率(定负荷)%带宽范围mm层数范围覆盖胶厚度/质量mm/kg/m2上下棉帆布CC-56561.51.361..5~2500~14003~81.5/1.703.0/3.404.5/5.106.0/6.808.0/9.501.5/1.703.0/3.40尼龙帆布NN-1001001.01.021.5~2500~12002~4NN-1501501.11.121.5~2650~16003~6NN-2002001.21.221.5~2650~18003~6NN-2502501.31.321.5~2650~22003~6NN-3003001.41.421.5~2650~22003~6聚酯帆布FP-1001001.21.22~1.5500~10002~4EP-2002001.31.32~1.5650~22003~6EP-3003001.51.52~1.5650~22003~6表2钢丝绳芯输送带规格及技术参数(参考值)规格,mm项目630800100012501600200025003150400045005000纵向拉伸强度N/mm630800100012501600200025003150400045005000钢丝绳最大直径mm3.03.54.04.55.06.07.58.18.69.110钢丝绳间距mm1010121212121515171718带厚mm1314161717202225253030上覆盖胶厚度mm5566688881010下覆盖胶厚度mm5566688881010带宽,mm钢丝绳根数80075756363636350501000959579797979646456575312001131139494949476766868641400113113111111111111898979807511600151151126126126126101101919185180017114314314314311411410310296200015915915915912812811411410722001761761761761411411251251182400192192192192153153136136129输送带质量,kg/m21920.523.124.7273436.8424953581.1.2帆布带的许用层数:各种帆布带的最小、最大许用层数见表3。1.1.3覆盖胶层厚度:根据所输送物料的松散密度、块度、落料高度及物料的磨琢性确定。常规条件下推荐按表4、5、6选取(引用DIN22101)。1.1.4输送带质量:根据抗拉体和覆盖胶层厚度参照各厂样本选取。表7为参考质量。1.1.5各种帆布带允许的最小传动滚筒直径见表23。1.1.6安全系数输送带的安全系数是一个经验值,应考虑安全、可靠、寿命及制造质量、经济成本。此外,还要考虑接头效率、启动系数、现场条件、使用经验等。选用时应参照各制造厂的样本。本系列推荐值仅供参考。棉帆布输送带:n=8~9;层数少,接头效率低可大于此值。尼龙、聚酯帆布带:n=10~12;使用条件恶劣及要求特别安全时大于12。钢丝绳芯输送带:n=7~9;运行条件好,倾角小,强度低可取小值,反之则取大值。对可靠性要求高,如载人或高炉上料输送带应适当高于上述数值。St4000以上输送带接头的疲劳强度不随静强度按比例提高,其安全系数应由橡胶厂提供。1.2驱动装置带式输送机的动力部分,由安装在驱动架上的Y系列鼠笼型电机、液力偶合器(或梅花形弹性联轴器)、减速器、ZL型弹性柱销齿式联轴器、制动器(逆止器)等组成。表3各种帆布输送带的最小、最大许用层数输送带型号层数极限物料密度×103kg/m3带宽,mm5006508001000120014001600180020002200CC-56NN-100最小0.5~1.03445561.0~1.63445661.6~2.5355678最大456888NN-150EP-100最小0.5~1.033345561.0~1.63345561.6~2.534566最大3456666NN-200最小0.5~1.033344551.0~1.63445561.6~2.54556最大4566666NN-250EP-200最小0.5~1.03334455661.0~1.63345566661.6~2.5345662最大346666666NN-300EP-300最小0.5~1.03334455661.0~1.63345566661.6~2.534566最大346666666表4输送带承载和空载面覆盖胶层最小厚度抗拉体(芯层)材料最小厚度值CC(棉帆布)NN(尼龙帆布)EP(聚酯帆布)根据不同抗拉体(芯层)分别为1~2mmST(钢丝绳芯)0.7d(mm),最小4mm注:d为钢丝绳直径表5相应于表4最小厚度的承载面附加厚度的标准值(mm)有影响的参数评价值评价值总数载荷情况载荷频繁度粒度密度物料磨琢性有利正常不利少正常频繁细正常粗轻正常重小中等剧烈123123123123123表6附加厚度的标准值(mm)评价值总数5~67~89~1112~1314~15附加厚度0~11~33~66~10≥10表7帆布带质量qB(参考值)(kg/m)帆布层数Z上...

1、当您付费下载文档后,您只拥有了使用权限,并不意味着购买了版权,文档只能用于自身使用,不得用于其他商业用途(如 [转卖]进行直接盈利或[编辑后售卖]进行间接盈利)。
2、本站所有内容均由合作方或网友上传,本站不对文档的完整性、权威性及其观点立场正确性做任何保证或承诺!文档内容仅供研究参考,付费前请自行鉴别。
3、如文档内容存在违规,或者侵犯商业秘密、侵犯著作权等,请点击“违规举报”。

碎片内容

DT带式输送机设计手册

确认删除?
VIP
微信客服
  • 扫码咨询
会员Q群
  • 会员专属群点击这里加入QQ群
客服邮箱
回到顶部