电脑桌面
添加小米粒文库到电脑桌面
安装后可以在桌面快捷访问

《材料力学》附录I--截面的几何性质-习题解VIP免费

《材料力学》附录I--截面的几何性质-习题解_第1页
1/18
《材料力学》附录I--截面的几何性质-习题解_第2页
2/18
《材料力学》附录I--截面的几何性质-习题解_第3页
3/18
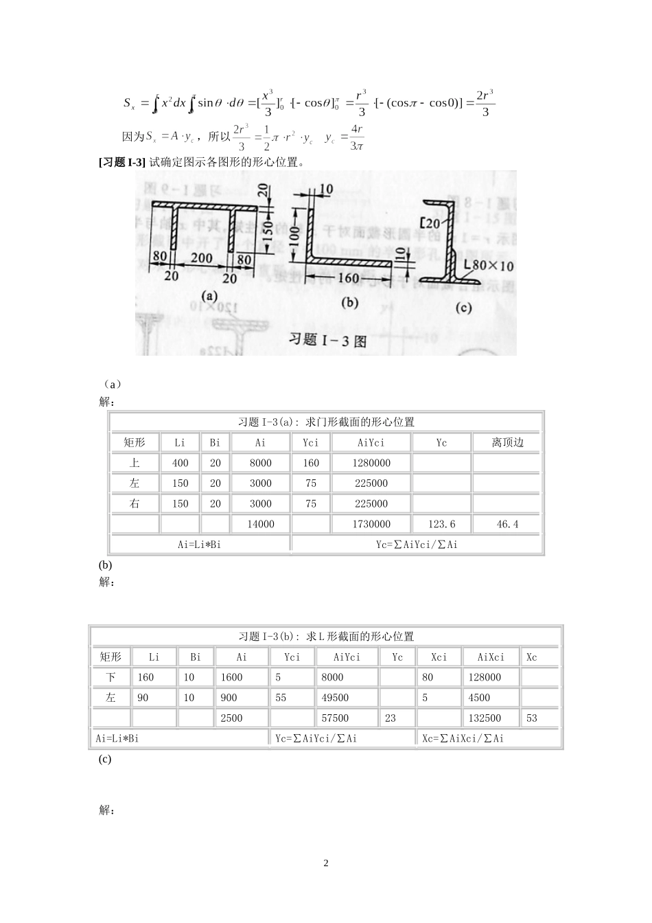
附录I截面的几何性质习题解[习题I-1]试求图示各截面的阴影线面积对轴的静积。(a)解:(b)解:(c)解:(d)解:[习题I-2]试积分方法求图示半圆形截面对轴的静矩,并确定其形心的坐标。解:用两条半径线和两个同心圆截出一微分面积如图所示。;微分面积的纵坐标:;微分面积对轴的静矩为:半圆对轴的静矩为:1因为,所以[习题I-3]试确定图示各图形的形心位置。(a)解:习题I-3(a):求门形截面的形心位置矩形LiBiAiYciAiYciYc离顶边上4002080001601280000左15020300075225000右15020300075225000140001730000123.646.4Ai=Li*BiYc=∑AiYci/∑Ai(b)解:习题I-3(b):求L形截面的形心位置矩形LiBiAiYciAiYciYcXciAiXciXc下1601016005800080128000左90109005549500545002500575002313250053Ai=Li*BiYc=∑AiYci/∑AiXc=∑AiXci/∑Ai(c)解:2习题I-3(c):求槽形与L形组合截面的形心位置型钢号Ai(cm2)Yci(cm)AiYci(cm3)Yc(cm)Xci(cm)AiXci(cm3)Xc(cm)槽钢2032.83710328.37-1.95-64.03等边角钢80*1015.1262.3535.5462.3535.54647.963363.927.6-28.49-0.6Yc=∑AiYci/∑AiXc=∑AiXci/∑Ai[习题I-4]试求图示四分之一圆形截面对于轴和轴的惯性矩、和惯性积。解:用两条半径线和两个同心圆截出一微分面积如图所示。;微分面积的纵坐标:;微分面积对轴的惯性矩为:四分之一圆对轴的惯性矩为:由圆的对称性可知,四分之一圆对轴的惯性矩为:微分面积对轴、轴的惯性积为:[习题I-5]图示直径为的圆形截面,在其上、下对称地切去两个高为3的弓形,试用积分法求余下阴影部分对其对称轴的惯性矩。解:圆的方程为:如图,作两条平行轴的、相距为线段,截圆构成微分面积,微分面积为:切去之后,剩下部分对轴的惯性矩为:[习题I-6]试求图示正方形对其对角线的惯性矩。解:正方形四条边的直线方程如图所示(设水平坐标轴为,竖坐标轴为)。4=故正方形对其的对角线的惯性矩为:。[习题I-7]试分别求图示环形和箱形截面对其对称轴的惯性矩。5(a)解:(b)[习题I-8]试求图示三角形截面对通过顶点A并平行于底边BC的轴的惯性矩。解:已知三角形截面对以BC边为轴的惯性矩是,利用平行轴定理,可求得截面对形心轴的惯性矩所以再次应用平行轴定理,得6[习题I-9]试求图示的半圆形截面对于轴的惯性矩,其中轴与半圆形的底边平行,相距1m。解:已知半圆形截面对其底边的惯性矩是,用平行轴定理得截面对形心轴的惯性矩再用平行轴定理,得截面对轴的惯性矩[习题I-10]试求图示组合截面对于形心轴的惯性矩。解:由于三圆直径相等,并两两相切。它们的圆心构成一个边长为的等边三角形。该等边三角形的形心就是组合截面的形心,因此下面两个圆的圆心,到形心轴的距离是上面一个圆的圆心到轴的距离是。7利用平行轴定理,得组合截面对轴的惯性矩如下:[习题I-11]试求图示各组合截面对其对称轴的惯性矩。解:(a)22a号工字钢对其对称轴的惯性矩是。利用平行轴定理得组合截面对轴的惯性矩(b)等边角钢的截面积是,其形心距外边缘的距离是28.4mm,求得组合截面对轴的惯性矩如下:习题I-11(b)图图形bhIxcaAIx中间矩形1060018000000006000180000000上矩形25010208333052500232583333下矩形25010208333052500232583333左上L形1795100271.61926143869495右上L形1795100271.61926143869495左下L形1795100271.61926143869495右下L形1795100271.619261438694951220644645[习题I-12]试求习题I-3a图所示截面对其水平形心轴的惯性矩。关于形心位置,可利用该题的结果。8解:形心轴位置及几何尺寸如图所示。惯性矩计算如下:[习题I-12]试求图示各截面对其形心轴的惯性矩。习题I-13(a)图形bihiAiYciAiYciYcaiIxcIx(mm4)上矩形100010010000065065000000225833333335145833333下矩形3006001800003005400000012554000000008212500000全图28000011900000042513358333333习题I-13(c)图形bihirAiYciAiYciYcIxc(mm4)aiIx(mm4)习题I-13(b)图形bihiAiYciAiYciYcaiIxcIx(mm4)上图(3)2515037502751031250148703125089601489中图(2)20015030000125375000025625000056328044下图(1)10050500025125000102104166752667577全图3875049062501271985971109矩形2...

1、当您付费下载文档后,您只拥有了使用权限,并不意味着购买了版权,文档只能用于自身使用,不得用于其他商业用途(如 [转卖]进行直接盈利或[编辑后售卖]进行间接盈利)。
2、本站所有内容均由合作方或网友上传,本站不对文档的完整性、权威性及其观点立场正确性做任何保证或承诺!文档内容仅供研究参考,付费前请自行鉴别。
3、如文档内容存在违规,或者侵犯商业秘密、侵犯著作权等,请点击“违规举报”。

碎片内容

《材料力学》附录I--截面的几何性质-习题解

慧源书苑+ 关注
实名认证
内容提供者

热爱教育事业,爱好互联网行业

相关文档

确认删除?
VIP
微信客服
  • 扫码咨询
会员Q群
  • 会员专属群点击这里加入QQ群
客服邮箱
回到顶部