电脑桌面
添加小米粒文库到电脑桌面
安装后可以在桌面快捷访问

铝合金门窗样板引路施工方案教材VIP免费

铝合金门窗样板引路施工方案教材_第1页
1/9
铝合金门窗样板引路施工方案教材_第2页
2/9
铝合金门窗样板引路施工方案教材_第3页
3/9
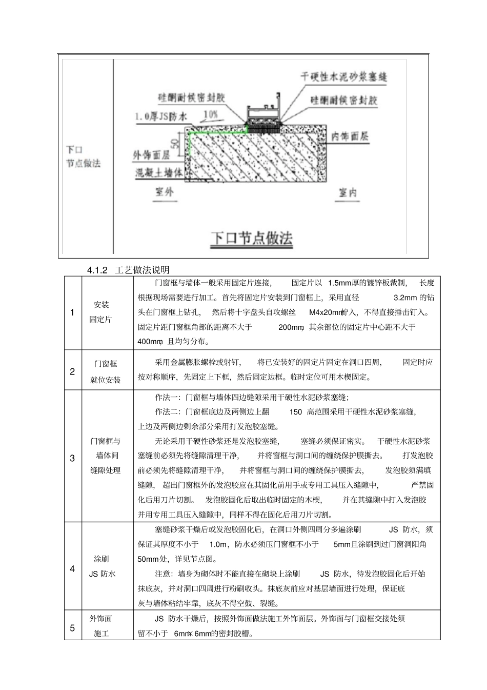
样板引路工程工作指引(铝合金门窗分项)1.目的通过样板工程引路强化工程质量的预控管理,并对样板进行分级管控,明确各阶段各职能的管理职责,规避系统性质量风险。2.适用范围适用于集团公司开发的所有居住类项目的铝合金门窗分项工程。3.质量标准3.1观感质量观感质量1.安装牢固,开关灵活、关闭严密,无碰擦、异常响声,框与扇、扇与扇之间平行无翘曲、大小头,开启方向正确;2.推拉窗有泄水孔,位置正确、数量准确;3.拼缝整齐,无明显拼缝高低差;4.密封胶应粘结牢固,表面应圆弧光滑,边缘整齐、顺直、无裂纹;5.玻璃洁净,无明显划痕,中空玻璃中空层内不得有灰尘和水蒸气;6.五金件无缺失、锈蚀等情况;7.无污染、划伤、拉毛、破损、变形。3.2实测实量:门窗框两对角线长度差、门窗框正、侧面的垂直度、水平度、横框标高等,不得超过下表规定的数值。铝合金门窗安装允许偏差项次项目允许偏差(mm)检验方法1门窗框两对角线长度差≤2000mm>2000mm23用钢卷尺检查,量里角2平开窗窗扇与框搭接宽度差1用深度尺或钢板尺检查3同樘门窗相邻扇的横端角高度差2用拉线和钢板尺检查4推拉扇门窗扇开启力限值扇面积≤1.5m2≤40N用100N弹簧秤钩住拉扇面积>1.5m2≤60N手处启闭5次取平均值5门窗扇与框或相邻扇立边平行度2用1m钢板尺检查6弹簧门扇门扇对口缝或扇与框之间立、横缝留缝限值2~4用楔形塞尺检查7门扇与地面间隙留缝限值2~78门扇对口缝关闭时平整2用深度尺检查9门窗框(含拼樘料)正、侧面垂直度2用1托线板检查10门窗框(含拼樘料)水平度1.5用1m水平尺和楔形塞尺检查4.工艺做法4.1窗的构造做法4.1.1节点图11门窗框标高5用钢板尺检查,与基准线比较12双层门窗内、外框、梃(含拼樘料)中心距4用钢板尺检查4.1.2工艺做法说明1安装固定片门窗框与墙体一般采用固定片连接,固定片以1.5mm厚的镀锌板裁制,长度根据现场需要进行加工。首先将固定片安装到门窗框上,采用直径3.2mm的钻头在门窗框上钻孔,然后将十字盘头自攻螺丝M4x20mm拧入,不得直接捶击钉入。固定片距门窗框角部的距离不大于200mm,其余部位的固定片中心距不大于400mm,且均匀分布。2门窗框就位安装采用金属膨胀螺栓或射钉,将已安装好的固定片固定在洞口四周,固定时应按对称顺序,先固定上下框,然后固定边框。临时定位可用木楔固定。3门窗框与墙体间缝隙处理作法一:门窗框与墙体四边缝隙采用干硬性水泥砂浆塞缝;作法二:门窗框底边及两侧边上翻150高范围采用干硬性水泥砂浆塞缝,上边及两侧边剩余部分采用打发泡胶塞缝。无论采用干硬性砂浆还是发泡胶塞缝,塞缝必须保证密实。干硬性水泥砂浆塞缝前必须先将缝隙清理干净,并将窗框与洞口间的缠绕保护膜撕去。打发泡胶前必须先将缝隙清理干净,并将窗框与洞口间的缠绕保护膜撕去,发泡胶须满填缝隙,超出门窗框外的发泡胶应在其固化前用手或专用工具压入缝隙中,严禁固化后用刀片切割。发泡胶固化后取出临时固定的木楔,并在其缝隙中打入发泡胶并用专用工具压入缝隙中,同样不得在固化后用刀片切割。4涂刷JS防水塞缝砂浆干燥后或发泡胶固化后,在洞口外侧四周分多遍涂刷JS防水,须保证其厚度不小于1.0m,防水必须压门窗框不小于5mm且涂刷到过门窗洞阳角50mm处,详见节点图。注意:墙身为砌体时不能直接在砌块上涂刷JS防水,待发泡胶固化后开始抹底灰,并对洞口四周进行粉刷收头。抹底灰前应对基层墙面进行处理,保证底灰与墙体粘结牢靠,底灰不得空鼓、裂缝。5外饰面施工JS防水干燥后,按照外饰面做法施工外饰面层。外饰面与门窗框交接处须留不小于6mm×6mm的密封胶槽。6打窗外密封胶外饰面完成并干燥后在外饰面与门窗框交接处的预留胶槽内打中性硅酮密封胶。7门窗扇玻璃五金配件安装窗扇及玻璃应在室内墙体表面装饰工程开始前安装完成。五金配件采用自攻螺钉固定,并在拧固前打密封胶,安装的五金配件应结实牢固,使用灵活。8内饰面施工按照内饰面做法施工内饰面层。9打窗内密封胶内饰面完成并干燥后在内饰面与门窗框交接处的阴角处打中性硅酮密封胶(毛坯房可以省略)。4.2阳台、露台门构造要求露台门下槛做法阳台、露台门1)露台门下槛:露台、上人屋面门下槛应设...

1、当您付费下载文档后,您只拥有了使用权限,并不意味着购买了版权,文档只能用于自身使用,不得用于其他商业用途(如 [转卖]进行直接盈利或[编辑后售卖]进行间接盈利)。
2、本站所有内容均由合作方或网友上传,本站不对文档的完整性、权威性及其观点立场正确性做任何保证或承诺!文档内容仅供研究参考,付费前请自行鉴别。
3、如文档内容存在违规,或者侵犯商业秘密、侵犯著作权等,请点击“违规举报”。

碎片内容

铝合金门窗样板引路施工方案教材

您可能关注的文档

确认删除?
VIP
微信客服
  • 扫码咨询
会员Q群
  • 会员专属群点击这里加入QQ群
客服邮箱
回到顶部