电脑桌面
添加小米粒文库到电脑桌面
安装后可以在桌面快捷访问

锅炉检查记录表VIP免费

锅炉检查记录表_第1页
1/2
锅炉检查记录表_第2页
2/2
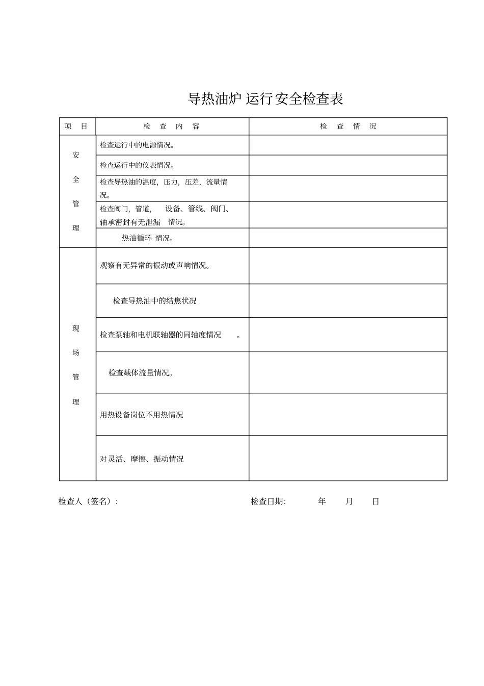
导热油锅炉开车安全检查表项目检查内容检查情况安全管理检查开车前的电源情况。检查开车前的仪表情况。检查导热油的温度,压力,压差,流量情况。检查阀门,管道,设备、管线、阀门、轴承密封有无泄漏情况。冷油循环情况。现场管理观察有无异常的振动或声响情况。脱水脱汽到导热油中的水分完全蒸发情况。检查泵轴和电机联轴器的同轴度情况。检查载体流量情况。用热设备岗位用热情况对灵活、摩擦、振动情况对危险源的应急救援预案的修订及演练情况。(专项预案)检查人(签名):检查日期:年月日导热油炉运行安全检查表项目检查内容检查情况安全管理检查运行中的电源情况。检查运行中的仪表情况。检查导热油的温度,压力,压差,流量情况。检查阀门,管道,设备、管线、阀门、轴承密封有无泄漏情况。热油循环情况。现场管理观察有无异常的振动或声响情况。检查导热油中的结焦状况检查泵轴和电机联轴器的同轴度情况。检查载体流量情况。用热设备岗位不用热情况对灵活、摩擦、振动情况检查人(签名):检查日期:年月日

1、当您付费下载文档后,您只拥有了使用权限,并不意味着购买了版权,文档只能用于自身使用,不得用于其他商业用途(如 [转卖]进行直接盈利或[编辑后售卖]进行间接盈利)。
2、本站所有内容均由合作方或网友上传,本站不对文档的完整性、权威性及其观点立场正确性做任何保证或承诺!文档内容仅供研究参考,付费前请自行鉴别。
3、如文档内容存在违规,或者侵犯商业秘密、侵犯著作权等,请点击“违规举报”。

碎片内容

锅炉检查记录表

您可能关注的文档

确认删除?
VIP
微信客服
  • 扫码咨询
会员Q群
  • 会员专属群点击这里加入QQ群
客服邮箱
回到顶部