电脑桌面
添加小米粒文库到电脑桌面
安装后可以在桌面快捷访问

防汛、防台应急预案VIP免费

防汛、防台应急预案_第1页
1/10
防汛、防台应急预案_第2页
2/10
防汛、防台应急预案_第3页
3/10
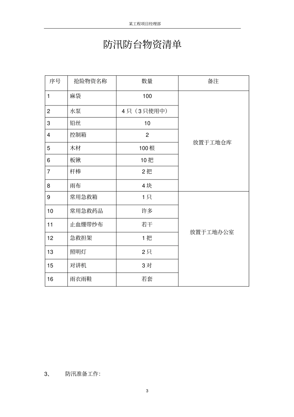
某工程项目经理部1防汛、防台应急预案一、总则1、编制目的为了保证工程顺利进行和职工的人身安全,确保在洪水、台风发生时,全体职工能有条不紊地按照预先制定的方案,迅速及时地采取措施,把损失控制在最低限度,为此制定防汛防台风应急预案。2、编制依据公司“生产安全事故应急救援预案”上海市防汛办《关于进一步加强建设工程防汛工作的通知》3、适用范围本预案适用于我司承建的工程所有施工期内的区域4、工作原则(一)以人为本原则。当工地发生或可能发生情况时,应迅速、有效地实施抢险和人员进行抢救,减少人员伤亡,防止事故扩大化,消除事故影响。(二)资源整合原则。工地配备应急抢险物资,执行上级统一指挥,以确保高效、有序地实施应急救援行动。一般事故应在第一时间做好现场抢险和人员进行抢救,以防事故扩大。二、基本情况汛期施工项目说明:项目名称地点总包施工单位主要工程内容备注2、防汛设施、设备情况某工程项目经理部2根据工地的实际情况,配齐配足抽水泵、水带、蛇皮袋、雨衣雨鞋、铁锹、工具等防汛防台器材;值班期间,配好交通工具。并做好防汛防台器材的保管:(1)防汛器材不得挪作他用。(2)库门前挂牌,标明器材名称、数量及检查日期。(3)库房钥匙分别由值班人员和料库保管,并放于明显处作好标示。(4)定期检查,清点防汛器材,做好保养措施。(5)水泵定期进行空车运转,若发现故障及时维修,同时用同类型运转良好的泵替代,保证库内水泵数量。(6)检查泵的电线插头与电箱插座是否相配。(7)防汛期间,防汛负责人的手机24小时待机,值班室24小时有人值班,保持信息畅通。某工程项目经理部3防汛防台物资清单序号抢险物资名称数量备注1麻袋100放置于工地仓库2水泵4只(3只使用中)3铅丝104控制箱25木材100根6板锹10把7杆棒2把8雨布4块9常用急救箱1只放置于工地办公室10常用急救药品许多11止血绷带纱布若干12急救担架1把13照明灯2只15对讲机3对16雨衣雨鞋若套3、防汛准备工作:某工程项目经理部4各施工分队要组织本单位员工学习上级关于防汛防台文件和要求,做好防汛防台动员。应急救援预案应在台风汛期前宣传到位,做到全员知晓。建立防台防汛指挥机构及抢险小组和做好防台防汛物质资料的储备工作。建立防台防汛预警报警制度和加强防汛宣传,提高广大施工人员的防汛减灾意识。对台风、汛期事故的预防实行统一领导,贯彻“预防为主、防效结合、处置得当“的原则。防范工作立足现场、落实措施,处置突发性事故要把握时机、果断决策、防止事态的扩大和蔓延。编制和实施预防台风、汛期等事故应急预案;建立工作制度,定期分析、研究项目部防台、防汛工作动态,发现台风、汛期事故隐患,采取果断措施,及时予以整改,消除各类安全隐患。掌握现场防台、防汛工作动态,熟悉、了解防台、防汛业务知识及处置已发事故的业务知识,须经培训;负责日常与分包管理部门及公司主管部门的业务联系,及时传递、反馈信息;发生事故后应迅速与有关部门密切配合,预测事态的发展趋势,为领导决策提供依据;对突发性事件可能危及的重点,要害部位和设施应当采取果断的防范、补救措施,防止损失和影响的扩展。4、风险分析与防御重点:a)施工现场的沉淀池及工地附近的窖井、管道,项目部要落实专人进行检查,有泥浆的必须及时清除。如积淤较严重,要及时与相关部门取得联系,妥善处理好地下管道的隐患,并做好检查记录。b)项目部要及时落实地面排水措施和基坑内强排水措施,增加抵御大暴风、强台风等灾害性天气的能力,确保人员、设备安全。切实落实“二级沉淀、三级排放”的措施,合理安排运输力量,及时清运渣土,防止泥浆溢出。严禁泥浆直接排入下水道和河道。c)做好各种机械设备的接地工作,对现场的各类脚手架、灯架等的避雷接地措施,各类广告、宣传图牌、现场灯架、围墙、大临的加固措施重点查施工现场的排水设施的通畅,防止汛期暴雨积水,必要时切断电源,并设立警戒区域。d)加强对各分包单位防汛防台工作落实情况的检查。某工程项目经理部5三、组织指挥体系1、领导机构:领导小组负责本项目范围内的应急工作决策,工作小组执行领导小组下达的各项指示,负责本项目所辖范围...

1、当您付费下载文档后,您只拥有了使用权限,并不意味着购买了版权,文档只能用于自身使用,不得用于其他商业用途(如 [转卖]进行直接盈利或[编辑后售卖]进行间接盈利)。
2、本站所有内容均由合作方或网友上传,本站不对文档的完整性、权威性及其观点立场正确性做任何保证或承诺!文档内容仅供研究参考,付费前请自行鉴别。
3、如文档内容存在违规,或者侵犯商业秘密、侵犯著作权等,请点击“违规举报”。

碎片内容

防汛、防台应急预案

确认删除?
VIP
微信客服
  • 扫码咨询
会员Q群
  • 会员专属群点击这里加入QQ群
客服邮箱
回到顶部