电脑桌面
添加小米粒文库到电脑桌面
安装后可以在桌面快捷访问

防火设备安装工程分项质量验收记录表VIP专享VIP免费

防火设备安装工程分项质量验收记录表_第1页
1/7
防火设备安装工程分项质量验收记录表_第2页
2/7
防火设备安装工程分项质量验收记录表_第3页
3/7
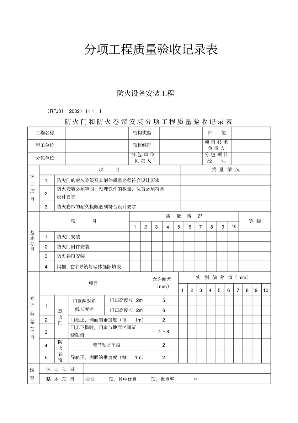
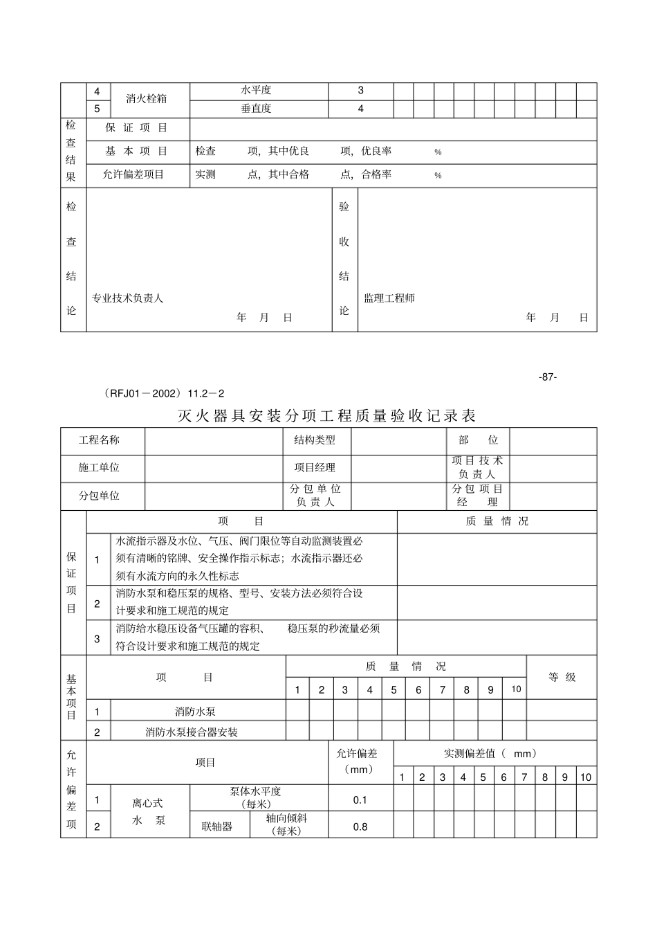
分项工程质量验收记录表防火设备安装工程(RFJ01-2002)11.1-1防火门和防火卷帘安装分项工程质量验收记录表工程名称结构类型部位施工单位项目经理项目技术负责人分包单位分包单位负责人分包项目经理保证项目项目质量情况1防火门的耐久等级及其附件质量必须符合设计要求2防火安装必须牢固;预埋铁件的数量、位置必须符合设计要求3防火卷帘的耐久极限必须符合设计要求基本项目项目质量情况等级123456789101防火门安装2防火门附件安装3防火卷帘安装4钢框、卷帘导轨与墙体缝隙填嵌允许偏差项目项目允许偏差(mm)实测偏差值(mm)123456789101放火门门框两对角线长度差门口高度≤2m5门口高度<2m62门框正、侧面的垂直度(每1m)23门无下槛时,门扇与地面之间留缝限值4~84防火卷帘卷筒轴水平度25导轨正、侧面的垂直度(每1m)2检查保证项目基本项目检查项,其中优良项,优良率﹪结果允许偏差项目实测点,其中合格点,合格率﹪检查结论专业技术负责人年月日验收结论监理工程师年月日-86-(RFJ01-2002)11.2-1灭火器安装分项工程质量验收记录表工程名称结构类型部位施工单位项目经理项目技术负责人分包单位分包单位负责人分包项目经理保证项目项目质量情况1报警阀、喷头、水流指示器、必须经国家消防产品质量监督检验中心检测合格2报警阀的型号、规格,喷头的型号、温标,必须符合设计要求和施工规范的规定3水力警铃铃锤应转动灵活,无阻滞现象4自动喷淋玻璃球喷头的位置、间距和方向,必须符合设计要求和施工规范的规定基本项目项目质量情况等级123456789101消火栓安装2湿式报警筏安装3玻璃球喷头安装4报警阀组安装5其他组件安装允许偏差项目项目允许偏差(mm)实测偏差值(mm)123456789101湿式报警器坐标±102垂直度23消火栓口中心至地面距离±104消火栓箱水平度35垂直度4检查结果保证项目基本项目检查项,其中优良项,优良率﹪允许偏差项目实测点,其中合格点,合格率﹪检查结论专业技术负责人年月日验收结论监理工程师年月日-87-(RFJ01-2002)11.2-2灭火器具安装分项工程质量验收记录表工程名称结构类型部位施工单位项目经理项目技术负责人分包单位分包单位负责人分包项目经理保证项目项目质量情况1水流指示器及水位、气压、阀门限位等自动监测装置必须有清晰的铭牌、安全操作指示标志;水流指示器还必须有水流方向的永久性标志2消防水泵和稳压泵的规格、型号、安装方法必须符合设计要求和施工规范的规定3消防给水稳压设备气压罐的容积、稳压泵的秒流量必须符合设计要求和施工规范的规定基本项目项目质量情况等级123456789101消防水泵2消防水泵接合器安装允许偏差项项目允许偏差(mm)实测偏差值(mm)123456789101离心式水泵泵体水平度(每米)0.12联轴器轴向倾斜(每米)0.8目3同心度径向位移0.1检查结果保证项目基本项目检查项,其中优良项,优良率﹪允许偏差项目实测点,其中合格点,合格率﹪检查结论专业技术负责人年月日验收结论监理工程师年月日-88-(RFJ01-2002)11.3-1防烟排烟部件的制作与装分项工程质量验收记录表工程名称结构类型部位施工单位项目经理项目技术负责人分包单位分包单位负责人分包项目经理保证项目项目质量情况1挡烟垂壁必须采用不燃或难燃材料制作,其尺寸必须符合设计要求2放火阀的转动部件必须采用耐久腐蚀材料制作,其外壳、阀板的材料厚度严禁小于2mm3放火阀检查孔的位置,必须设在便于操作的部位基本项目项目质量情况等级123456789101挡烟垂壁安装2放火阀安装排烟口安装允项目允许偏差实测偏差值(mm)许偏差项目(mm)123456789101挡烟垂壁水平位移22底边水平度33挡烟口顶棚排烟口水平度54侧墙排烟口垂直度3检查结果保证项目基本项目检查项,其中优良项,优良率﹪允许偏差项目实测点,其中合格点,合格率﹪检查结论专业技术负责人年月日验收结论监理工程师年月日-89-(RFJ01-2002)11.4-1火灾自动报警装置安装分项工程质量验收记录表工程名称结构类型部位施工单位项目经理项目技术负责人分包单位分包单位负责人分包项目经理保证项目项目质量情况1各种火灾探测器、手动报警按钮的型号、安装位置必须符合设计要求和施工规范的规定2区域报警...

1、当您付费下载文档后,您只拥有了使用权限,并不意味着购买了版权,文档只能用于自身使用,不得用于其他商业用途(如 [转卖]进行直接盈利或[编辑后售卖]进行间接盈利)。
2、本站所有内容均由合作方或网友上传,本站不对文档的完整性、权威性及其观点立场正确性做任何保证或承诺!文档内容仅供研究参考,付费前请自行鉴别。
3、如文档内容存在违规,或者侵犯商业秘密、侵犯著作权等,请点击“违规举报”。

碎片内容

防火设备安装工程分项质量验收记录表

确认删除?
VIP
微信客服
  • 扫码咨询
会员Q群
  • 会员专属群点击这里加入QQ群
客服邮箱
回到顶部