电脑桌面
添加小米粒文库到电脑桌面
安装后可以在桌面快捷访问

降低管母线焊接缺陷率VIP免费

降低管母线焊接缺陷率_第1页
1/7
降低管母线焊接缺陷率_第2页
2/7
降低管母线焊接缺陷率_第3页
3/7
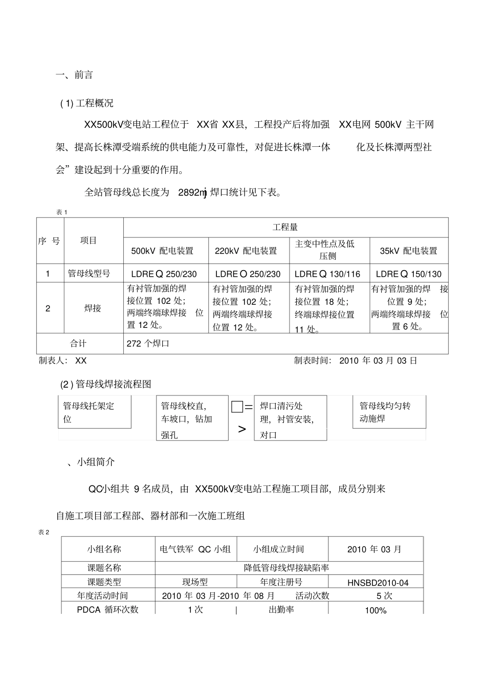
2012年中国电力建设优秀质量管理小组成果资料XX省送变电建设公司电气铁军位名称:XX省送变电建设公司2012年4月15日、/.—亠一、前言................................................................0课题:降低管母线焊接缺陷率QC小组名称:QC小组二、小组简介............................................................0三、小组活动计划表......................................................1四、选题理由............................................................2五、确定目标及可行性分析................................................2六、原因分析............................................................4七、要因确认............................................................5八、制定对策............................................................9九、组织实施..........................................................11十、总效果检查......................................................1..2.十一、巩固措施......................................................1..4.十二、总结..........................................................1..5.一、前言(1)工程概况XX500kV变电站工程位于XX省XX县,工程投产后将加强XX电网500kV主干网架、提高长株潭受端系统的供电能力及可靠性,对促进长株潭一体化及长株潭两型社会”建设起到十分重要的作用。全站管母线总长度为2892mj焊口统计见下表。表1序号项目工程量500kV配电装置220kV配电装置主变中性点及低压侧35kV配电装置1管母线型号LDREQ250/230LDREO250/230LDREQ130/116LDREQ150/1302焊接有衬管加强的焊接位置102处;两端终端球焊接位置12处。有衬管加强的焊接位置102处;两端终端球焊接位置12处。有衬管加强的焊接位置18处;终端球焊接位置11处。有衬管加强的焊接位置9处;两端终端球焊接位置6处。合计272个焊口制表人:XX制表时间:2010年03月03日(2)管母线焊接流程图管母线托架定位管母线校直,车坡口,钻加□=>焊口清污处理,衬管安装,管母线均匀转动施焊强孔对口、小组简介QC小组共9名成员,由XX500kV变电站工程施工项目部,成员分别来自施工项目部工程部、器材部和一次施工班组表2小组名称电气铁军QC小组小组成立时间2010年03月课题名称降低管母线焊接缺陷率课题类型现场型年度注册号HNSBD2010-04年度活动时间2010年03月-2010年08月活动次数5次PDCA循环次数1次|出勤率100%序号姓名性别QC职务职务职称组内分工1彭凌烟男组长变电一分公司副经理整体策划2肖向阳1男组员工程部主任方案设计3XX男组员工程部副主任方案设计4麻长胜男组员项目副经理方案头施5李伟志「男组员焊工实际操作6方志强:男组员电气一次班组长实际操作7张泽华女组员质量专责课题指导8朱宁:男组员技术员方案实施9周卓男组员技术员方案试验、成果整理制表人:XX制表时间:2010年03月05日三、小组活动计划表根据XX500kV变电站工程的二级网络计划的需求,编制电气铁军QC小组的活动计划表,具体见表3:表3XX项目部QC活动小组时间内容2010年3月4月5月6月7月8月P选择课题选题理由设定目标及可行性分析■分析原因制定对策D组织实施r-------------■;C检杳效果1A■A巩固措施1=>总结|A计划完成?'实际完成制表:XX四、选题理由项目部要求选定课题五、确定目标及可行性分析1、将项目部要求设定为活动主题的目标值2、目标可行性分析(1)掌握现状QC小组对已往4个变电站工程专检验收提出的管母线焊接缺陷统计单进行数据资料收集,见下表。表4变电站名称#1变电站#2变电站#3变电站#4变电站焊口数量(个)290个232个286个242个施工现状降低管母线焊接缺陷率管母线焊接缺陷率必须W5%焊口缺陷数量(个)30个28个32个15个缺陷率%10.34%12.07%11.18%平均缺陷率%9.94%制表人:XX制表时间:2010年03月15号备注:表内所列缺陷数量都属于感观缺陷,上述变电站管母线焊接都经试件探伤、拉伸和直流电阻试验等合格后进行大批量焊接,不影响变电站运行。从上表可以看出,#4变电站管母线焊接缺陷率为6%接近我们的目标值5%(2)查找症结QC小组对4个500kV变电站影响管母线焊接缺陷率高的因素进行分析统计,见下表。表5影响管母线焊接缺陷率各因素统计表序号项目项数频率%累计频率%1A焊缝不均匀9447%47%HB焊接口弯折偏移、错位4824%71%C焊轴不直2814%85%1D其他3015%100%合计200100制表人:XX制表时间:2010年03月16号根据统计表,绘制下列排列图

1、当您付费下载文档后,您只拥有了使用权限,并不意味着购买了版权,文档只能用于自身使用,不得用于其他商业用途(如 [转卖]进行直接盈利或[编辑后售卖]进行间接盈利)。
2、本站所有内容均由合作方或网友上传,本站不对文档的完整性、权威性及其观点立场正确性做任何保证或承诺!文档内容仅供研究参考,付费前请自行鉴别。
3、如文档内容存在违规,或者侵犯商业秘密、侵犯著作权等,请点击“违规举报”。

碎片内容

降低管母线焊接缺陷率

您可能关注的文档

文库响当当+ 关注
实名认证
内容提供者

该用户很懒,什么也没介绍

确认删除?
VIP
微信客服
  • 扫码咨询
会员Q群
  • 会员专属群点击这里加入QQ群
客服邮箱
回到顶部